LEMON Manuals: Even more car manuals for everyone: 1960-2025
Home >> Lexus >> 2010 >> LS 460L AWD >> Repair and Diagnosis >> Steering >> Power Steering >> Power Steering (Diagnostics - Introduction) >> Power Steering System >> System Diagram >> System Diagram
April 5, 2026: LEMON Manuals is launched! Read the announcement.

System Diagram

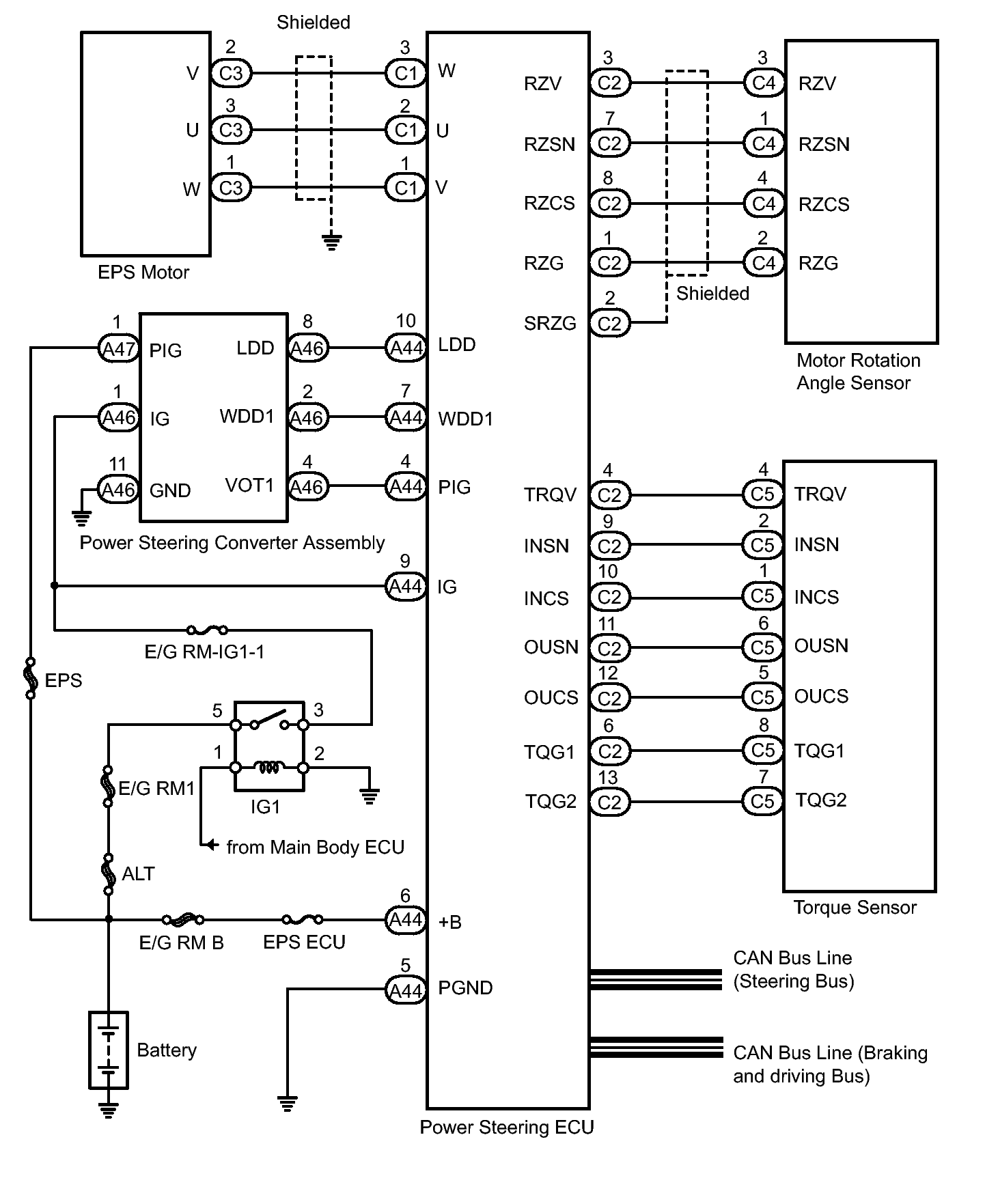
Fig 1: Power Steering System - System Diagram (1 Of 3)
GTY289243Courtesy of © TOYOTA, LICENSE AGREEMENT TMS1002
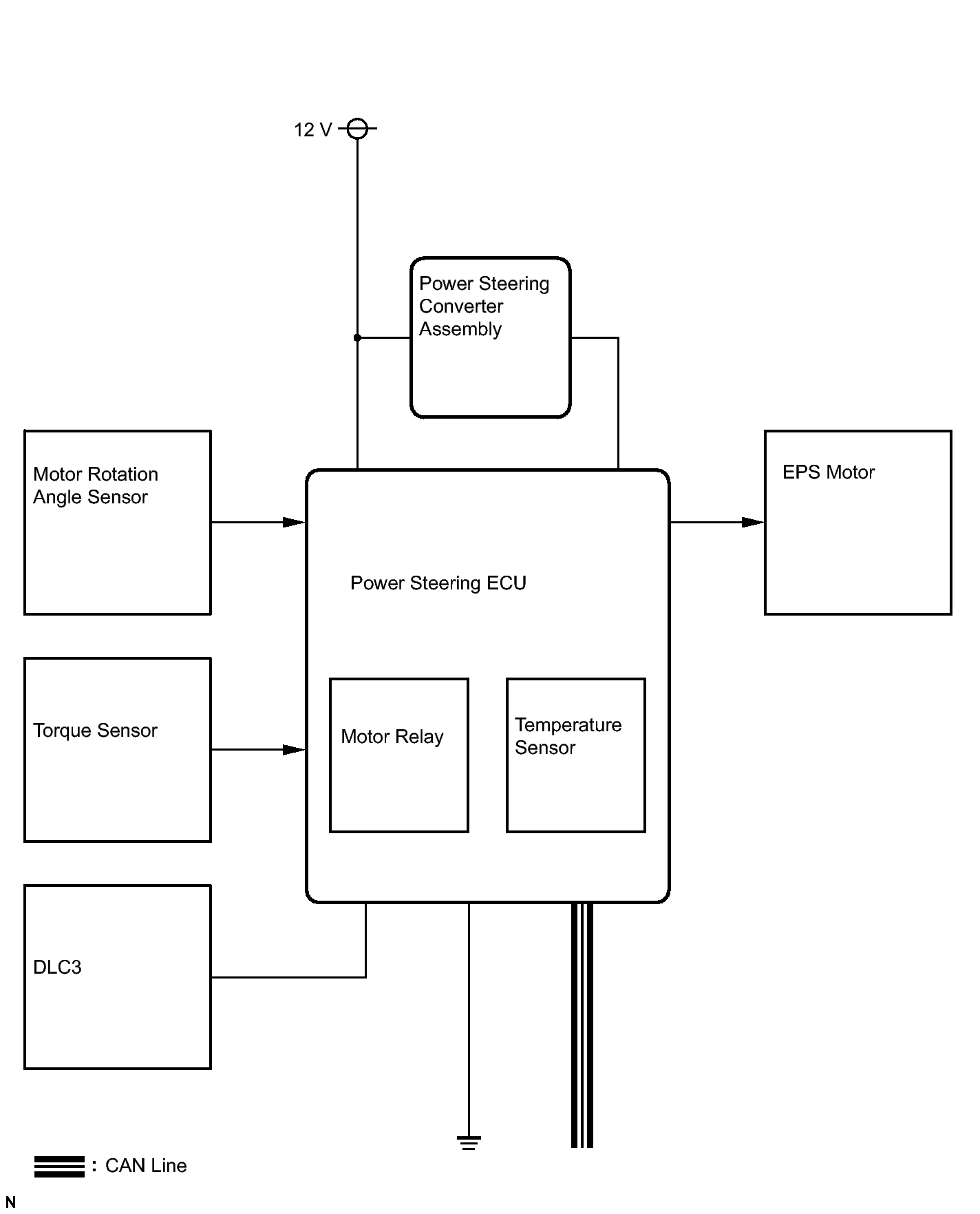
Fig 2: Power Steering System - System Diagram (2 Of 3)
GTY272283Courtesy of © TOYOTA, LICENSE AGREEMENT TMS1002
Fig 3: Power Steering System - System Diagram (3 Of 3)
GTY254180Courtesy of © TOYOTA, LICENSE AGREEMENT TMS1002