LEMON Manuals: Even more car manuals for everyone: 1960-2025
Home >> Lexus >> 2010 >> LS 600hL >> Repair and Diagnosis (Single Page) >> Electrical >> Body Electrical >> OEM System Circuits >> Power Source >> Notes
April 5, 2026: LEMON Manuals is launched! Read the announcement.

Power Source: Notes

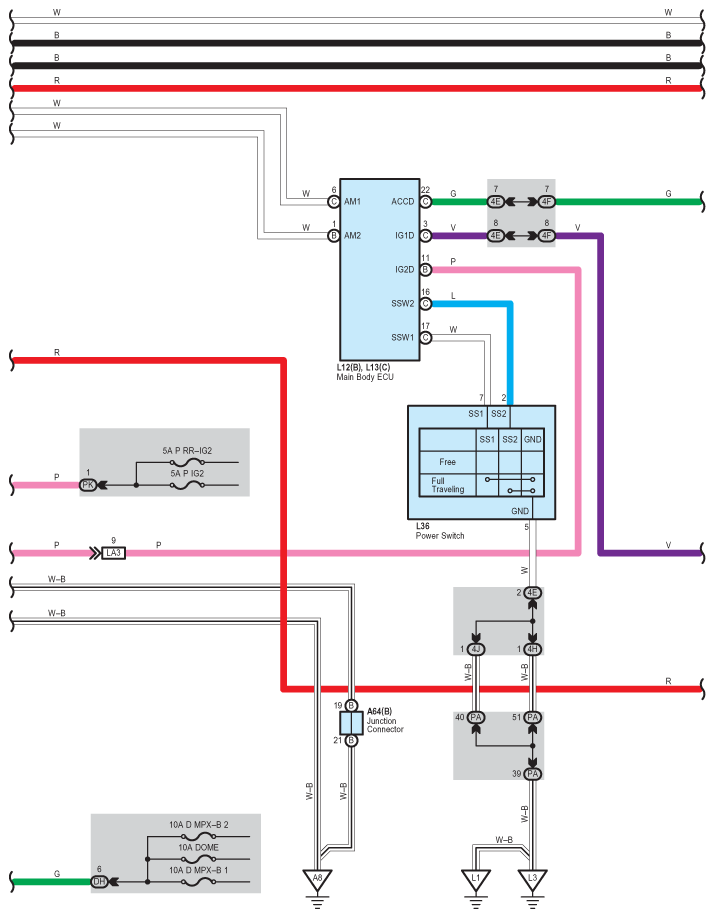
Fig 1: Power Source - Circuit Diagram (1 Of 9)
G07568481Courtesy of © TOYOTA, LICENSE AGREEMENT TMS1002
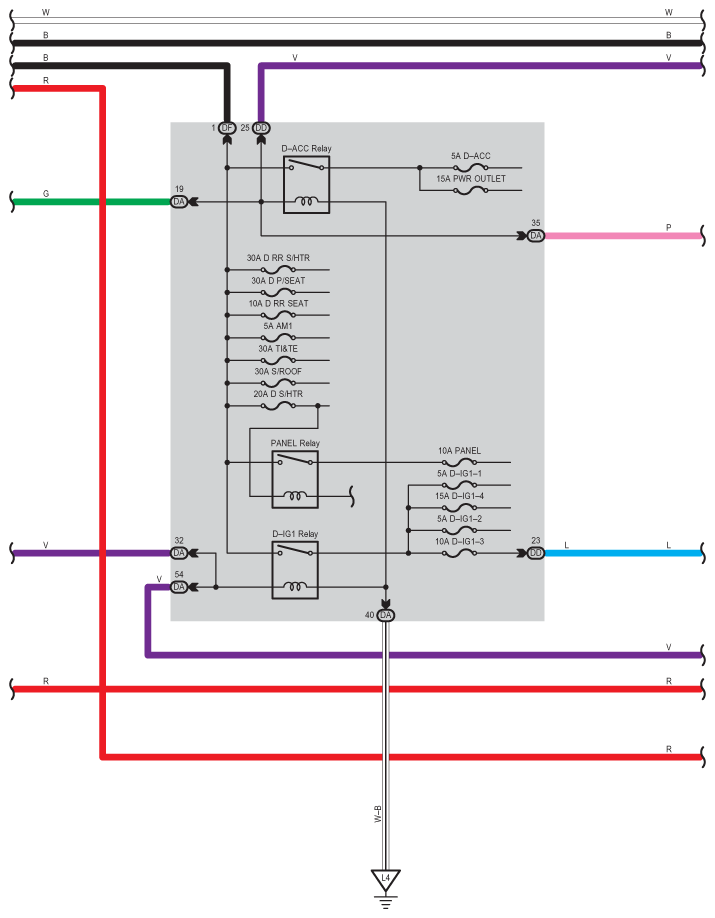
Fig 2: Power Source - Circuit Diagram (2 Of 9)
G07568482Courtesy of © TOYOTA, LICENSE AGREEMENT TMS1002
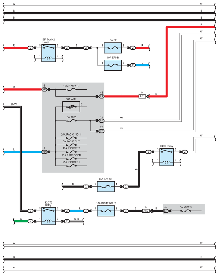
Fig 3: Power Source - Circuit Diagram (3 Of 9)
G07568483Courtesy of © TOYOTA, LICENSE AGREEMENT TMS1002
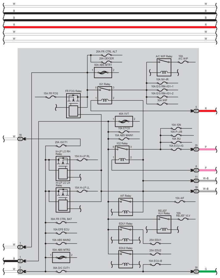
Fig 4: Power Source - Circuit Diagram (4 Of 9)
G07568484Courtesy of © TOYOTA, LICENSE AGREEMENT TMS1002
Fig 5: Power Source - Circuit Diagram (5 Of 9)
G07568485Courtesy of © TOYOTA, LICENSE AGREEMENT TMS1002
Fig 6: Power Source - Circuit Diagram (6 Of 9)
G07568486Courtesy of © TOYOTA, LICENSE AGREEMENT TMS1002
Fig 7: Power Source - Circuit Diagram (7 Of 9)
G07568487Courtesy of © TOYOTA, LICENSE AGREEMENT TMS1002
Fig 8: Power Source - Circuit Diagram (8 Of 9)
G07568488Courtesy of © TOYOTA, LICENSE AGREEMENT TMS1002
Fig 9: Power Source - Circuit Diagram (9 Of 9)
G07568489Courtesy of © TOYOTA, LICENSE AGREEMENT TMS1002