LEMON Manuals: Even more car manuals for everyone: 1960-2025
Home >> Lexus >> 2010 >> LS 600hL >> Repair and Diagnosis >> Electrical >> Body Electrical >> OEM System Circuits >> Horn >> Notes
April 5, 2026: LEMON Manuals is launched! Read the announcement.

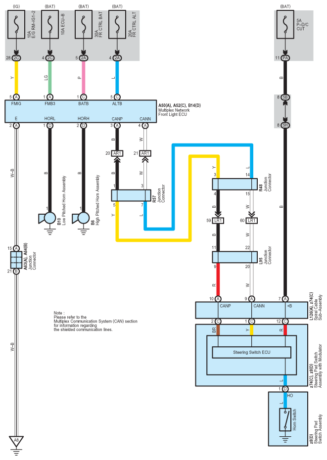
OEM System Circuits: Horn: Notes

Fig 1: Horn - Circuit Diagram
G07568887Courtesy of © TOYOTA, LICENSE AGREEMENT TMS1002