LEMON Manuals: Even more car manuals for everyone: 1960-2025
Home >> Lexus >> 2010 >> LS 600hL >> Repair and Diagnosis >> Electrical >> Body Electrical >> OEM System Circuits >> Power Shoulder Belt Anchorage >> Notes
April 5, 2026: LEMON Manuals is launched! Read the announcement.

Power Shoulder Belt Anchorage: Notes

Fig 1: Power Shoulder Belt Anchorage - Circuit Diagram (1 Of 4)
G07568896Courtesy of © TOYOTA, LICENSE AGREEMENT TMS1002
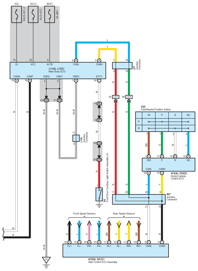
Fig 2: Power Shoulder Belt Anchorage - Circuit Diagram (2 Of 4)
G07568897Courtesy of © TOYOTA, LICENSE AGREEMENT TMS1002
Fig 3: Power Shoulder Belt Anchorage - Circuit Diagram (3 Of 4)
G07568898Courtesy of © TOYOTA, LICENSE AGREEMENT TMS1002
Fig 4: Power Shoulder Belt Anchorage - Circuit Diagram (4 Of 4)
G07568899Courtesy of © TOYOTA, LICENSE AGREEMENT TMS1002