LEMON Manuals
: Even more car manuals for everyone: 1960-2025
Home
>>
Lexus
>>
2010
>>
LS 600hL
>>
Repair and Diagnosis
>>
Electrical
>>
Body Electrical
>>
OEM System Circuits
>>
Vibration Seat
>>
Notes
April 5, 2026:
LEMON Manuals is launched!
Read the announcement.
Vibration Seat: Notes
Fig 1: Vibration Seat - Circuit Diagram (1 Of 3)
Courtesy of © TOYOTA, LICENSE AGREEMENT TMS1002
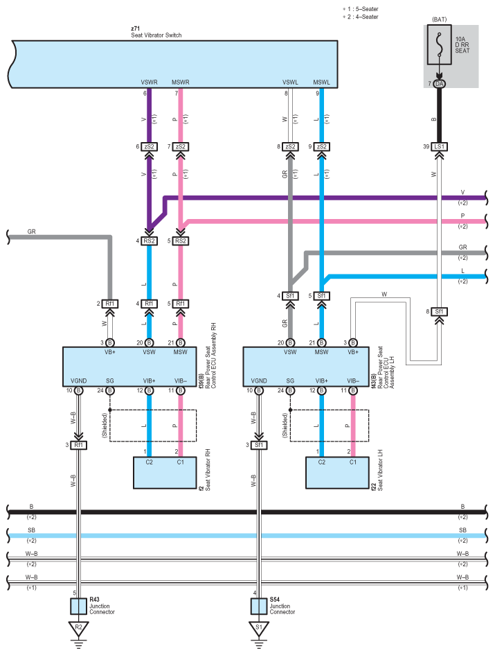
Fig 2: Vibration Seat - Circuit Diagram (2 Of 3)
Courtesy of © TOYOTA, LICENSE AGREEMENT TMS1002
Fig 3: Vibration Seat - Circuit Diagram (3 Of 3)
Courtesy of © TOYOTA, LICENSE AGREEMENT TMS1002