LEMON Manuals: Even more car manuals for everyone: 1960-2025
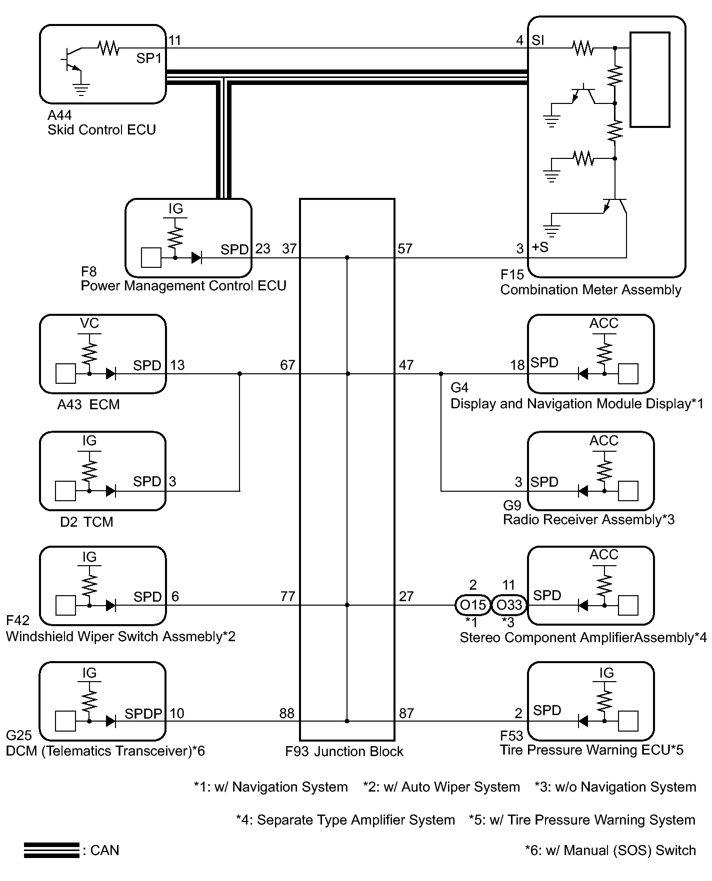
Home >> Lexus >> 2010 >> RX 350 AWD >> Repair and Diagnosis >> External Pages >> Different car >> Section 249 (Smart Access System With Push-Button Start (For Start Function) (Diagnostic Codes & Symptom Tests)) >> SMART ACCESS SYSTEM WITH PUSH-BUTTON START (for Start Function) >> DTC B2283: Vehicle Speed Sensor Malfunction >> Wiring Diagram
April 5, 2026: LEMON Manuals is launched! Read the announcement.

DTC B2283: Vehicle Speed Sensor Malfunction: Wiring Diagram

WARNING: This page is about a different car, the 2011 Lexus RX 350. However, it is still accessible from the selected car via links, so may be relevant.
Fig 1: Identifying Vehicle Speed Sensor Wiring Diagram
GTY357534Courtesy of © TOYOTA, LICENSE AGREEMENT TMS1002