LEMON Manuals: Even more car manuals for everyone: 1960-2025
Home >> Lexus >> 2010 >> RX 350 FWD >> Repair and Diagnosis >> Electrical >> Body Electrical >> OEM System Circuits >> 4WD >> Notes
April 5, 2026: LEMON Manuals is launched! Read the announcement.

OEM System Circuits: 4WD: Notes

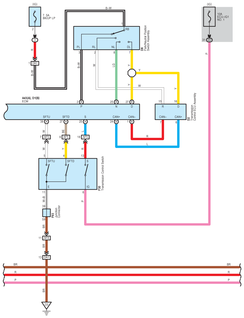
Fig 1: 4WD - Circuit Diagram (1 Of 8)
G07573861Courtesy of © TOYOTA, LICENSE AGREEMENT TMS1002
Fig 2: 4WD - Circuit Diagram (2 Of 8)
G07573862Courtesy of © TOYOTA, LICENSE AGREEMENT TMS1002
Fig 3: 4WD - Circuit Diagram (3 Of 8)
G07573863Courtesy of © TOYOTA, LICENSE AGREEMENT TMS1002
Fig 4: 4WD - Circuit Diagram (4 Of 8)
G07573864Courtesy of © TOYOTA, LICENSE AGREEMENT TMS1002
Fig 5: 4WD - Circuit Diagram (5 Of 8)
G07573865Courtesy of © TOYOTA, LICENSE AGREEMENT TMS1002
Fig 6: 4WD - Circuit Diagram (6 Of 8)
G07573866Courtesy of © TOYOTA, LICENSE AGREEMENT TMS1002
Fig 7: 4WD - Circuit Diagram (7 Of 8)
G07573867Courtesy of © TOYOTA, LICENSE AGREEMENT TMS1002
Fig 8: 4WD - Circuit Diagram (8 Of 8)
G07573868Courtesy of © TOYOTA, LICENSE AGREEMENT TMS1002