LEMON Manuals: Even more car manuals for everyone: 1960-2025
Home >> Lexus >> 2010 >> RX 450h 3.5 C >> Repair and Diagnosis >> Electrical >> Body Electrical >> OEM System Circuits >> Parking Assist (Rear View Monitor w/o LEXUS Navigation System) >> Notes
April 5, 2026: LEMON Manuals is launched! Read the announcement.

Parking Assist (Rear View Monitor w/o LEXUS Navigation System): Notes

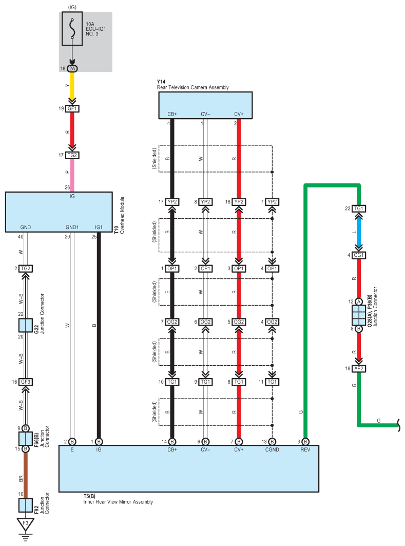
Fig 1: Parking Assist (Rear View Monitor W/O Lexus Navigation System) - Circuit Diagram (1 Of 2)
G07574556Courtesy of © TOYOTA, LICENSE AGREEMENT TMS1002
Fig 2: Parking Assist (Rear View Monitor W/O Lexus Navigation System) - Circuit Diagram (2 Of 2)
G07574557Courtesy of © TOYOTA, LICENSE AGREEMENT TMS1002