LEMON Manuals: Even more car manuals for everyone: 1960-2025
Home >> Lexus >> 2010 >> RX 450h 3.5 C >> Repair and Diagnosis >> Electrical >> Body Electrical >> OEM System Circuits >> Power Window >> Notes
April 5, 2026: LEMON Manuals is launched! Read the announcement.

Power Window: Notes

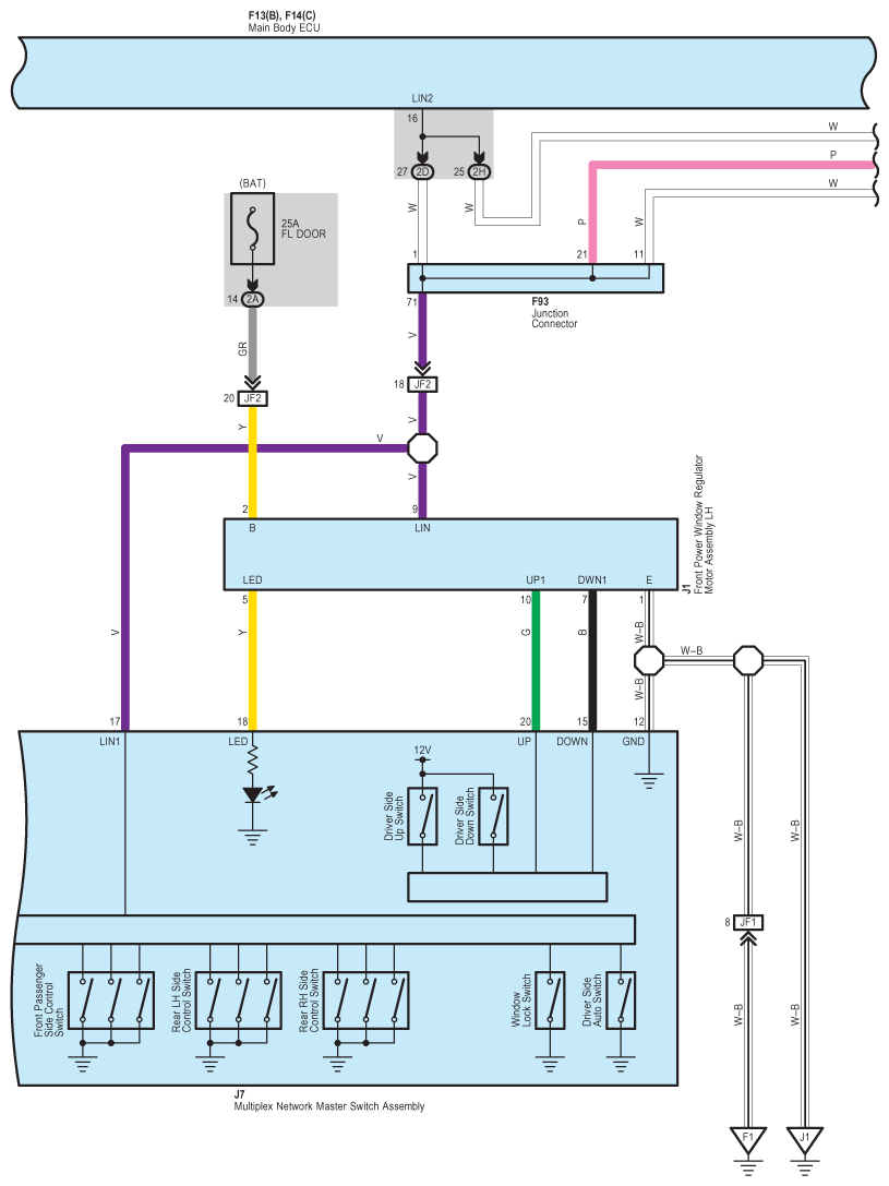
Fig 1: Power Window - Circuit Diagram (1 Of 6)
G07574400Courtesy of © TOYOTA, LICENSE AGREEMENT TMS1002
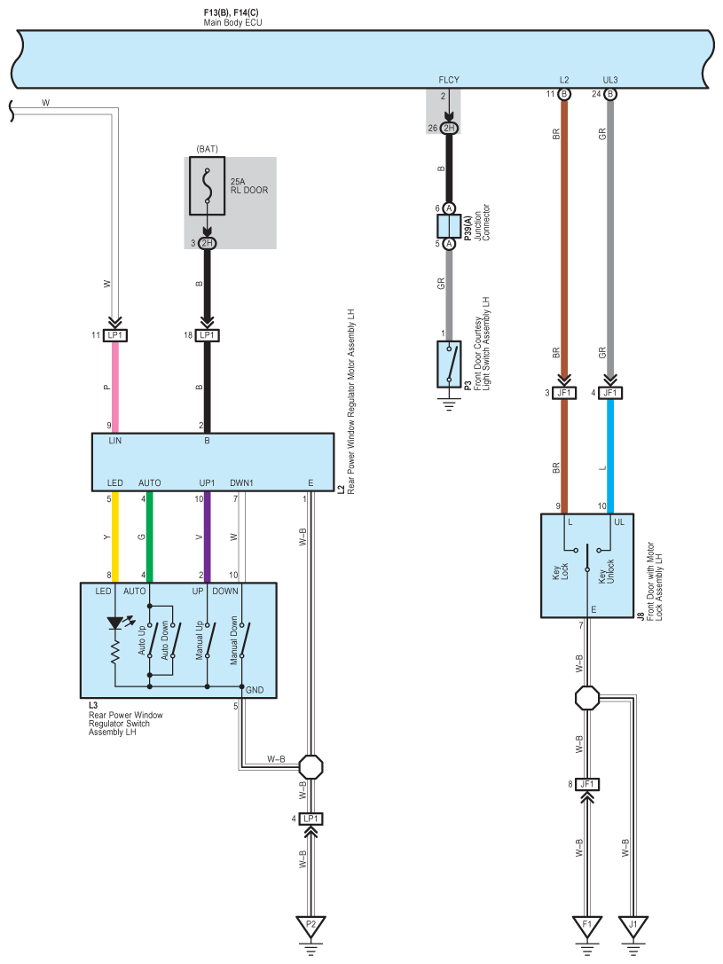
Fig 2: Power Window - Circuit Diagram (2 Of 6)
G07574401Courtesy of © TOYOTA, LICENSE AGREEMENT TMS1002
Fig 3: Power Window - Circuit Diagram (3 Of 6)
G07574402Courtesy of © TOYOTA, LICENSE AGREEMENT TMS1002
Fig 4: Power Window - Circuit Diagram (4 Of 6)
G07574403Courtesy of © TOYOTA, LICENSE AGREEMENT TMS1002
Fig 5: Power Window - Circuit Diagram (5 Of 6)
G07574404Courtesy of © TOYOTA, LICENSE AGREEMENT TMS1002
Fig 6: Power Window - Circuit Diagram (6 Of 6)
G07574405Courtesy of © TOYOTA, LICENSE AGREEMENT TMS1002