LEMON Manuals: Even more car manuals for everyone: 1960-2025
Home >> Lexus >> 2010 >> SC 430 >> Repair and Diagnosis (Single Page) >> Electrical >> Body Electrical >> OEM System Circuits >> Multiplex Communication System (Communication Bus) >> Notes
April 5, 2026: LEMON Manuals is launched! Read the announcement.

Multiplex Communication System (Communication Bus): Notes

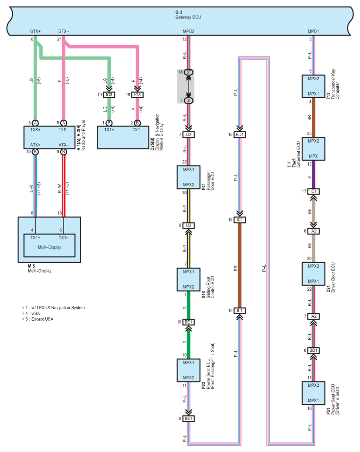
Fig 1: Multiplex Communication System (Communication Bus) - Circuit Diagram (1 Of 4)
G07605878Courtesy of © TOYOTA, LICENSE AGREEMENT TMS1002
Fig 2: Multiplex Communication System (Communication Bus) - Circuit Diagram (2 Of 4)
G07605879Courtesy of © TOYOTA, LICENSE AGREEMENT TMS1002
Fig 3: Multiplex Communication System (Communication Bus) - Circuit Diagram (3 Of 4)
G07605880Courtesy of © TOYOTA, LICENSE AGREEMENT TMS1002
Fig 4: Multiplex Communication System (Communication Bus) - Circuit Diagram (4 Of 4)
G07605881Courtesy of © TOYOTA, LICENSE AGREEMENT TMS1002