LEMON Manuals: Even more car manuals for everyone: 1960-2025
Home >> Lexus >> 2010 >> SC 430 >> Repair and Diagnosis >> Electrical >> Body Electrical >> OEM System Circuits >> Audio System (Except USA) >> Notes
April 5, 2026: LEMON Manuals is launched! Read the announcement.

Audio System (Except USA): Notes

Fig 1: Audio System (Except USA) - Circuit Diagram (1 Of 3)
G07606023Courtesy of © TOYOTA, LICENSE AGREEMENT TMS1002
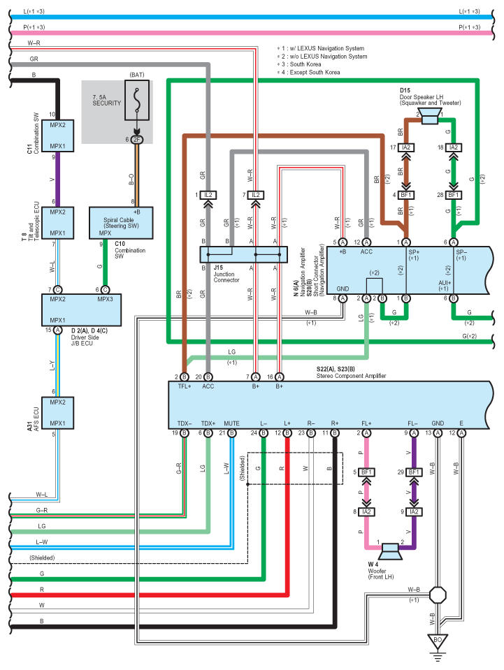
Fig 2: Audio System (Except USA) - Circuit Diagram (2 Of 3)
G07606024Courtesy of © TOYOTA, LICENSE AGREEMENT TMS1002
Fig 3: Audio System (Except USA) - Circuit Diagram (3 Of 3)
G07606025Courtesy of © TOYOTA, LICENSE AGREEMENT TMS1002