LEMON Manuals: Even more car manuals for everyone: 1960-2025
Home >> Lexus >> 2010 >> SC 430 >> Repair and Diagnosis >> Electrical >> Body Electrical >> OEM System Circuits >> Electronically Controlled Transmission and A/T Indicator >> Notes
April 5, 2026: LEMON Manuals is launched! Read the announcement.

Electronically Controlled Transmission and A/T Indicator: Notes

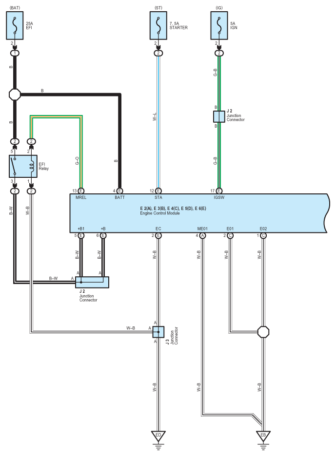
Fig 1: Electronically Controlled Transmission And A/T Indicator - Circuit Diagram (1 Of 6)
G07605974Courtesy of © TOYOTA, LICENSE AGREEMENT TMS1002
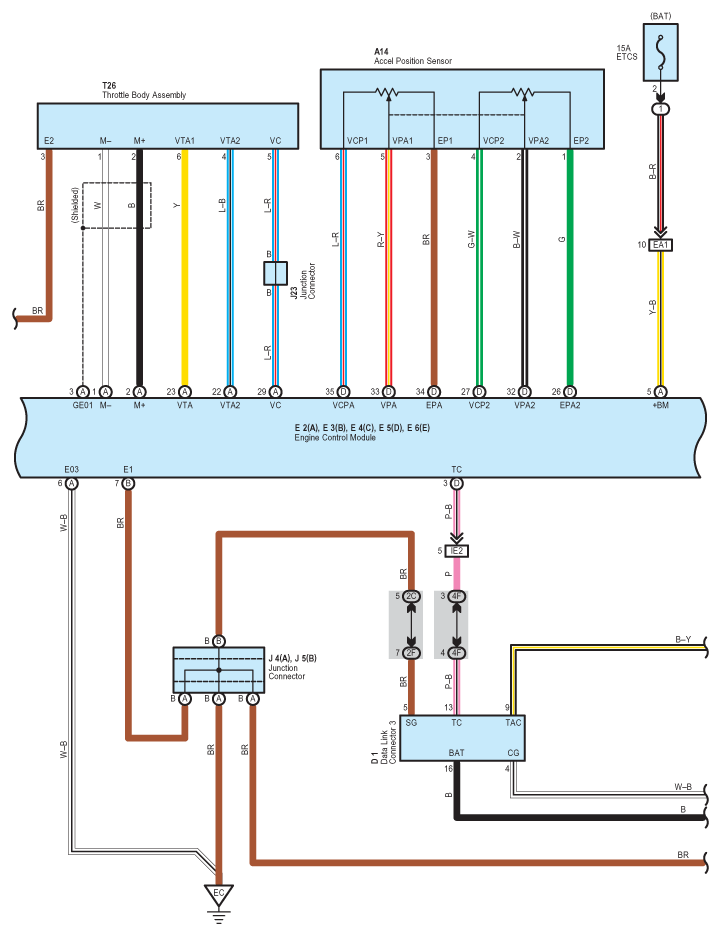
Fig 2: Electronically Controlled Transmission And A/T Indicator - Circuit Diagram (2 Of 6)
G07605975Courtesy of © TOYOTA, LICENSE AGREEMENT TMS1002
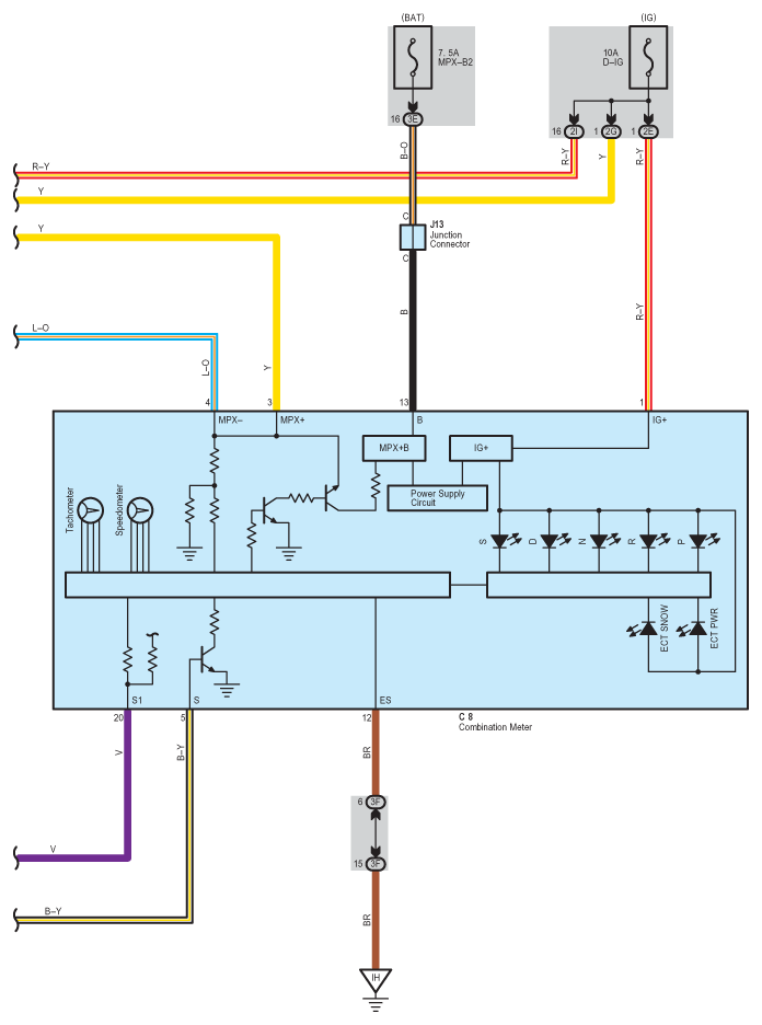
Fig 3: Electronically Controlled Transmission And A/T Indicator - Circuit Diagram (3 Of 6)
G07605976Courtesy of © TOYOTA, LICENSE AGREEMENT TMS1002
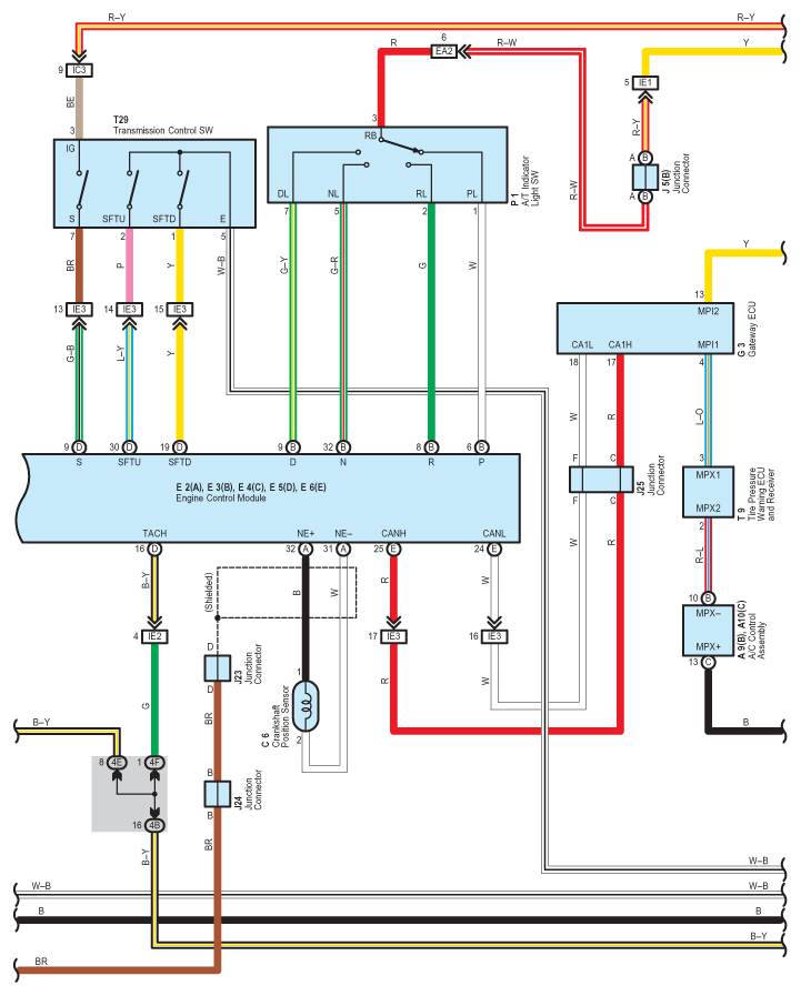
Fig 4: Electronically Controlled Transmission And A/T Indicator - Circuit Diagram (4 Of 6)
G07605977Courtesy of © TOYOTA, LICENSE AGREEMENT TMS1002
Fig 5: Electronically Controlled Transmission And A/T Indicator - Circuit Diagram (5 Of 6)
G07605978Courtesy of © TOYOTA, LICENSE AGREEMENT TMS1002
Fig 6: Electronically Controlled Transmission And A/T Indicator - Circuit Diagram (6 Of 6)
G07605979Courtesy of © TOYOTA, LICENSE AGREEMENT TMS1002