LEMON Manuals: Even more car manuals for everyone: 1960-2025
Home >> Lexus >> 2010 >> SC 430 >> Repair and Diagnosis >> Electrical >> Body Electrical >> OEM System Circuits >> LEXUS Navigation System (Except USA) >> Notes
April 5, 2026: LEMON Manuals is launched! Read the announcement.

LEXUS Navigation System (Except USA): Notes

Fig 1: Lexus Navigation System (Except USA) - Circuit Diagram (1 Of 5)
G07606018Courtesy of © TOYOTA, LICENSE AGREEMENT TMS1002
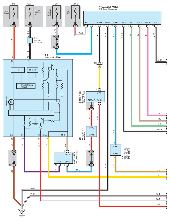
Fig 2: Lexus Navigation System (Except USA) - Circuit Diagram (2 Of 5)
G07606019Courtesy of © TOYOTA, LICENSE AGREEMENT TMS1002
Fig 3: Lexus Navigation System (Except USA) - Circuit Diagram (3 Of 5)
G07606020Courtesy of © TOYOTA, LICENSE AGREEMENT TMS1002
Fig 4: Lexus Navigation System (Except USA) - Circuit Diagram (4 Of 5)
G07606021Courtesy of © TOYOTA, LICENSE AGREEMENT TMS1002
Fig 5: Lexus Navigation System (Except USA) - Circuit Diagram (5 Of 5)
G07606022Courtesy of © TOYOTA, LICENSE AGREEMENT TMS1002