LEMON Manuals: Even more car manuals for everyone: 1960-2025
Home >> Lexus >> 2010 >> SC 430 >> Repair and Diagnosis >> Electrical >> Body Electrical >> OEM System Circuits >> Power Seat >> Notes
April 5, 2026: LEMON Manuals is launched! Read the announcement.

Power Seat: Notes

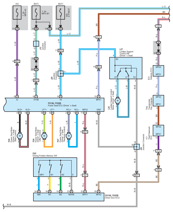
Fig 1: Power Seat - Circuit Diagram (1 Of 4)
G07606005Courtesy of © TOYOTA, LICENSE AGREEMENT TMS1002
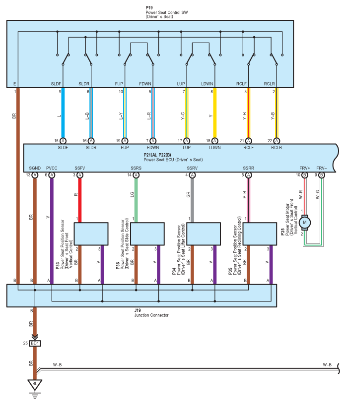
Fig 2: Power Seat - Circuit Diagram (2 Of 4)
G07606006Courtesy of © TOYOTA, LICENSE AGREEMENT TMS1002
Fig 3: Power Seat - Circuit Diagram (3 Of 4)
G07606007Courtesy of © TOYOTA, LICENSE AGREEMENT TMS1002
Fig 4: Power Seat - Circuit Diagram (4 Of 4)
G07606008Courtesy of © TOYOTA, LICENSE AGREEMENT TMS1002