LEMON Manuals: Even more car manuals for everyone: 1960-2025
Home >> Lexus >> 2010 >> SC 430 >> Repair and Diagnosis >> Electrical >> Body Electrical >> OEM System Circuits >> Power Tilt and Power Telescopic >> Notes
April 5, 2026: LEMON Manuals is launched! Read the announcement.

Power Tilt and Power Telescopic: Notes

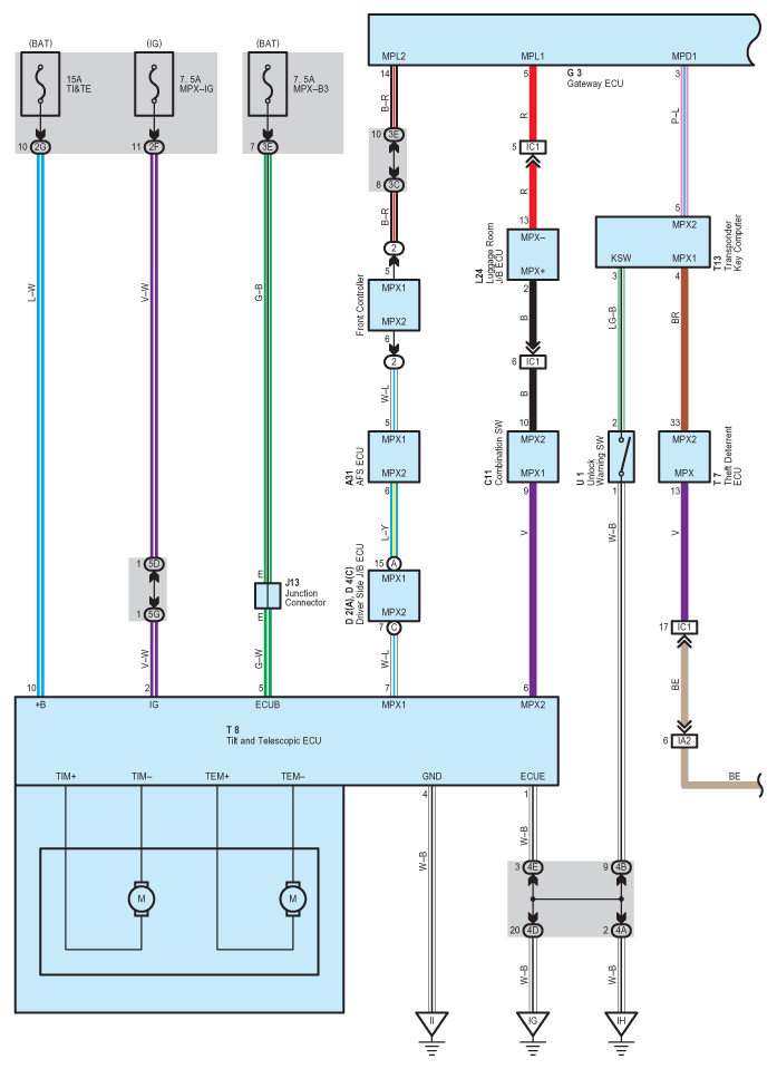
Fig 1: Power Tilt And Power Telescopic - Circuit Diagram (1 Of 2)
G07606003Courtesy of © TOYOTA, LICENSE AGREEMENT TMS1002
Fig 2: Power Tilt And Power Telescopic - Circuit Diagram (2 Of 2)
G07606004Courtesy of © TOYOTA, LICENSE AGREEMENT TMS1002