LEMON Manuals: Even more car manuals for everyone: 1960-2025
Home >> Lexus >> 2010 >> SC 430 >> Repair and Diagnosis >> Engine Performance >> System >> Engine Control System (Diagnostic Codes (P0351-U0101) & Circuit Tests) >> SFI System >> DTC P2118: Throttle Actuator Control Motor Current Range / Performance >> Description
April 5, 2026: LEMON Manuals is launched! Read the announcement.

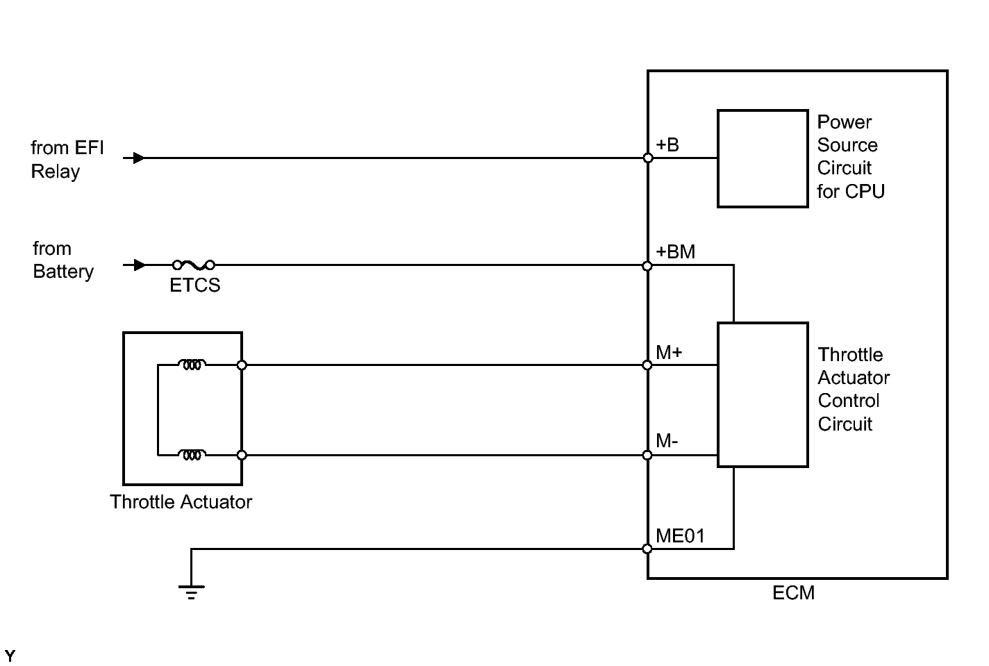
DTC P2118: Throttle Actuator Control Motor Current Range / Performance: Description

The ETCS (Electronic Throttle Control System) has a dedicated power supply circuit. The voltage (+BM) is monitored and when it is low (below 4 V), the ECM determines that there is a malfunction in the ETCS and cuts off the current to the throttle actuator.

When the voltage becomes unstable, the ETCS itself becomes unstable. For this reason, when the voltage is low, the current to the throttle actuator is cut. If repairs are made and the system returns to normal, turn the ignition switch to OFF. The ECM then allows the current to flow to the throttle actuator so that it can be restarted.

HINT: 

The ETCS does not use a throttle cable.

Fig 1: Throttle Actuator Control Motor Current Range / Performance - Circuit Diagram
GTY161536Courtesy of © TOYOTA, LICENSE AGREEMENT TMS1002
DTC No. DTC Detection Conditions Trouble Areas
P2118 Open in ETCS power source (+BM) circuit
(1 trip detection logic)
  • Open in ETCS power source circuit
  • Battery
  • Battery terminals
  • ETCS fuse
  • ECM