LEMON Manuals: Even more car manuals for everyone: 1960-2025
Home >> Lexus >> 2010 >> SC 430 >> Repair and Diagnosis >> Engine Performance >> System >> Engine Control System (Diagnostic Codes (P0351-U0101) & Circuit Tests) >> SFI System >> Fuel Pump Control Circuit >> Wiring Diagram
April 5, 2026: LEMON Manuals is launched! Read the announcement.

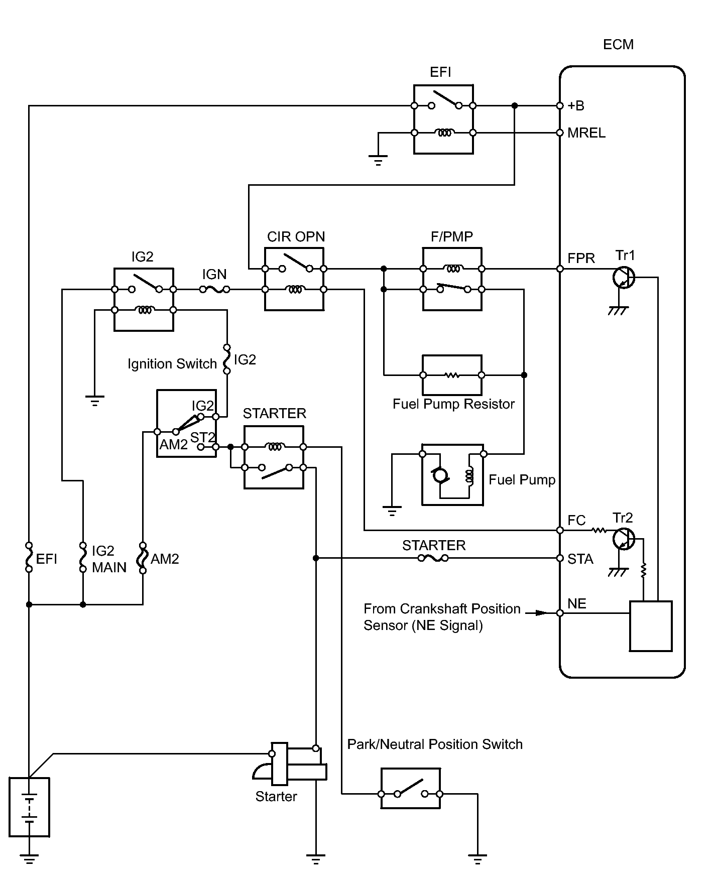
Fuel Pump Control Circuit: Wiring Diagram

Fig 1: Fuel Pump Primary Circuit Diagram
GTY131104Courtesy of © TOYOTA, LICENSE AGREEMENT TMS1002