LEMON Manuals: Even more car manuals for everyone: 1960-2025
Home >> Lexus >> 2011 >> CT 200h >> Repair and Diagnosis >> Electrical >> Body Electrical >> OEM System Circuits >> Back Door Opener and Smart Access System with Push-Button Start >> Notes
April 5, 2026: LEMON Manuals is launched! Read the announcement.

Back Door Opener and Smart Access System with Push-Button Start: Notes

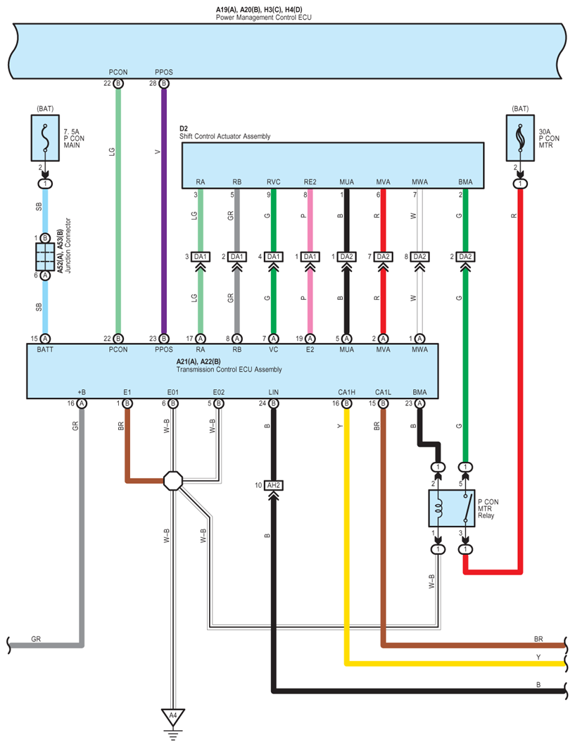
Fig 1: Back Door Opener And Smart Access System With Push-Button Start - Wiring Diagram (1 Of 24)
G07776939Courtesy of © TOYOTA, LICENSE AGREEMENT TMS1002
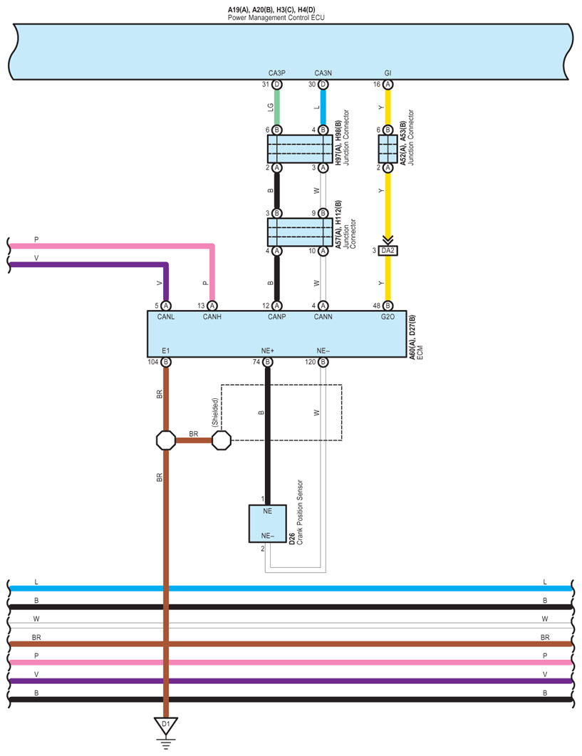
Fig 2: Back Door Opener And Smart Access System With Push-Button Start - Wiring Diagram (2 Of 24)
G07776940Courtesy of © TOYOTA, LICENSE AGREEMENT TMS1002
Fig 3: Back Door Opener And Smart Access System With Push-Button Start - Wiring Diagram (3 Of 24)
G07776941Courtesy of © TOYOTA, LICENSE AGREEMENT TMS1002
Fig 4: Back Door Opener And Smart Access System With Push-Button Start - Wiring Diagram (4 Of 24)
G07776942Courtesy of © TOYOTA, LICENSE AGREEMENT TMS1002
Fig 5: Back Door Opener And Smart Access System With Push-Button Start - Wiring Diagram (5 Of 24)
G07776943Courtesy of © TOYOTA, LICENSE AGREEMENT TMS1002
Fig 6: Back Door Opener And Smart Access System With Push-Button Start - Wiring Diagram (6 Of 24)
G07776944Courtesy of © TOYOTA, LICENSE AGREEMENT TMS1002
Fig 7: Back Door Opener And Smart Access System With Push-Button Start - Wiring Diagram (7 Of 24)
G07776945Courtesy of © TOYOTA, LICENSE AGREEMENT TMS1002
Fig 8: Back Door Opener And Smart Access System With Push-Button Start - Wiring Diagram (8 Of 24)
G07776946Courtesy of © TOYOTA, LICENSE AGREEMENT TMS1002
Fig 9: Back Door Opener And Smart Access System With Push-Button Start - Wiring Diagram (9 Of 24)
G07776947Courtesy of © TOYOTA, LICENSE AGREEMENT TMS1002
Fig 10: Back Door Opener And Smart Access System With Push-Button Start - Wiring Diagram (10 Of 24)
G07776948Courtesy of © TOYOTA, LICENSE AGREEMENT TMS1002
Fig 11: Back Door Opener And Smart Access System With Push-Button Start - Wiring Diagram (11 Of 24)
G07776949Courtesy of © TOYOTA, LICENSE AGREEMENT TMS1002
Fig 12: Back Door Opener And Smart Access System With Push-Button Start - Wiring Diagram (12 Of 24)
G07776950Courtesy of © TOYOTA, LICENSE AGREEMENT TMS1002
Fig 13: Back Door Opener And Smart Access System With Push-Button Start - Wiring Diagram (13 Of 24)
G07776951Courtesy of © TOYOTA, LICENSE AGREEMENT TMS1002
Fig 14: Back Door Opener And Smart Access System With Push-Button Start - Wiring Diagram (14 Of 24)
G07776952Courtesy of © TOYOTA, LICENSE AGREEMENT TMS1002
Fig 15: Back Door Opener And Smart Access System With Push-Button Start - Wiring Diagram (15 Of 24)
G07776953Courtesy of © TOYOTA, LICENSE AGREEMENT TMS1002
Fig 16: Back Door Opener And Smart Access System With Push-Button Start - Wiring Diagram (16 Of 24)
G07776954Courtesy of © TOYOTA, LICENSE AGREEMENT TMS1002
Fig 17: Back Door Opener And Smart Access System With Push-Button Start - Wiring Diagram (17 Of 24)
G07776955Courtesy of © TOYOTA, LICENSE AGREEMENT TMS1002
Fig 18: Back Door Opener And Smart Access System With Push-Button Start - Wiring Diagram (18 Of 24)
G07776956Courtesy of © TOYOTA, LICENSE AGREEMENT TMS1002
Fig 19: Back Door Opener And Smart Access System With Push-Button Start - Wiring Diagram (19 Of 24)
G07776957Courtesy of © TOYOTA, LICENSE AGREEMENT TMS1002
Fig 20: Back Door Opener And Smart Access System With Push-Button Start - Wiring Diagram (20 Of 24)
G07776958Courtesy of © TOYOTA, LICENSE AGREEMENT TMS1002
Fig 21: Back Door Opener And Smart Access System With Push-Button Start - Wiring Diagram (21 Of 24)
G07776959Courtesy of © TOYOTA, LICENSE AGREEMENT TMS1002
Fig 22: Back Door Opener And Smart Access System With Push-Button Start - Wiring Diagram (22 Of 24)
G07776960Courtesy of © TOYOTA, LICENSE AGREEMENT TMS1002
Fig 23: Back Door Opener And Smart Access System With Push-Button Start - Wiring Diagram (23 Of 24)
G07776961Courtesy of © TOYOTA, LICENSE AGREEMENT TMS1002
Fig 24: Back Door Opener And Smart Access System With Push-Button Start - Wiring Diagram (24 Of 24)
G07776962Courtesy of © TOYOTA, LICENSE AGREEMENT TMS1002