LEMON Manuals: Even more car manuals for everyone: 1960-2025
Home >> Lexus >> 2011 >> CT 200h >> Repair and Diagnosis >> Electrical >> Body Electrical >> OEM System Circuits >> Dynamic Radar Cruise Control or Cruise Control, Engine Control, Hybrid System and Shift Control System >> Notes
April 5, 2026: LEMON Manuals is launched! Read the announcement.

Dynamic Radar Cruise Control or Cruise Control, Engine Control, Hybrid System and Shift Control System: Notes

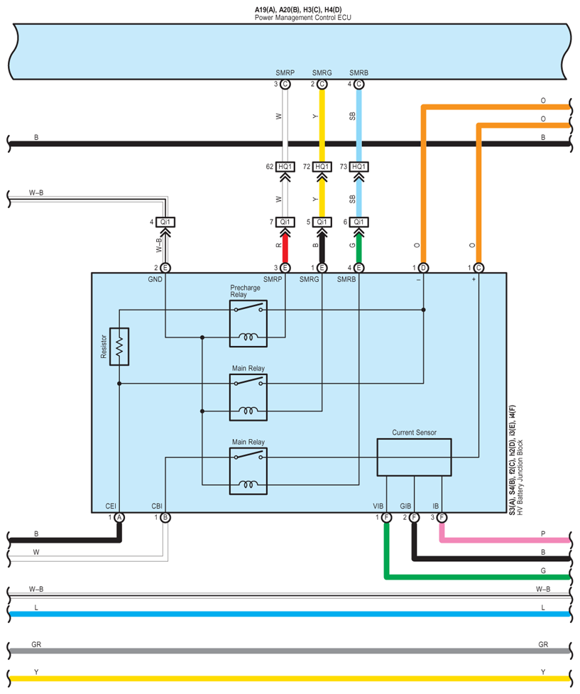
Fig 1: Dynamic Radar Cruise Control Or Cruise Control, Engine Control, Hybrid System And Shift Control System - Wiring Diagram (1 Of 35)
G07776965Courtesy of © TOYOTA, LICENSE AGREEMENT TMS1002
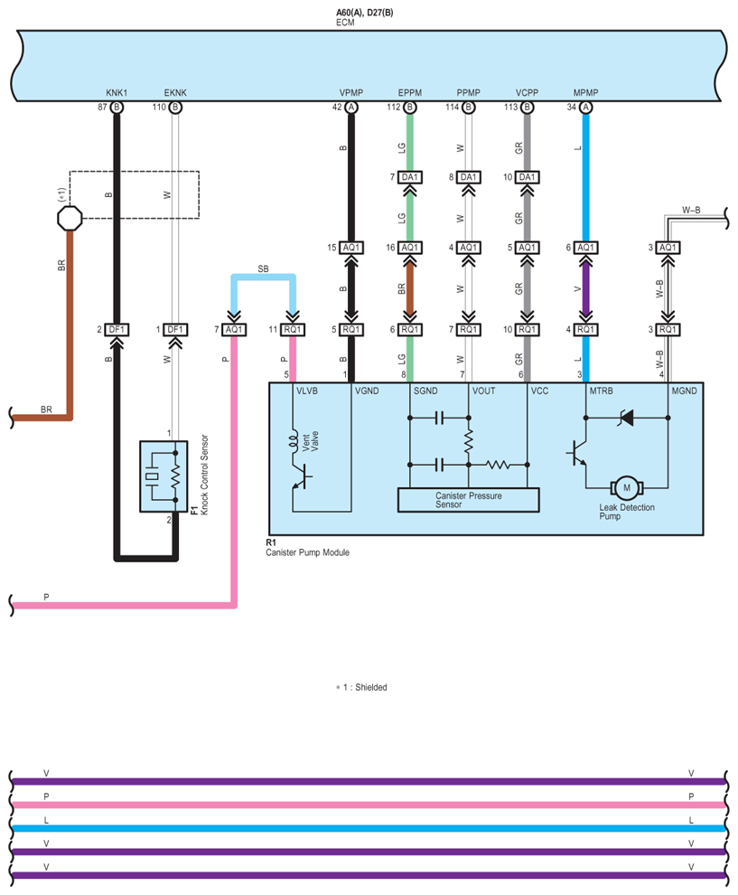
Fig 2: Dynamic Radar Cruise Control Or Cruise Control, Engine Control, Hybrid System And Shift Control System - Wiring Diagram (2 Of 35)
G07776966Courtesy of © TOYOTA, LICENSE AGREEMENT TMS1002
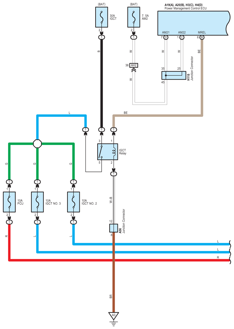
Fig 3: Dynamic Radar Cruise Control Or Cruise Control, Engine Control, Hybrid System And Shift Control System - Wiring Diagram (3 Of 35)
G07776967Courtesy of © TOYOTA, LICENSE AGREEMENT TMS1002
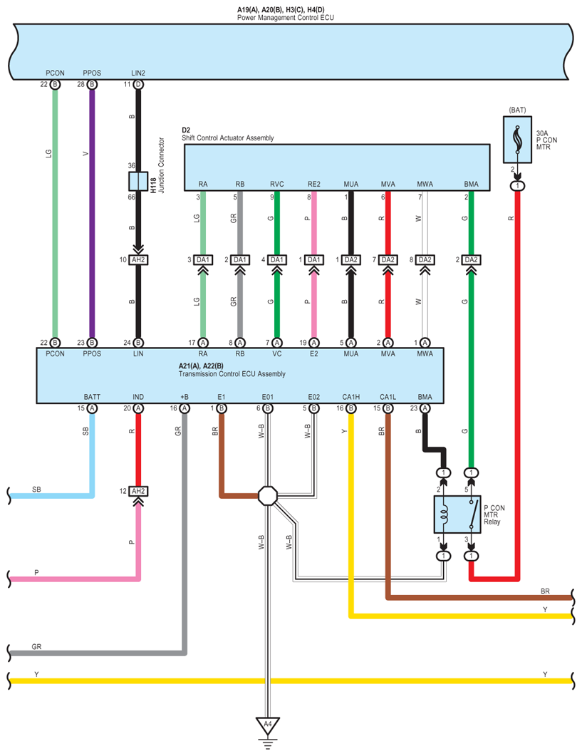
Fig 4: Dynamic Radar Cruise Control Or Cruise Control, Engine Control, Hybrid System And Shift Control System - Wiring Diagram (4 Of 35)
G07776968Courtesy of © TOYOTA, LICENSE AGREEMENT TMS1002
Fig 5: Dynamic Radar Cruise Control Or Cruise Control, Engine Control, Hybrid System And Shift Control System - Wiring Diagram (5 Of 35)
G07776969Courtesy of © TOYOTA, LICENSE AGREEMENT TMS1002
Fig 6: Dynamic Radar Cruise Control Or Cruise Control, Engine Control, Hybrid System And Shift Control System - Wiring Diagram (6 Of 35)
G07776970Courtesy of © TOYOTA, LICENSE AGREEMENT TMS1002
Fig 7: Dynamic Radar Cruise Control Or Cruise Control, Engine Control, Hybrid System And Shift Control System - Wiring Diagram (7 Of 35)
G07776971Courtesy of © TOYOTA, LICENSE AGREEMENT TMS1002
Fig 8: Dynamic Radar Cruise Control Or Cruise Control, Engine Control, Hybrid System And Shift Control System - Wiring Diagram (8 Of 35)
G07776972Courtesy of © TOYOTA, LICENSE AGREEMENT TMS1002
Fig 9: Dynamic Radar Cruise Control Or Cruise Control, Engine Control, Hybrid System And Shift Control System - Wiring Diagram (9 Of 35)
G07776973Courtesy of © TOYOTA, LICENSE AGREEMENT TMS1002
Fig 10: Dynamic Radar Cruise Control Or Cruise Control, Engine Control, Hybrid System And Shift Control System - Wiring Diagram (10 Of 35)
G07776974Courtesy of © TOYOTA, LICENSE AGREEMENT TMS1002
Fig 11: Dynamic Radar Cruise Control Or Cruise Control, Engine Control, Hybrid System And Shift Control System - Wiring Diagram (11 Of 35)
G07776975Courtesy of © TOYOTA, LICENSE AGREEMENT TMS1002
Fig 12: Dynamic Radar Cruise Control Or Cruise Control, Engine Control, Hybrid System And Shift Control System - Wiring Diagram (12 Of 35)
G07776976Courtesy of © TOYOTA, LICENSE AGREEMENT TMS1002
Fig 13: Dynamic Radar Cruise Control Or Cruise Control, Engine Control, Hybrid System And Shift Control System - Wiring Diagram (13 Of 35)
G07776977Courtesy of © TOYOTA, LICENSE AGREEMENT TMS1002
Fig 14: Dynamic Radar Cruise Control Or Cruise Control, Engine Control, Hybrid System And Shift Control System - Wiring Diagram (14 Of 35)
G07776978Courtesy of © TOYOTA, LICENSE AGREEMENT TMS1002
Fig 15: Dynamic Radar Cruise Control Or Cruise Control, Engine Control, Hybrid System And Shift Control System - Wiring Diagram (15 Of 35)
G07776979Courtesy of © TOYOTA, LICENSE AGREEMENT TMS1002
Fig 16: Dynamic Radar Cruise Control Or Cruise Control, Engine Control, Hybrid System And Shift Control System - Wiring Diagram (16 Of 35)
G07776980Courtesy of © TOYOTA, LICENSE AGREEMENT TMS1002
Fig 17: Dynamic Radar Cruise Control Or Cruise Control, Engine Control, Hybrid System And Shift Control System - Wiring Diagram (17 Of 35)
G07776981Courtesy of © TOYOTA, LICENSE AGREEMENT TMS1002
Fig 18: Dynamic Radar Cruise Control Or Cruise Control, Engine Control, Hybrid System And Shift Control System - Wiring Diagram (18 Of 35)
G07776982Courtesy of © TOYOTA, LICENSE AGREEMENT TMS1002
Fig 19: Dynamic Radar Cruise Control Or Cruise Control, Engine Control, Hybrid System And Shift Control System - Wiring Diagram (19 Of 35)
G07776983Courtesy of © TOYOTA, LICENSE AGREEMENT TMS1002
Fig 20: Dynamic Radar Cruise Control Or Cruise Control, Engine Control, Hybrid System And Shift Control System - Wiring Diagram (20 Of 35)
G07776984Courtesy of © TOYOTA, LICENSE AGREEMENT TMS1002
Fig 21: Dynamic Radar Cruise Control Or Cruise Control, Engine Control, Hybrid System And Shift Control System - Wiring Diagram (21 Of 35)
G07776985Courtesy of © TOYOTA, LICENSE AGREEMENT TMS1002
Fig 22: Dynamic Radar Cruise Control Or Cruise Control, Engine Control, Hybrid System And Shift Control System - Wiring Diagram (22 Of 35)
G07776986Courtesy of © TOYOTA, LICENSE AGREEMENT TMS1002
Fig 23: Dynamic Radar Cruise Control Or Cruise Control, Engine Control, Hybrid System And Shift Control System - Wiring Diagram (23 Of 35)
G07776987Courtesy of © TOYOTA, LICENSE AGREEMENT TMS1002
Fig 24: Dynamic Radar Cruise Control Or Cruise Control, Engine Control, Hybrid System And Shift Control System - Wiring Diagram (24 Of 35)
G07776988Courtesy of © TOYOTA, LICENSE AGREEMENT TMS1002
Fig 25: Dynamic Radar Cruise Control Or Cruise Control, Engine Control, Hybrid System And Shift Control System - Wiring Diagram (25 Of 35)
G07776989Courtesy of © TOYOTA, LICENSE AGREEMENT TMS1002
Fig 26: Dynamic Radar Cruise Control Or Cruise Control, Engine Control, Hybrid System And Shift Control System - Wiring Diagram (26 Of 35)
G07776990Courtesy of © TOYOTA, LICENSE AGREEMENT TMS1002
Fig 27: Dynamic Radar Cruise Control Or Cruise Control, Engine Control, Hybrid System And Shift Control System - Wiring Diagram (27 Of 35)
G07776991Courtesy of © TOYOTA, LICENSE AGREEMENT TMS1002
Fig 28: Dynamic Radar Cruise Control Or Cruise Control, Engine Control, Hybrid System And Shift Control System - Wiring Diagram (28 Of 35)
G07776992Courtesy of © TOYOTA, LICENSE AGREEMENT TMS1002
Fig 29: Dynamic Radar Cruise Control Or Cruise Control, Engine Control, Hybrid System And Shift Control System - Wiring Diagram (29 Of 35)
G07776993Courtesy of © TOYOTA, LICENSE AGREEMENT TMS1002
Fig 30: Dynamic Radar Cruise Control Or Cruise Control, Engine Control, Hybrid System And Shift Control System - Wiring Diagram (30 Of 35)
G07776994Courtesy of © TOYOTA, LICENSE AGREEMENT TMS1002
Fig 31: Dynamic Radar Cruise Control Or Cruise Control, Engine Control, Hybrid System And Shift Control System - Wiring Diagram (31 Of 35)
G07776995Courtesy of © TOYOTA, LICENSE AGREEMENT TMS1002
Fig 32: Dynamic Radar Cruise Control Or Cruise Control, Engine Control, Hybrid System And Shift Control System - Wiring Diagram (32 Of 35)
G07776996Courtesy of © TOYOTA, LICENSE AGREEMENT TMS1002
Fig 33: Dynamic Radar Cruise Control Or Cruise Control, Engine Control, Hybrid System And Shift Control System - Wiring Diagram (33 Of 35)
G07776997Courtesy of © TOYOTA, LICENSE AGREEMENT TMS1002
Fig 34: Dynamic Radar Cruise Control Or Cruise Control, Engine Control, Hybrid System And Shift Control System - Wiring Diagram (34 Of 35)
G07776998Courtesy of © TOYOTA, LICENSE AGREEMENT TMS1002
Fig 35: Dynamic Radar Cruise Control Or Cruise Control, Engine Control, Hybrid System And Shift Control System - Wiring Diagram (35 Of 35)
G07776999Courtesy of © TOYOTA, LICENSE AGREEMENT TMS1002