LEMON Manuals: Even more car manuals for everyone: 1960-2025
Home >> Lexus >> 2011 >> CT 200h >> Repair and Diagnosis >> Electrical >> Body Electrical >> OEM System Circuits >> Remote Control Mirror (w/ Seat Position Memory) >> Notes
April 5, 2026: LEMON Manuals is launched! Read the announcement.

Remote Control Mirror (w/ Seat Position Memory): Notes

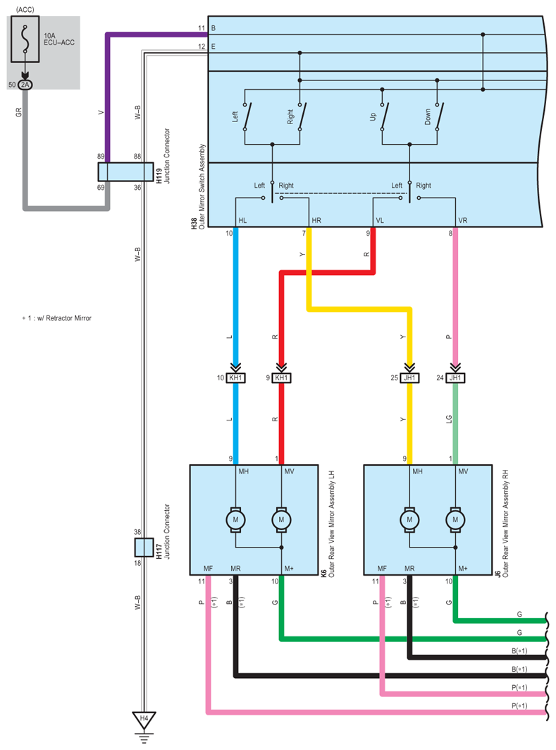
Fig 1: Remote Control Mirror (W/ Seat Position Memory) - Wiring Diagram (1 Of 6)
G07777108Courtesy of © TOYOTA, LICENSE AGREEMENT TMS1002
Fig 2: Remote Control Mirror (W/ Seat Position Memory) - Wiring Diagram (2 Of 6)
G07777109Courtesy of © TOYOTA, LICENSE AGREEMENT TMS1002
Fig 3: Remote Control Mirror (W/ Seat Position Memory) - Wiring Diagram (3 Of 6)
G07777110Courtesy of © TOYOTA, LICENSE AGREEMENT TMS1002
Fig 4: Remote Control Mirror (W/ Seat Position Memory) - Wiring Diagram (4 Of 6)
G07777111Courtesy of © TOYOTA, LICENSE AGREEMENT TMS1002
Fig 5: Remote Control Mirror (W/ Seat Position Memory) - Wiring Diagram (5 Of 6)
G07777112Courtesy of © TOYOTA, LICENSE AGREEMENT TMS1002
Fig 6: Remote Control Mirror (W/ Seat Position Memory) - Wiring Diagram (6 Of 6)
G07777113Courtesy of © TOYOTA, LICENSE AGREEMENT TMS1002


Fig 1: Remote Control Mirror (W/O Seat Position Memory) - Wiring Diagram (1 Of 2)
G07777114Courtesy of © TOYOTA, LICENSE AGREEMENT TMS1002
Fig 2: Remote Control Mirror (W/O Seat Position Memory) - Wiring Diagram (2 Of 2)
G07777115Courtesy of © TOYOTA, LICENSE AGREEMENT TMS1002