LEMON Manuals: Even more car manuals for everyone: 1960-2025
Home >> Lexus >> 2011 >> ES 350 >> Repair and Diagnosis >> Electrical >> Body Electrical >> OEM System Circuits >> Audio System (w/o LEXUS Navigation System) >> Notes
April 5, 2026: LEMON Manuals is launched! Read the announcement.

Audio System (w/o LEXUS Navigation System): Notes

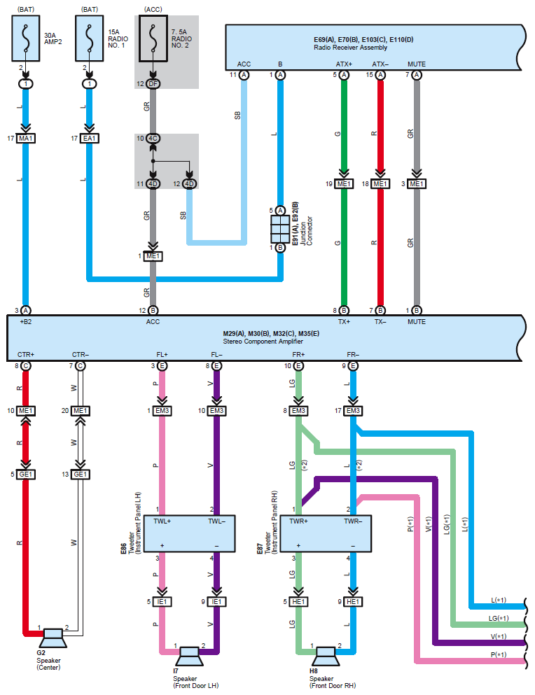
Fig 1: Audio System (W/O Lexus Navigation System) - Circuit Diagram (1 Of 7)
G07569749Courtesy of © TOYOTA, LICENSE AGREEMENT TMS1002
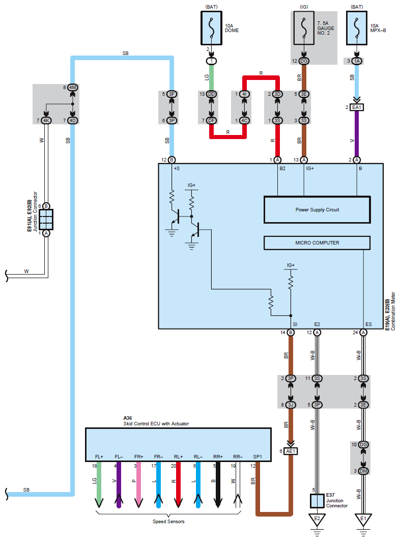
Fig 2: Audio System (W/O Lexus Navigation System) - Circuit Diagram (2 Of 7)
G07569750Courtesy of © TOYOTA, LICENSE AGREEMENT TMS1002
Fig 3: Audio System (W/O Lexus Navigation System) - Circuit Diagram (3 Of 7)
G07569751Courtesy of © TOYOTA, LICENSE AGREEMENT TMS1002
Fig 4: Audio System (W/O Lexus Navigation System) - Circuit Diagram (4 Of 7)
G07569752Courtesy of © TOYOTA, LICENSE AGREEMENT TMS1002
Fig 5: Audio System (W/O Lexus Navigation System) - Circuit Diagram (5 Of 7)
G07569753Courtesy of © TOYOTA, LICENSE AGREEMENT TMS1002
Fig 6: Audio System (W/O Lexus Navigation System) - Circuit Diagram (6 Of 7)
G07569754Courtesy of © TOYOTA, LICENSE AGREEMENT TMS1002
Fig 7: Audio System (W/O Lexus Navigation System) - Circuit Diagram (7 Of 7)
G07569755Courtesy of © TOYOTA, LICENSE AGREEMENT TMS1002