LEMON Manuals: Even more car manuals for everyone: 1960-2025
Home >> Lexus >> 2011 >> ES 350 >> Repair and Diagnosis >> Electrical >> Body Electrical >> OEM System Circuits >> Front Fog Light >> Notes
April 5, 2026: LEMON Manuals is launched! Read the announcement.

Front Fog Light: Notes

Fig 1: Front Fog Light - Circuit Diagram (1 Of 4)
G07569600Courtesy of © TOYOTA, LICENSE AGREEMENT TMS1002
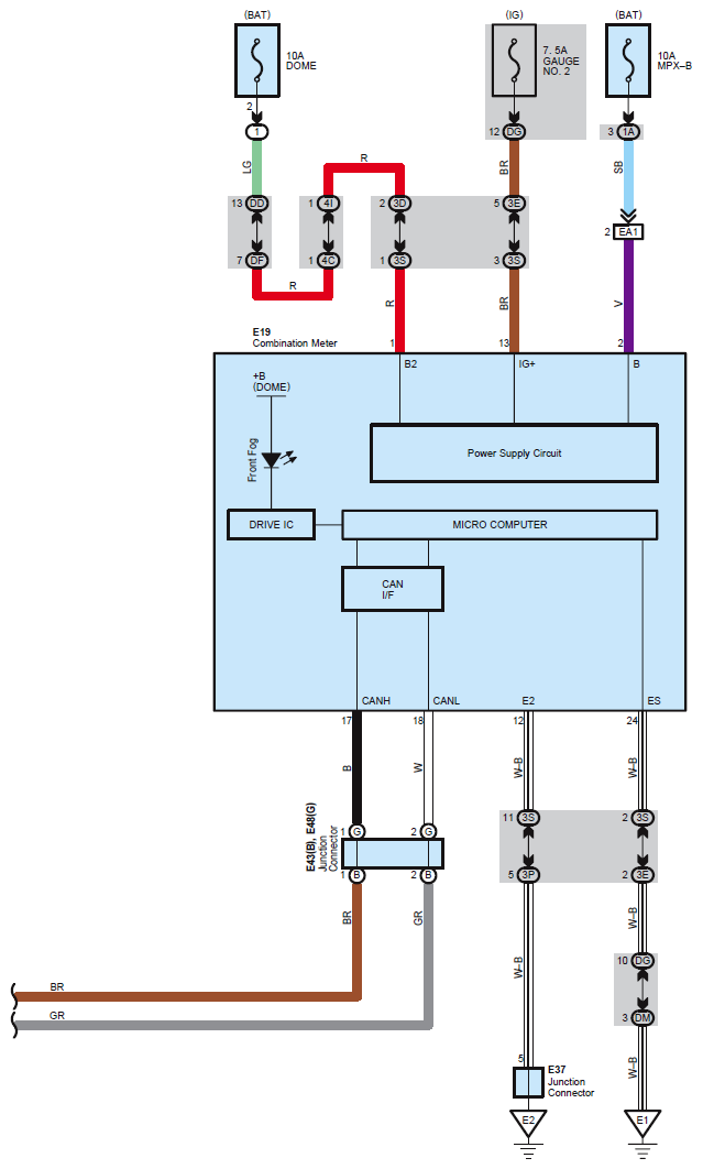
Fig 2: Front Fog Light - Circuit Diagram (2 Of 4)
G07569601Courtesy of © TOYOTA, LICENSE AGREEMENT TMS1002
Fig 3: Front Fog Light - Circuit Diagram (3 Of 4)
G07569602Courtesy of © TOYOTA, LICENSE AGREEMENT TMS1002
Fig 4: Front Fog Light - Circuit Diagram (4 Of 4)
G07569603Courtesy of © TOYOTA, LICENSE AGREEMENT TMS1002