LEMON Manuals
: Even more car manuals for everyone: 1960-2025
Home
>>
Lexus
>>
2011
>>
ES 350
>>
Repair and Diagnosis
>>
Electrical
>>
Body Electrical
>>
OEM System Circuits
>>
Stop Light
>>
Notes
April 5, 2026:
LEMON Manuals is launched!
Read the announcement.
Stop Light: Notes
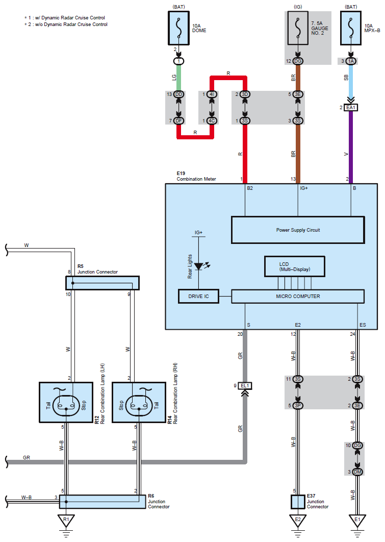
Fig 1: Stop Light - Circuit Diagram (1 Of 2)
Courtesy of © TOYOTA, LICENSE AGREEMENT TMS1002
Fig 2: Stop Light - Circuit Diagram (2 Of 2)
Courtesy of © TOYOTA, LICENSE AGREEMENT TMS1002