LEMON Manuals: Even more car manuals for everyone: 1960-2025
Home >> Lexus >> 2011 >> ES 350 >> Repair and Diagnosis >> Electrical >> Body Electrical >> OEM System Circuits >> Turn Signal and Hazard Warning Light >> Notes
April 5, 2026: LEMON Manuals is launched! Read the announcement.

Turn Signal and Hazard Warning Light: Notes

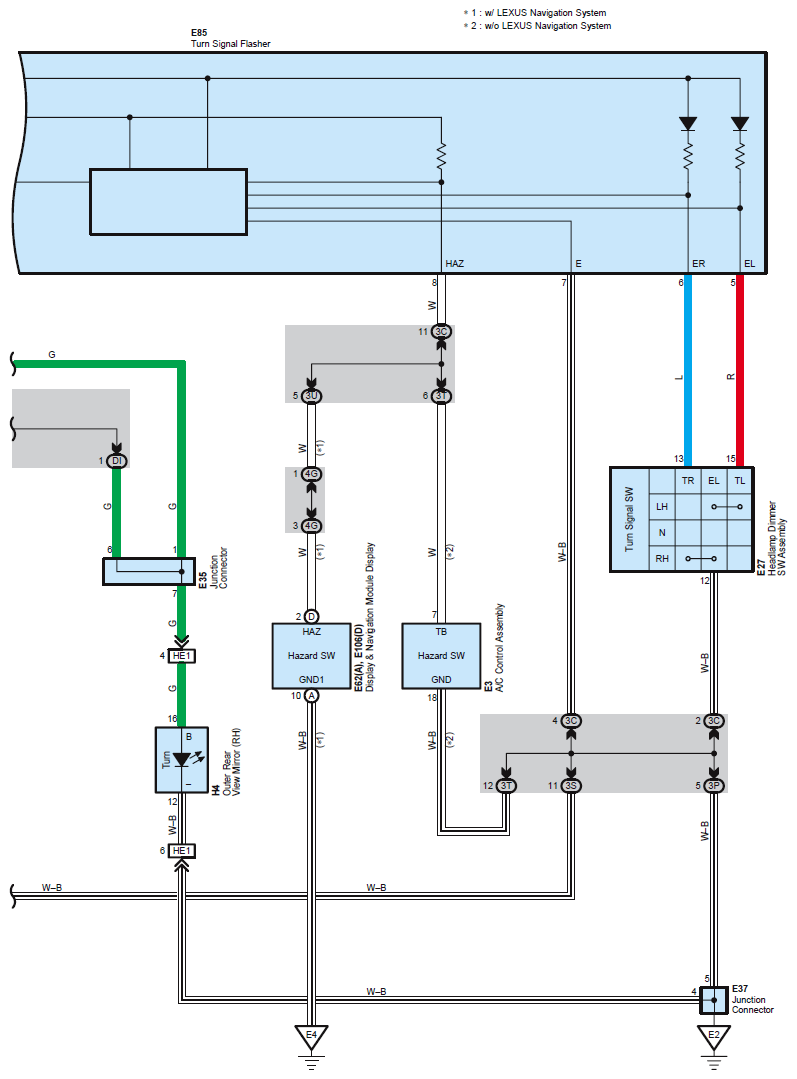
Fig 1: Turn Signal And Hazard Warning Light - Circuit Diagram (1 Of 2)
G07569584Courtesy of © TOYOTA, LICENSE AGREEMENT TMS1002
Fig 2: Turn Signal And Hazard Warning Light - Circuit Diagram (2 Of 2)
G07569585Courtesy of © TOYOTA, LICENSE AGREEMENT TMS1002