LEMON Manuals: Even more car manuals for everyone: 1960-2025
Home >> Lexus >> 2011 >> ES 350 >> Repair and Diagnosis >> Electrical >> Starter >> Starting System (Inspection) >> Starting System >> System Diagram >> System Diagram
April 5, 2026: LEMON Manuals is launched! Read the announcement.

System Diagram

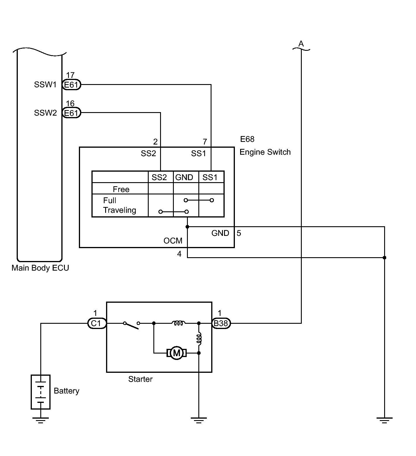
Fig 1: Identifying Starting System Wiring Diagram (1 of 2)
GTY255000Courtesy of © TOYOTA, LICENSE AGREEMENT TMS1002
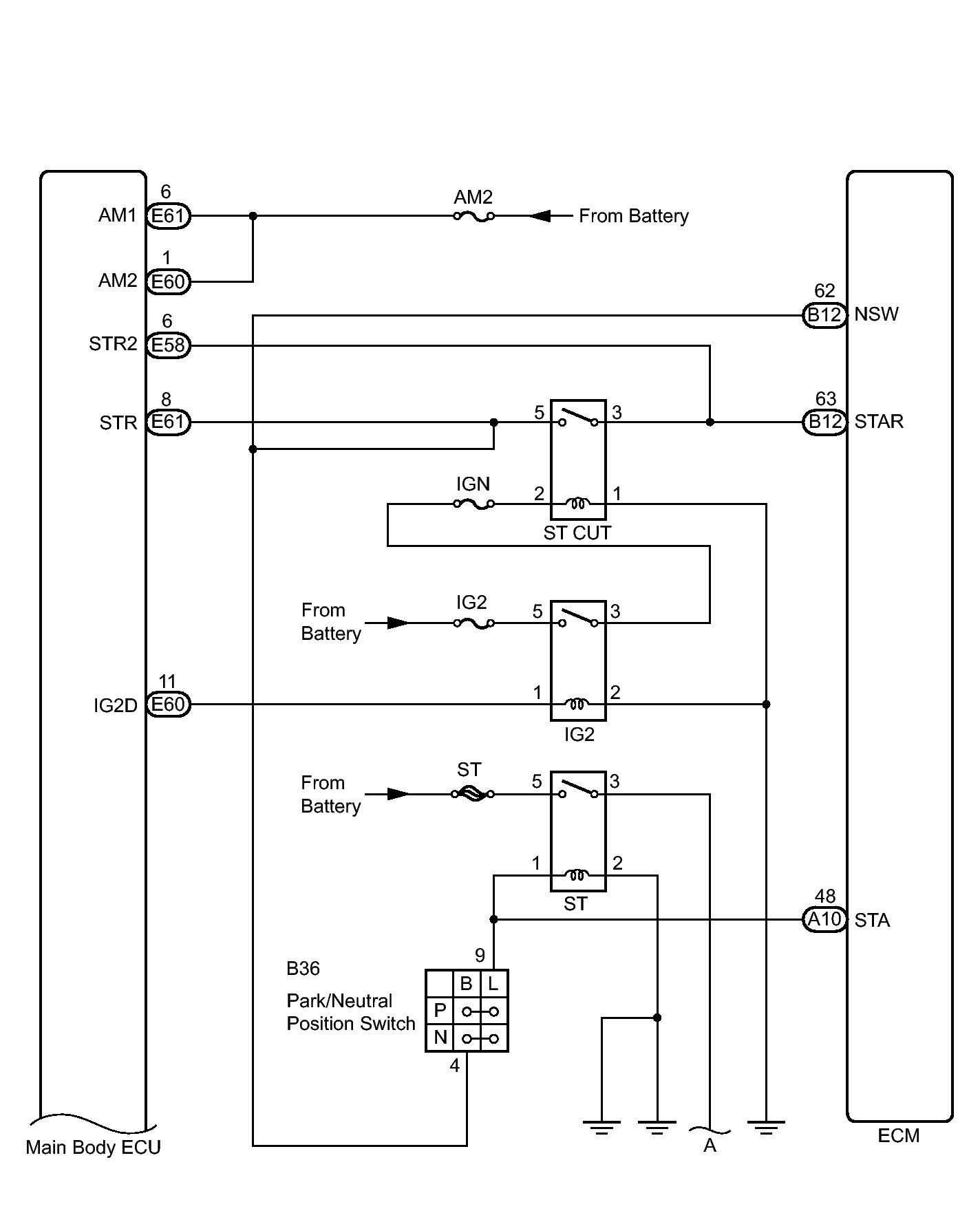
Fig 2: Identifying Starting System Wiring Diagram (2 of 2)
GTY272346Courtesy of © TOYOTA, LICENSE AGREEMENT TMS1002