LEMON Manuals: Even more car manuals for everyone: 1960-2025
Home >> Lexus >> 2011 >> ES 350 >> Repair and Diagnosis >> External Pages >> Different car >> Section 111 (OEM System Circuits) >> Sliding Roof >> Notes
April 5, 2026: LEMON Manuals is launched! Read the announcement.

Sliding Roof: Notes

WARNING: This page is about a different car, the 2010 Lexus ES 350. However, it is still accessible from the selected car via links, so may be relevant.
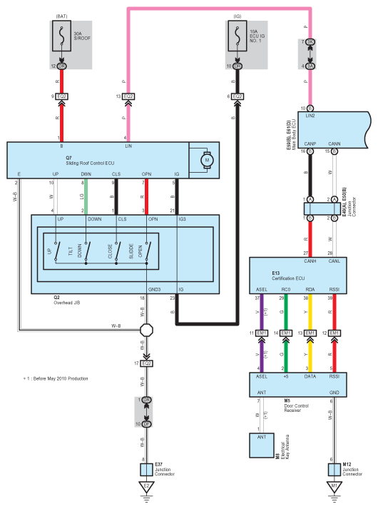
Fig 1: Sliding Roof - Circuit Diagram (1 Of 2)
G07550543Courtesy of © TOYOTA, LICENSE AGREEMENT TMS1002
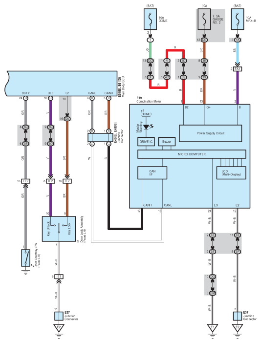
Fig 2: Sliding Roof - Circuit Diagram (2 Of 2)
G07550544Courtesy of © TOYOTA, LICENSE AGREEMENT TMS1002