LEMON Manuals: Even more car manuals for everyone: 1960-2025
Home >> Lexus >> 2011 >> GS 350 AWD >> Repair and Diagnosis >> Electrical >> Body Electrical >> OEM System Circuits >> Air Conditioning >> Notes
April 5, 2026: LEMON Manuals is launched! Read the announcement.

Air Conditioning: Notes

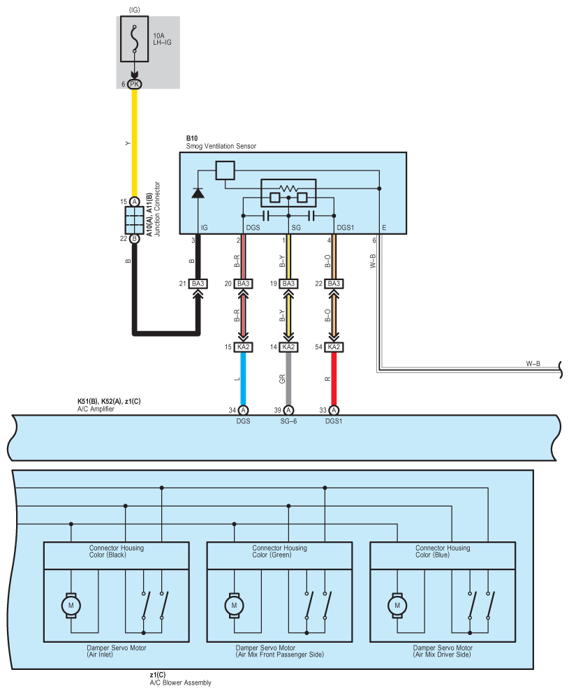
Fig 1: Air Conditioning - Circuit Diagram (1 Of 8)
G07573436Courtesy of © TOYOTA, LICENSE AGREEMENT TMS1002
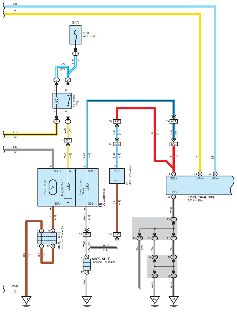
Fig 2: Air Conditioning - Circuit Diagram (2 Of 8)
G07573437Courtesy of © TOYOTA, LICENSE AGREEMENT TMS1002
Fig 3: Air Conditioning - Circuit Diagram (3 Of 8)
G07573438Courtesy of © TOYOTA, LICENSE AGREEMENT TMS1002
Fig 4: Air Conditioning - Circuit Diagram (4 Of 8)
G07573439Courtesy of © TOYOTA, LICENSE AGREEMENT TMS1002
Fig 5: Air Conditioning - Circuit Diagram (5 Of 8)
G07573440Courtesy of © TOYOTA, LICENSE AGREEMENT TMS1002
Fig 6: Air Conditioning - Circuit Diagram (6 Of 8)
G07573441Courtesy of © TOYOTA, LICENSE AGREEMENT TMS1002
Fig 7: Air Conditioning - Circuit Diagram (7 Of 8)
G07573442Courtesy of © TOYOTA, LICENSE AGREEMENT TMS1002
Fig 8: Air Conditioning - Circuit Diagram (8 Of 8)
G07573443Courtesy of © TOYOTA, LICENSE AGREEMENT TMS1002