LEMON Manuals: Even more car manuals for everyone: 1960-2025
Home >> Lexus >> 2011 >> GS 350 AWD >> Repair and Diagnosis >> Electrical >> Body Electrical >> OEM System Circuits >> Rear Window Defogger >> Notes
April 5, 2026: LEMON Manuals is launched! Read the announcement.

Rear Window Defogger: Notes

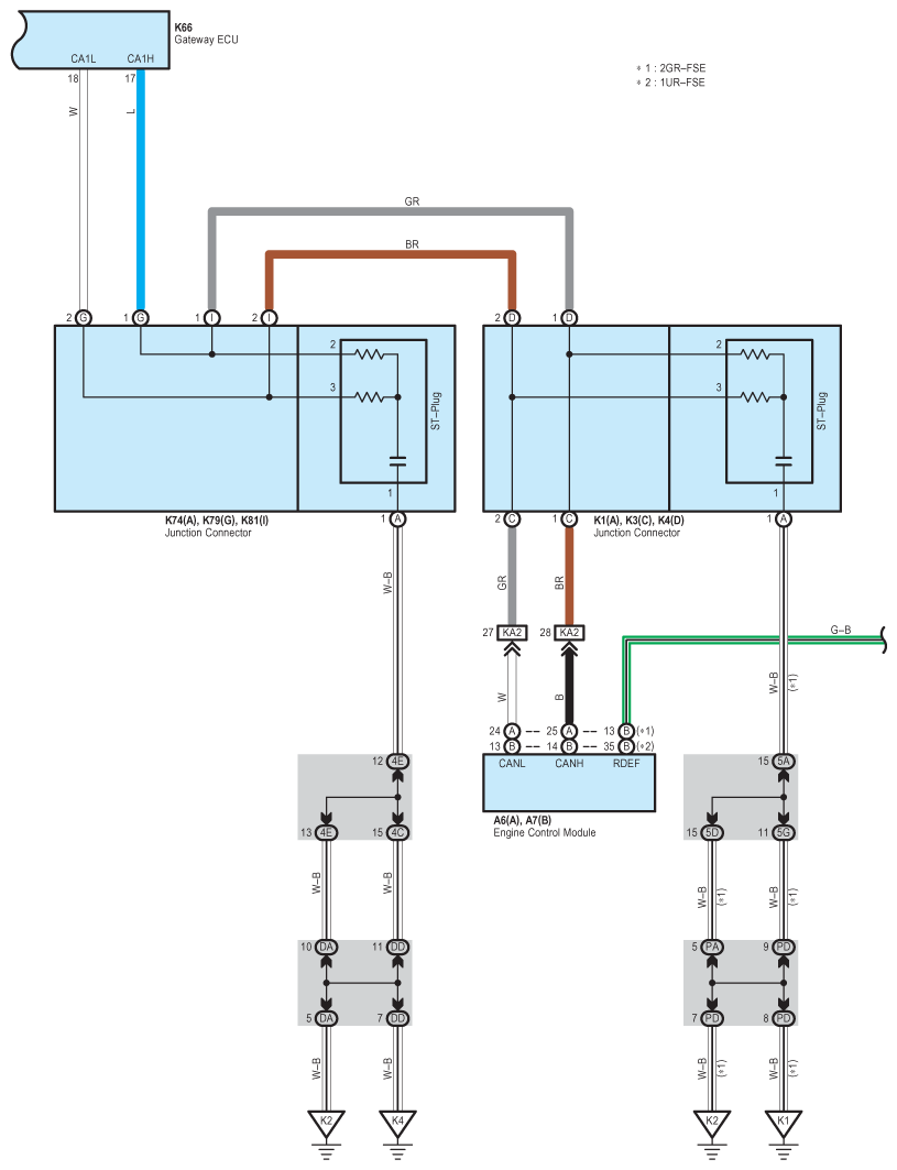
Fig 1: Rear Window Defogger - Circuit Diagram (1 Of 3)
G07573390Courtesy of © TOYOTA, LICENSE AGREEMENT TMS1002
Fig 2: Rear Window Defogger - Circuit Diagram (2 Of 3)
G07573391Courtesy of © TOYOTA, LICENSE AGREEMENT TMS1002
Fig 3: Rear Window Defogger - Circuit Diagram (3 Of 3)
G07573392Courtesy of © TOYOTA, LICENSE AGREEMENT TMS1002