LEMON Manuals: Even more car manuals for everyone: 1960-2025
Home >> Lexus >> 2011 >> GS 450h >> Repair and Diagnosis (Single Page) >> Electrical >> Body Electrical >> OEM System Circuits >> Pre-Collision System >> Notes
April 5, 2026: LEMON Manuals is launched! Read the announcement.

Pre-Collision System: Notes

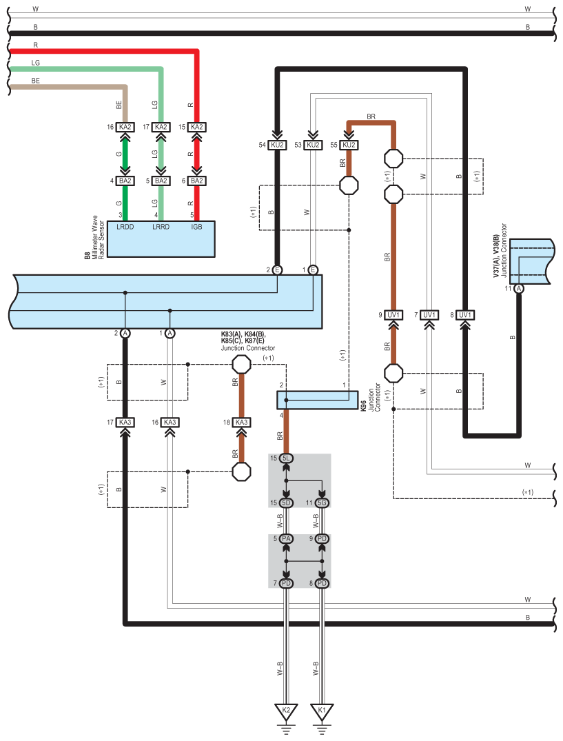
Fig 1: Pre-Collision System - Circuit Diagram (1 Of 10)
G07570254Courtesy of © TOYOTA, LICENSE AGREEMENT TMS1002
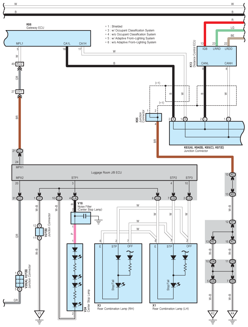
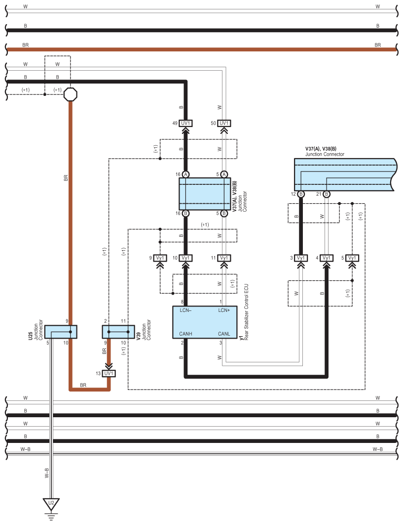
Fig 2: Pre-Collision System - Circuit Diagram (2 Of 10)
G07570255Courtesy of © TOYOTA, LICENSE AGREEMENT TMS1002
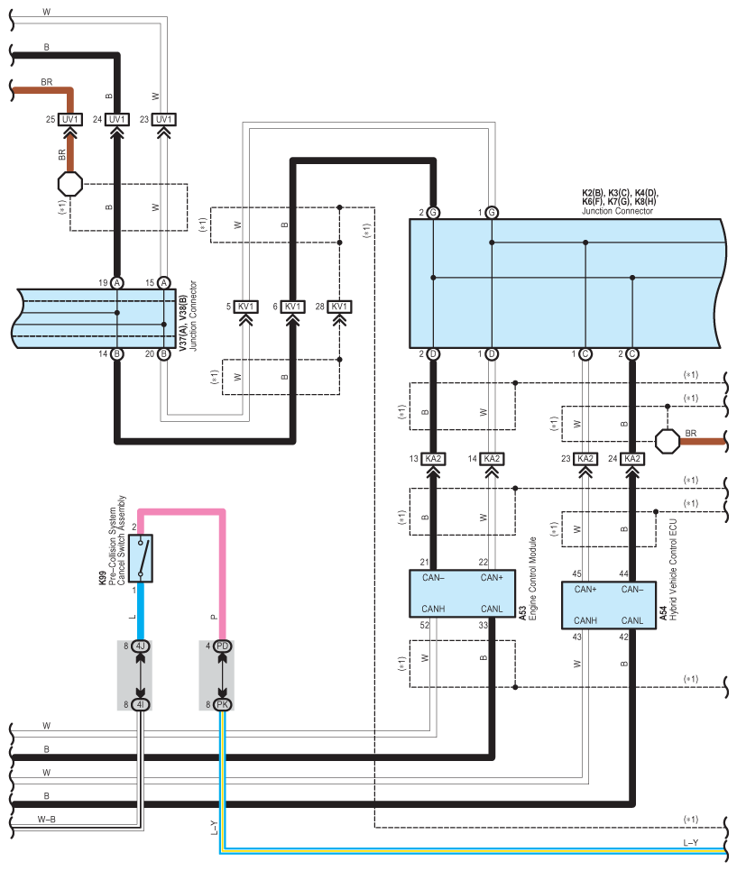
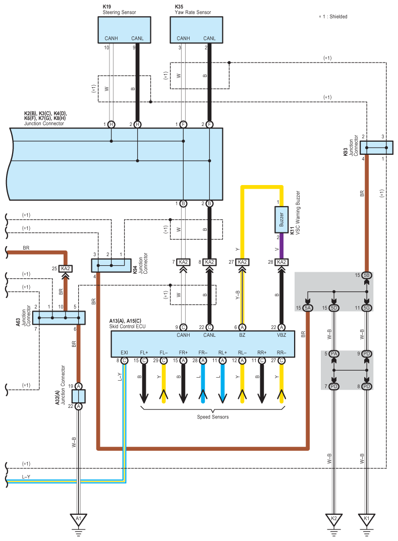
Fig 3: Pre-Collision System - Circuit Diagram (3 Of 10)
G07570256Courtesy of © TOYOTA, LICENSE AGREEMENT TMS1002
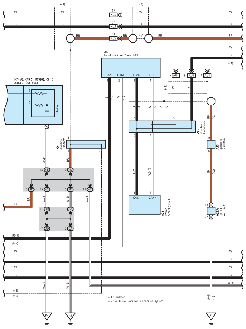
Fig 4: Pre-Collision System - Circuit Diagram (4 Of 10)
G07570257Courtesy of © TOYOTA, LICENSE AGREEMENT TMS1002
Fig 5: Pre-Collision System - Circuit Diagram (5 Of 10)
G07570258Courtesy of © TOYOTA, LICENSE AGREEMENT TMS1002
Fig 6: Pre-Collision System - Circuit Diagram (6 Of 10)
G07570259Courtesy of © TOYOTA, LICENSE AGREEMENT TMS1002
Fig 7: Pre-Collision System - Circuit Diagram (7 Of 10)
G07570260Courtesy of © TOYOTA, LICENSE AGREEMENT TMS1002
Fig 8: Pre-Collision System - Circuit Diagram (8 Of 10)
G07570261Courtesy of © TOYOTA, LICENSE AGREEMENT TMS1002
Fig 9: Pre-Collision System - Circuit Diagram (9 Of 10)
G07570262Courtesy of © TOYOTA, LICENSE AGREEMENT TMS1002
Fig 10: Pre-Collision System - Circuit Diagram (10 Of 10)
G07570263Courtesy of © TOYOTA, LICENSE AGREEMENT TMS1002