LEMON Manuals: Even more car manuals for everyone: 1960-2025
Home >> Lexus >> 2011 >> GS 450h >> Repair and Diagnosis >> Electrical >> Body Electrical >> OEM System Circuits >> Mirror Heater >> Notes
April 5, 2026: LEMON Manuals is launched! Read the announcement.

Mirror Heater: Notes

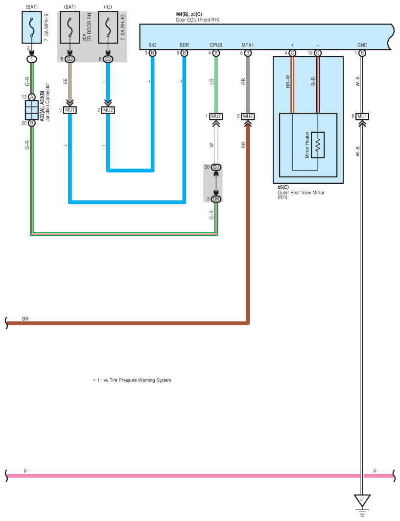
Fig 1: Mirror Heater - Circuit Diagram (1 Of 3)
G07570345Courtesy of © TOYOTA, LICENSE AGREEMENT TMS1002
Fig 2: Mirror Heater - Circuit Diagram (2 Of 3)
G07570346Courtesy of © TOYOTA, LICENSE AGREEMENT TMS1002
Fig 3: Mirror Heater - Circuit Diagram (3 Of 3)
G07570347Courtesy of © TOYOTA, LICENSE AGREEMENT TMS1002