LEMON Manuals: Even more car manuals for everyone: 1960-2025
Home >> Lexus >> 2011 >> GS 460 >> Repair and Diagnosis >> Electrical >> Body Electrical >> OEM System Circuits >> Dynamic Radar Cruise Control (2GR-FSE) >> Notes
April 5, 2026: LEMON Manuals is launched! Read the announcement.

Dynamic Radar Cruise Control (2GR-FSE): Notes

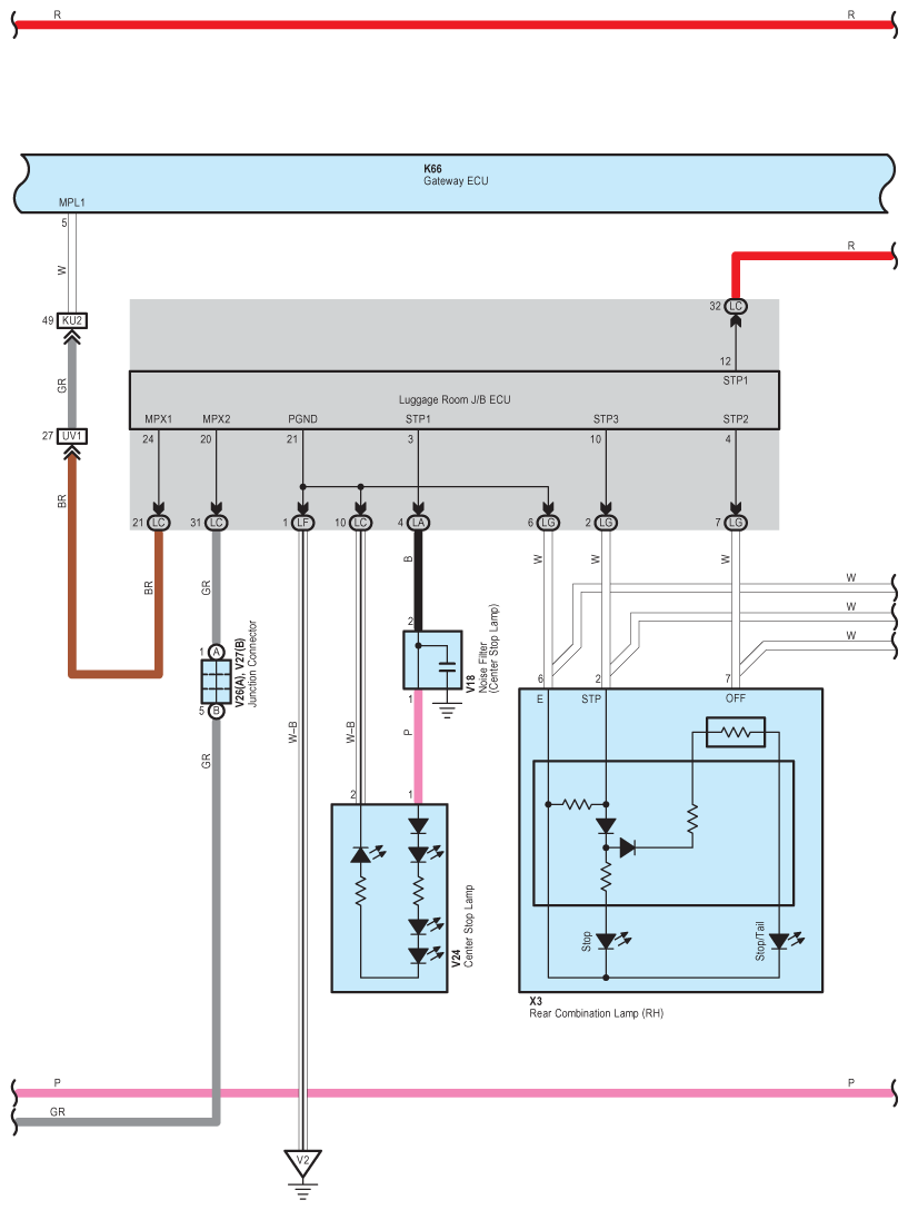
Fig 1: Dynamic Radar Cruise Control (2GR-FSE) - Circuit Diagram (1 Of 14)
G07573220Courtesy of © TOYOTA, LICENSE AGREEMENT TMS1002
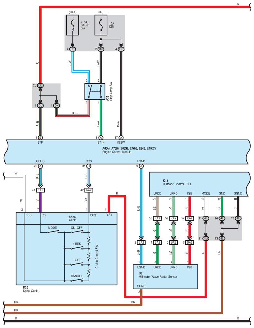
Fig 2: Dynamic Radar Cruise Control (2GR-FSE) - Circuit Diagram (2 Of 14)
G07573221Courtesy of © TOYOTA, LICENSE AGREEMENT TMS1002
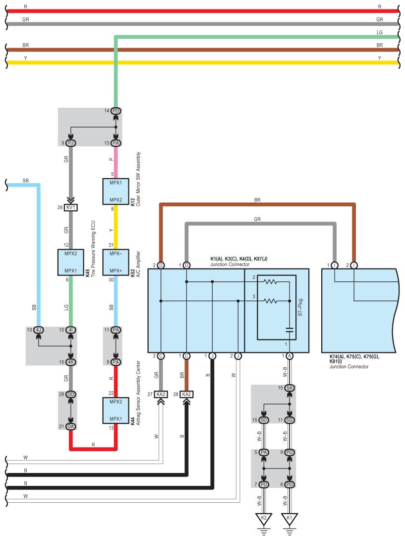
Fig 3: Dynamic Radar Cruise Control (2GR-FSE) - Circuit Diagram (3 Of 14)
G07573222Courtesy of © TOYOTA, LICENSE AGREEMENT TMS1002
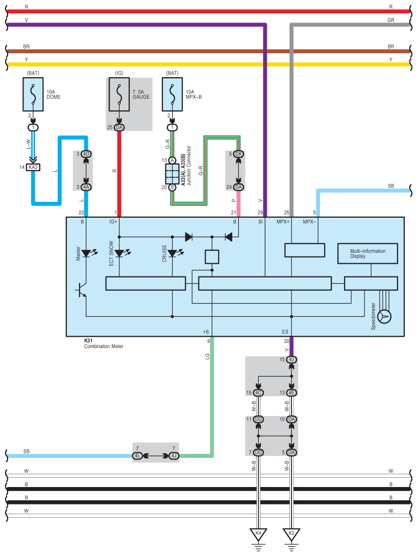
Fig 4: Dynamic Radar Cruise Control (2GR-FSE) - Circuit Diagram (4 Of 14)
G07573223Courtesy of © TOYOTA, LICENSE AGREEMENT TMS1002
Fig 5: Dynamic Radar Cruise Control (2GR-FSE) - Circuit Diagram (5 Of 14)
G07573224Courtesy of © TOYOTA, LICENSE AGREEMENT TMS1002
Fig 6: Dynamic Radar Cruise Control (2GR-FSE) - Circuit Diagram (6 Of 14)
G07573225Courtesy of © TOYOTA, LICENSE AGREEMENT TMS1002
Fig 7: Dynamic Radar Cruise Control (2GR-FSE) - Circuit Diagram (7 Of 14)
G07573226Courtesy of © TOYOTA, LICENSE AGREEMENT TMS1002
Fig 8: Dynamic Radar Cruise Control (2GR-FSE) - Circuit Diagram (8 Of 14)
G07573227Courtesy of © TOYOTA, LICENSE AGREEMENT TMS1002
Fig 9: Dynamic Radar Cruise Control (2GR-FSE) - Circuit Diagram (9 Of 14)
G07573228Courtesy of © TOYOTA, LICENSE AGREEMENT TMS1002
Fig 10: Dynamic Radar Cruise Control (2GR-FSE) - Circuit Diagram (10 Of 14)
G07573229Courtesy of © TOYOTA, LICENSE AGREEMENT TMS1002
Fig 11: Dynamic Radar Cruise Control (2GR-FSE) - Circuit Diagram (11 Of 14)
G07573230Courtesy of © TOYOTA, LICENSE AGREEMENT TMS1002
Fig 12: Dynamic Radar Cruise Control (2GR-FSE) - Circuit Diagram (12 Of 14)
G07573231Courtesy of © TOYOTA, LICENSE AGREEMENT TMS1002
Fig 13: Dynamic Radar Cruise Control (2GR-FSE) - Circuit Diagram (13 Of 14)
G07573232Courtesy of © TOYOTA, LICENSE AGREEMENT TMS1002
Fig 14: Dynamic Radar Cruise Control (2GR-FSE) - Circuit Diagram (14 Of 14)
G07573233Courtesy of © TOYOTA, LICENSE AGREEMENT TMS1002