LEMON Manuals: Even more car manuals for everyone: 1960-2025
Home >> Lexus >> 2011 >> GS 460 >> Repair and Diagnosis >> Electrical >> Body Electrical >> OEM System Circuits >> Multiplex Communication System (CAN) >> Notes
April 5, 2026: LEMON Manuals is launched! Read the announcement.

Multiplex Communication System (CAN): Notes

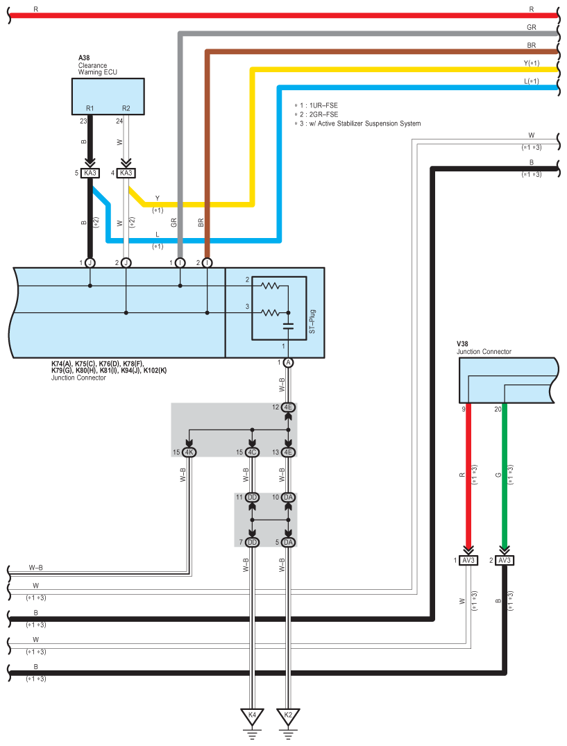
Fig 1: Multiplex Communication System (CAN) - Circuit Diagram (1 Of 6)
G07573040Courtesy of © TOYOTA, LICENSE AGREEMENT TMS1002
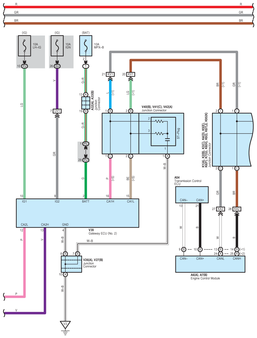
Fig 2: Multiplex Communication System (CAN) - Circuit Diagram (2 Of 6)
G07573041Courtesy of © TOYOTA, LICENSE AGREEMENT TMS1002
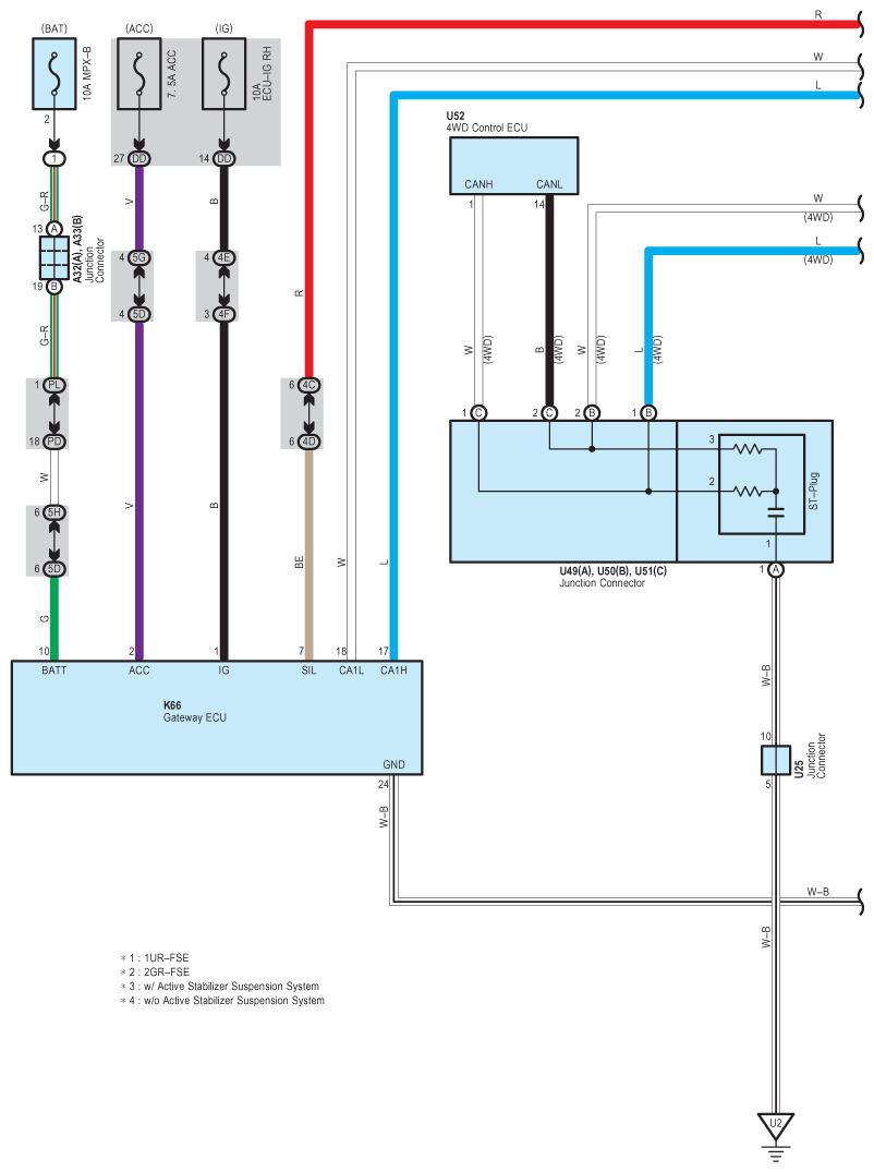
Fig 3: Multiplex Communication System (CAN) - Circuit Diagram (3 Of 6)
G07573042Courtesy of © TOYOTA, LICENSE AGREEMENT TMS1002
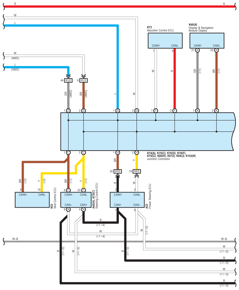
Fig 4: Multiplex Communication System (CAN) - Circuit Diagram (4 Of 6)
G07573043Courtesy of © TOYOTA, LICENSE AGREEMENT TMS1002
Fig 5: Multiplex Communication System (CAN) - Circuit Diagram (5 Of 6)
G07573044Courtesy of © TOYOTA, LICENSE AGREEMENT TMS1002
Fig 6: Multiplex Communication System (CAN) - Circuit Diagram (6 Of 6)
G07573045Courtesy of © TOYOTA, LICENSE AGREEMENT TMS1002