LEMON Manuals: Even more car manuals for everyone: 1960-2025
Home >> Lexus >> 2011 >> GS 460 >> Repair and Diagnosis >> Electrical >> Body Electrical >> OEM System Circuits >> Push-Button Start, Engine Immobiliser and Steering Lock >> Notes
April 5, 2026: LEMON Manuals is launched! Read the announcement.

Push-Button Start, Engine Immobiliser and Steering Lock: Notes

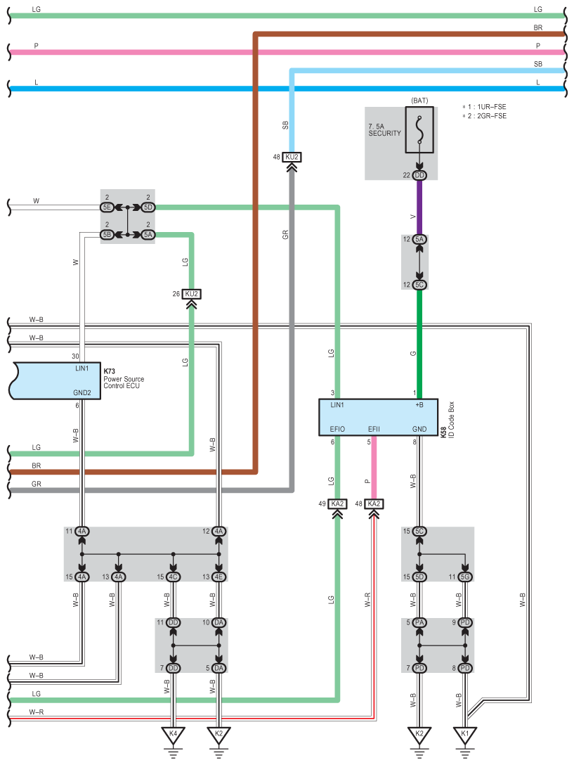
Fig 1: Push-Button Start, Engine Immobiliser And Steering Lock - Circuit Diagram (1 Of 7)
G07572976Courtesy of © TOYOTA, LICENSE AGREEMENT TMS1002
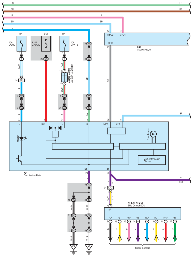
Fig 2: Push-Button Start, Engine Immobiliser And Steering Lock - Circuit Diagram (2 Of 7)
G07572977Courtesy of © TOYOTA, LICENSE AGREEMENT TMS1002
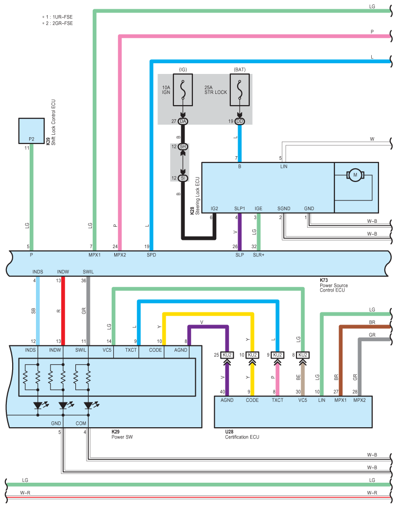
Fig 3: Push-Button Start, Engine Immobiliser And Steering Lock - Circuit Diagram (3 Of 7)
G07572978Courtesy of © TOYOTA, LICENSE AGREEMENT TMS1002
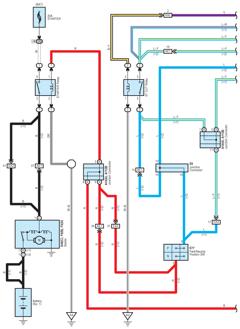
Fig 4: Push-Button Start, Engine Immobiliser And Steering Lock - Circuit Diagram (4 Of 7)
G07572979Courtesy of © TOYOTA, LICENSE AGREEMENT TMS1002
Fig 5: Push-Button Start, Engine Immobiliser And Steering Lock - Circuit Diagram (5 Of 7)
G07572980Courtesy of © TOYOTA, LICENSE AGREEMENT TMS1002
Fig 6: Push-Button Start, Engine Immobiliser And Steering Lock - Circuit Diagram (6 Of 7)
G07572981Courtesy of © TOYOTA, LICENSE AGREEMENT TMS1002
Fig 7: Push-Button Start, Engine Immobiliser And Steering Lock - Circuit Diagram (7 Of 7)
G07572982Courtesy of © TOYOTA, LICENSE AGREEMENT TMS1002