LEMON Manuals: Even more car manuals for everyone: 1960-2025
Home >> Lexus >> 2011 >> GX 460 >> Repair and Diagnosis >> Electrical >> Body Electrical >> OEM System Circuits >> Engine Control, Cruise Control, Electronically Controlled Transmission and A/T Indicator >> Notes
April 5, 2026: LEMON Manuals is launched! Read the announcement.

Engine Control, Cruise Control, Electronically Controlled Transmission and A/T Indicator: Notes

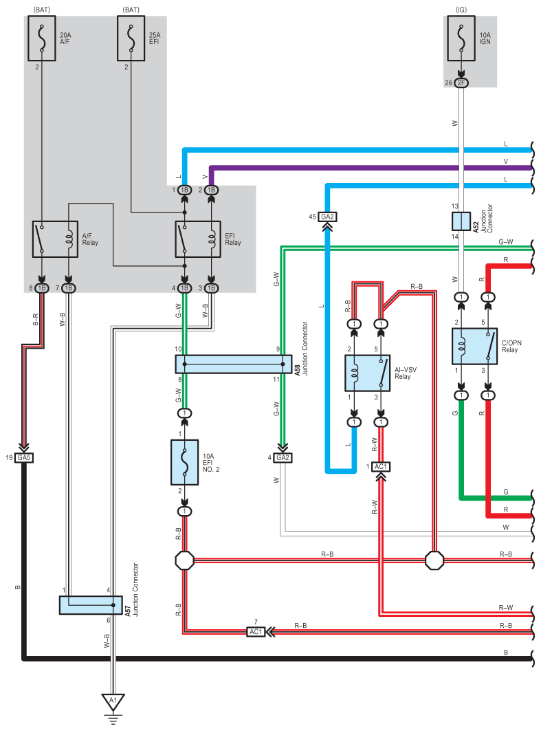
Fig 1: Engine Control, Cruise Control, Electronically Controlled Transmission And A/T Indicator - Circuit Diagram (1 Of 26)
G07580494Courtesy of © TOYOTA, LICENSE AGREEMENT TMS1002
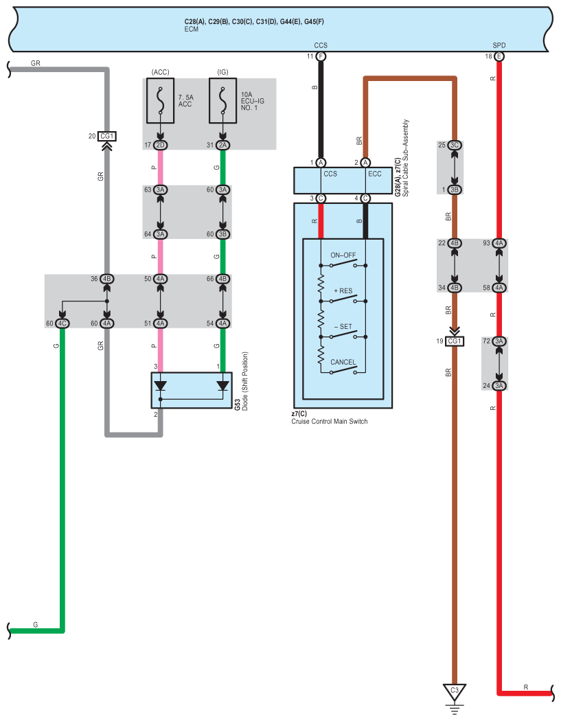
Fig 2: Engine Control, Cruise Control, Electronically Controlled Transmission And A/T Indicator - Circuit Diagram (2 Of 26)
G07580495Courtesy of © TOYOTA, LICENSE AGREEMENT TMS1002
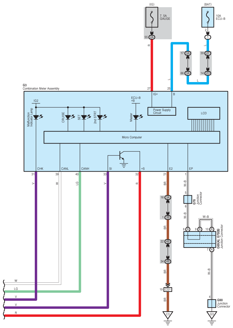
Fig 3: Engine Control, Cruise Control, Electronically Controlled Transmission And A/T Indicator - Circuit Diagram (3 Of 26)
G07580496Courtesy of © TOYOTA, LICENSE AGREEMENT TMS1002
Fig 4: Engine Control, Cruise Control, Electronically Controlled Transmission And A/T Indicator - Circuit Diagram (4 Of 26)
G07580497Courtesy of © TOYOTA, LICENSE AGREEMENT TMS1002
Fig 5: Engine Control, Cruise Control, Electronically Controlled Transmission And A/T Indicator - Circuit Diagram (5 Of 26)
G07580498Courtesy of © TOYOTA, LICENSE AGREEMENT TMS1002
Fig 6: Engine Control, Cruise Control, Electronically Controlled Transmission And A/T Indicator - Circuit Diagram (6 Of 26)
G07580499Courtesy of © TOYOTA, LICENSE AGREEMENT TMS1002
Fig 7: Engine Control, Cruise Control, Electronically Controlled Transmission And A/T Indicator - Circuit Diagram (7 Of 26)
G07580500Courtesy of © TOYOTA, LICENSE AGREEMENT TMS1002
Fig 8: Engine Control, Cruise Control, Electronically Controlled Transmission And A/T Indicator - Circuit Diagram (8 Of 26)
G07580501Courtesy of © TOYOTA, LICENSE AGREEMENT TMS1002
Fig 9: Engine Control, Cruise Control, Electronically Controlled Transmission And A/T Indicator - Circuit Diagram (9 Of 26)
G07580502Courtesy of © TOYOTA, LICENSE AGREEMENT TMS1002
Fig 10: Engine Control, Cruise Control, Electronically Controlled Transmission And A/T Indicator - Circuit Diagram (10 Of 26)
G07580503Courtesy of © TOYOTA, LICENSE AGREEMENT TMS1002
Fig 11: Engine Control, Cruise Control, Electronically Controlled Transmission And A/T Indicator - Circuit Diagram (11 Of 26)
G07580504Courtesy of © TOYOTA, LICENSE AGREEMENT TMS1002
Fig 12: Engine Control, Cruise Control, Electronically Controlled Transmission And A/T Indicator - Circuit Diagram (12 Of 26)
G07580505Courtesy of © TOYOTA, LICENSE AGREEMENT TMS1002
Fig 13: Engine Control, Cruise Control, Electronically Controlled Transmission And A/T Indicator - Circuit Diagram (13 Of 26)
G07580506Courtesy of © TOYOTA, LICENSE AGREEMENT TMS1002
Fig 14: Engine Control, Cruise Control, Electronically Controlled Transmission And A/T Indicator - Circuit Diagram (14 Of 26)
G07580507Courtesy of © TOYOTA, LICENSE AGREEMENT TMS1002
Fig 15: Engine Control, Cruise Control, Electronically Controlled Transmission And A/T Indicator - Circuit Diagram (15 Of 26)
G07580508Courtesy of © TOYOTA, LICENSE AGREEMENT TMS1002
Fig 16: Engine Control, Cruise Control, Electronically Controlled Transmission And A/T Indicator - Circuit Diagram (16 Of 26)
G07580509Courtesy of © TOYOTA, LICENSE AGREEMENT TMS1002
Fig 17: Engine Control, Cruise Control, Electronically Controlled Transmission And A/T Indicator - Circuit Diagram (17 Of 26)
G07580510Courtesy of © TOYOTA, LICENSE AGREEMENT TMS1002
Fig 18: Engine Control, Cruise Control, Electronically Controlled Transmission And A/T Indicator - Circuit Diagram (18 Of 26)
G07580511Courtesy of © TOYOTA, LICENSE AGREEMENT TMS1002
Fig 19: Engine Control, Cruise Control, Electronically Controlled Transmission And A/T Indicator - Circuit Diagram (19 Of 26)
G07580512Courtesy of © TOYOTA, LICENSE AGREEMENT TMS1002
Fig 20: Engine Control, Cruise Control, Electronically Controlled Transmission And A/T Indicator - Circuit Diagram (20 Of 26)
G07580513Courtesy of © TOYOTA, LICENSE AGREEMENT TMS1002
Fig 21: Engine Control, Cruise Control, Electronically Controlled Transmission And A/T Indicator - Circuit Diagram (21 Of 26)
G07580514Courtesy of © TOYOTA, LICENSE AGREEMENT TMS1002
Fig 22: Engine Control, Cruise Control, Electronically Controlled Transmission And A/T Indicator - Circuit Diagram (22 Of 26)
G07580515Courtesy of © TOYOTA, LICENSE AGREEMENT TMS1002
Fig 23: Engine Control, Cruise Control, Electronically Controlled Transmission And A/T Indicator - Circuit Diagram (23 Of 26)
G07580516Courtesy of © TOYOTA, LICENSE AGREEMENT TMS1002
Fig 24: Engine Control, Cruise Control, Electronically Controlled Transmission And A/T Indicator - Circuit Diagram (24 Of 26)
G07580517Courtesy of © TOYOTA, LICENSE AGREEMENT TMS1002
Fig 25: Engine Control, Cruise Control, Electronically Controlled Transmission And A/T Indicator - Circuit Diagram (25 Of 26)
G07580518Courtesy of © TOYOTA, LICENSE AGREEMENT TMS1002
Fig 26: Engine Control, Cruise Control, Electronically Controlled Transmission And A/T Indicator - Circuit Diagram (26 Of 26)
G07580519Courtesy of © TOYOTA, LICENSE AGREEMENT TMS1002