LEMON Manuals: Even more car manuals for everyone: 1960-2025
Home >> Lexus >> 2011 >> GX 460 >> Repair and Diagnosis >> Electrical >> Body Electrical >> OEM System Circuits >> Multiplex Communication System (CAN) >> Notes
April 5, 2026: LEMON Manuals is launched! Read the announcement.

Multiplex Communication System (CAN): Notes

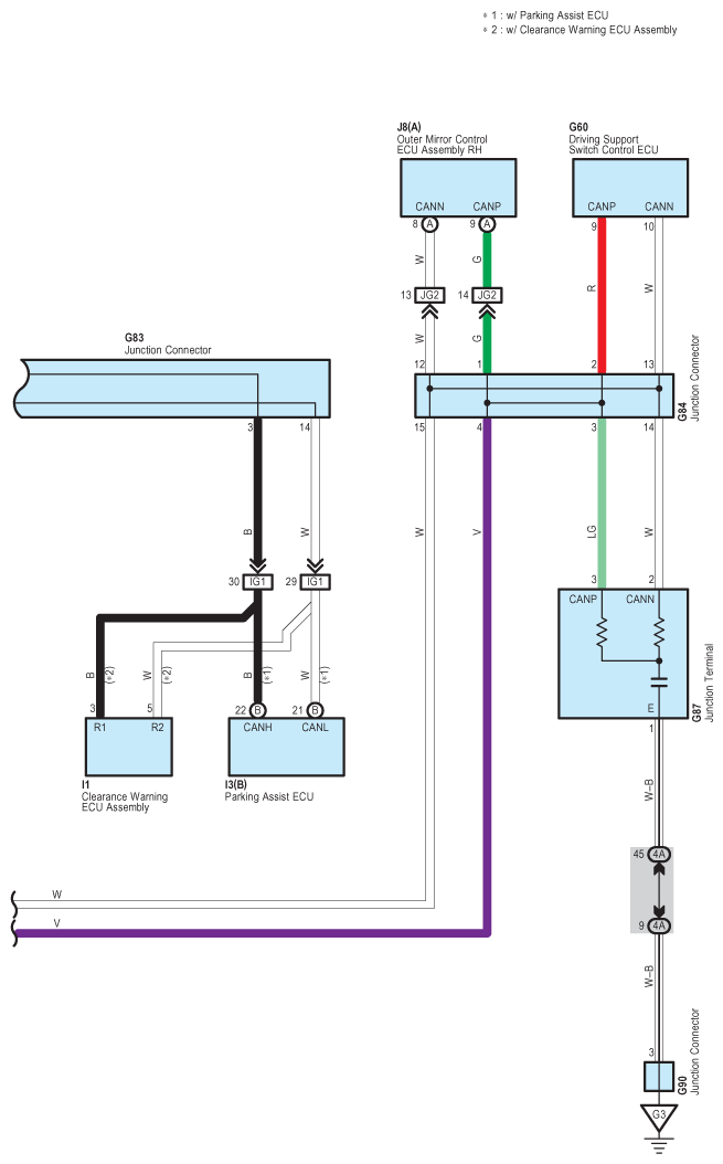
Fig 1: Multiplex Communication System (CAN) - Circuit Diagram (1 Of 6)
G07580521Courtesy of © TOYOTA, LICENSE AGREEMENT TMS1002
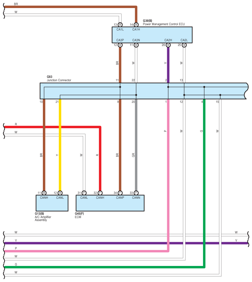
Fig 2: Multiplex Communication System (CAN) - Circuit Diagram (2 Of 6)
G07580522Courtesy of © TOYOTA, LICENSE AGREEMENT TMS1002
Fig 3: Multiplex Communication System (CAN) - Circuit Diagram (3 Of 6)
G07580523Courtesy of © TOYOTA, LICENSE AGREEMENT TMS1002
Fig 4: Multiplex Communication System (CAN) - Circuit Diagram (4 Of 6)
G07580524Courtesy of © TOYOTA, LICENSE AGREEMENT TMS1002
Fig 5: Multiplex Communication System (CAN) - Circuit Diagram (5 Of 6)
G07580525Courtesy of © TOYOTA, LICENSE AGREEMENT TMS1002
Fig 6: Multiplex Communication System (CAN) - Circuit Diagram (6 Of 6)
G07580526Courtesy of © TOYOTA, LICENSE AGREEMENT TMS1002