LEMON Manuals: Even more car manuals for everyone: 1960-2025
Home >> Lexus >> 2011 >> GX 460 >> Repair and Diagnosis >> Engine Performance >> System >> Engine Control System (Diagnostics - Introduction) >> SFI System >> System Diagram >> System Diagram
April 5, 2026: LEMON Manuals is launched! Read the announcement.

System Diagram

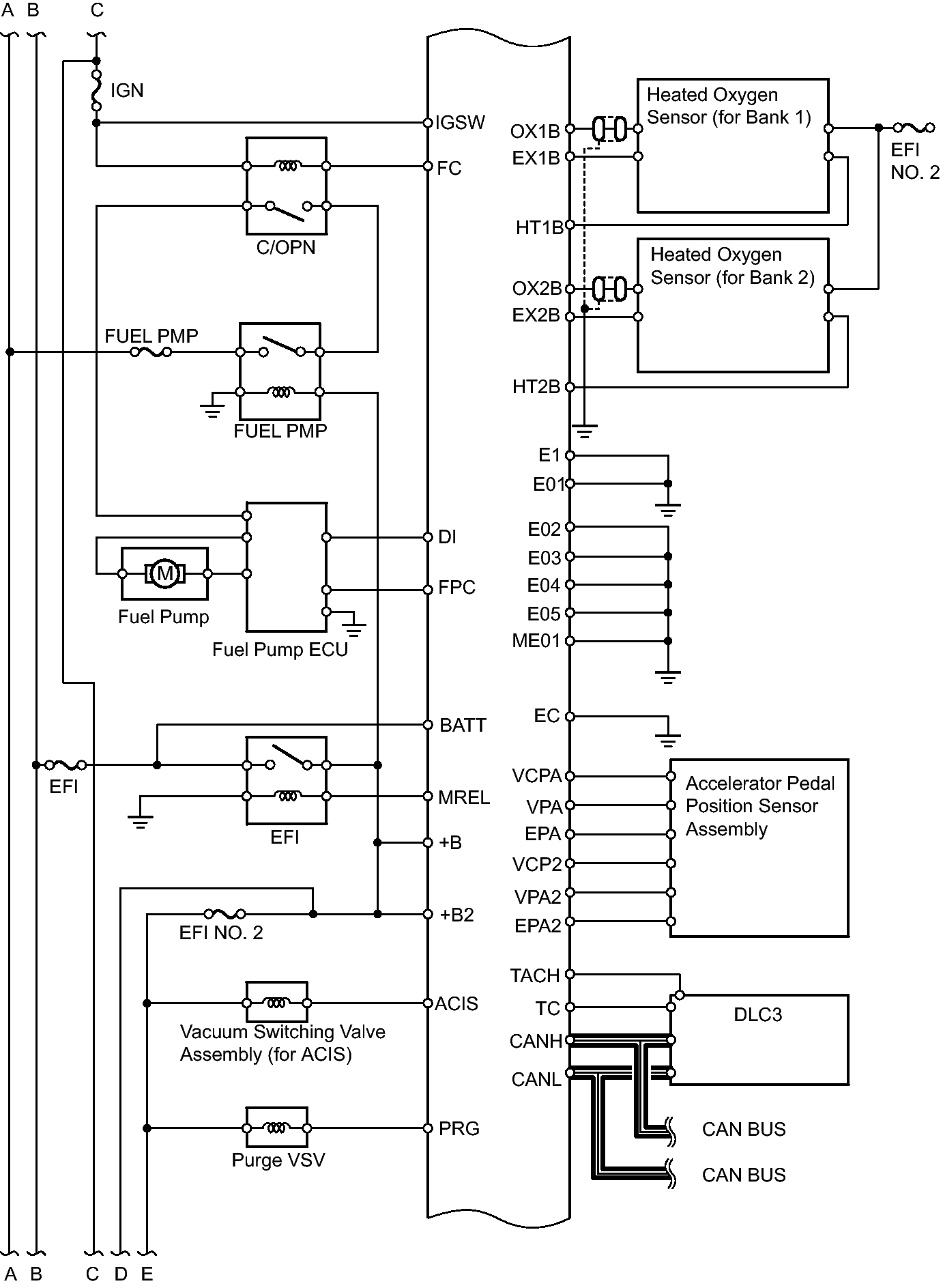
Fig 1: Identifying Engine Control System Diagram (1 Of 6)
GTY283138Courtesy of © TOYOTA, LICENSE AGREEMENT TMS1002
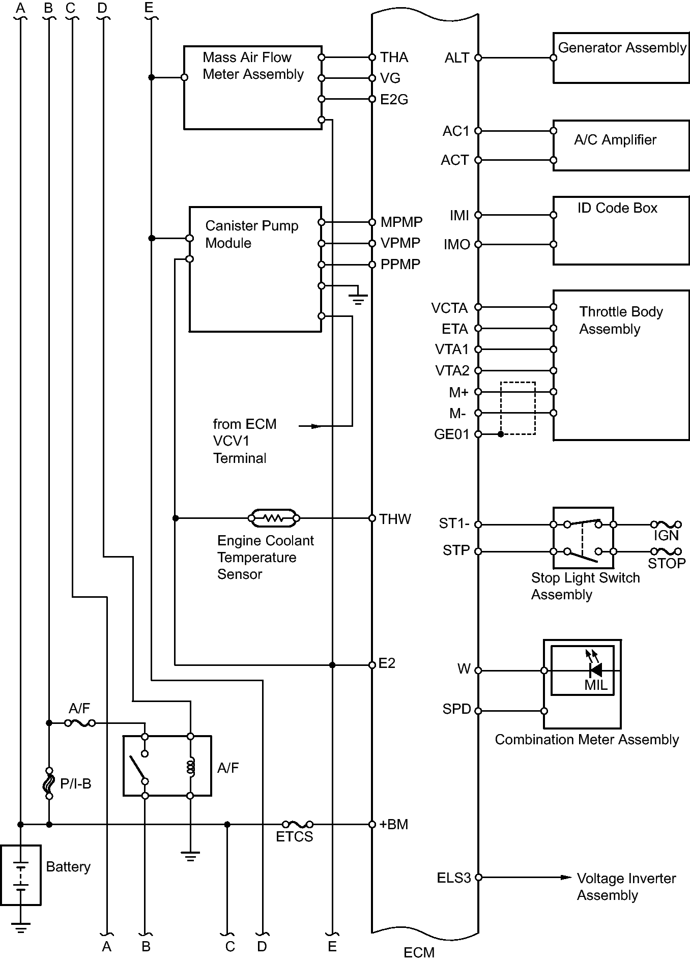
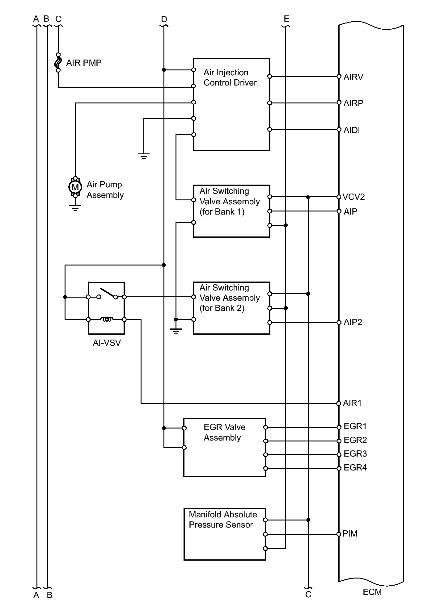
Fig 2: Identifying Engine Control System Diagram (2 Of 6)
GTY353954Courtesy of © TOYOTA, LICENSE AGREEMENT TMS1002
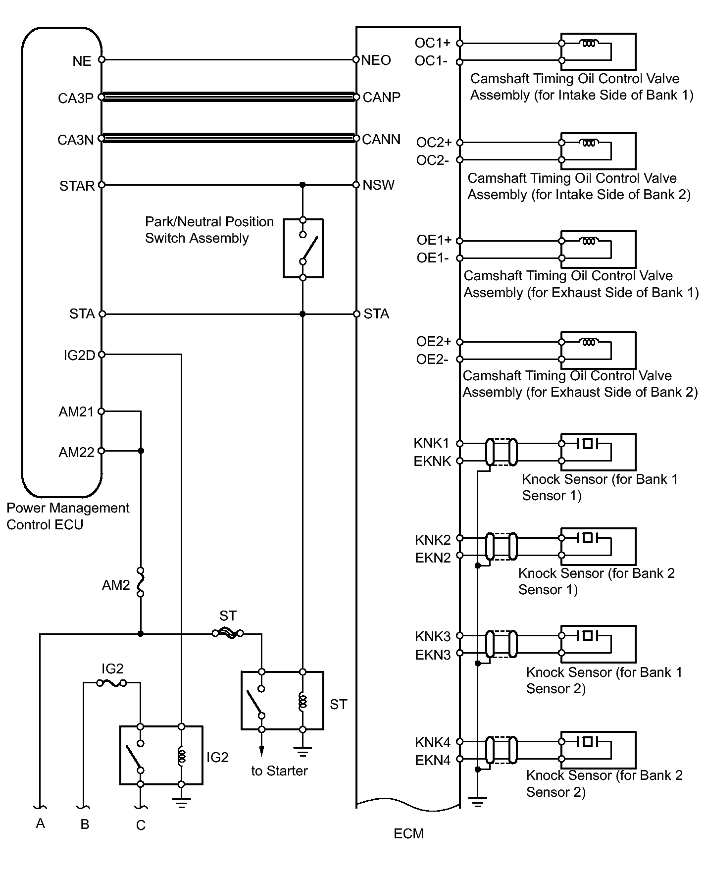
Fig 3: Identifying Engine Control System Diagram (3 Of 6)
GTY274557Courtesy of © TOYOTA, LICENSE AGREEMENT TMS1002
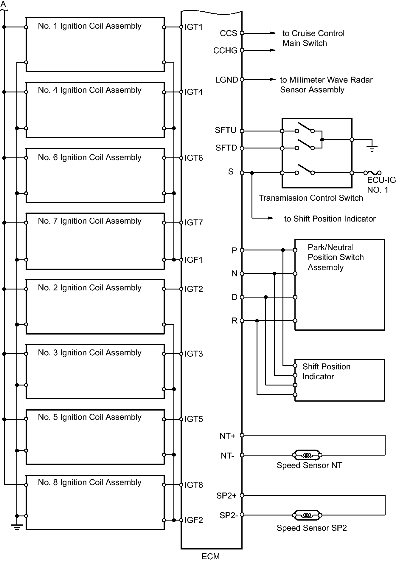
Fig 4: Identifying Engine Control System Diagram (4 Of 6)
GTY281108Courtesy of © TOYOTA, LICENSE AGREEMENT TMS1002
Fig 5: Identifying Engine Control System Diagram (5 Of 6)
GTY272854Courtesy of © TOYOTA, LICENSE AGREEMENT TMS1002
Fig 6: Identifying Engine Control System Diagram (6 Of 6)
GTY357016Courtesy of © TOYOTA, LICENSE AGREEMENT TMS1002