LEMON Manuals: Even more car manuals for everyone: 1960-2025
Home >> Lexus >> 2011 >> HS 250h >> Repair and Diagnosis (Single Page) >> External Pages >> Different car >> Section 109 (OEM System Circuits) >> Audio System (w/ LEXUS Navigation System), LEXUS Navigation System, LEXUS ENFORM and Parking Assist (Rear View Monitor) (w/o Wide-View Front Monitor) >> Notes
April 5, 2026: LEMON Manuals is launched! Read the announcement.

Audio System (w/ LEXUS Navigation System), LEXUS Navigation System, LEXUS ENFORM and Parking Assist (Rear View Monitor) (w/o Wide-View Front Monitor): Notes

WARNING: This page is about a different car, the 2010 Lexus HS 250h. However, it is still accessible from the selected car via links, so may be relevant.
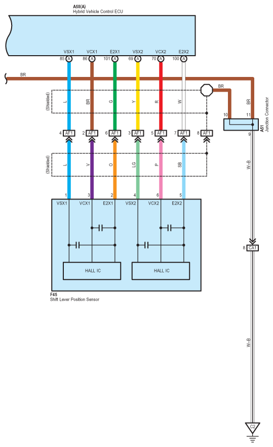
Fig 1: Audio System (W/ Lexus Navigation System), Lexus Navigation System, Lexus Enform And Parking Assist (Rear View Monitor) (W/O Wide-View Front Monitor) - Circuit Diagram (1 Of 26)
G07558633Courtesy of © TOYOTA, LICENSE AGREEMENT TMS1002
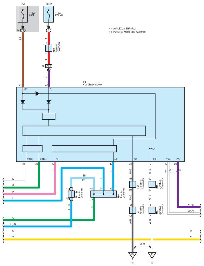
Fig 2: Audio System (W/ Lexus Navigation System), Lexus Navigation System, Lexus Enform And Parking Assist (Rear View Monitor) (W/O Wide-View Front Monitor) - Circuit Diagram (2 Of 26)
G07558634Courtesy of © TOYOTA, LICENSE AGREEMENT TMS1002
Fig 3: Audio System (W/ Lexus Navigation System), Lexus Navigation System, Lexus Enform And Parking Assist (Rear View Monitor) (W/O Wide-View Front Monitor) - Circuit Diagram (3 Of 26)
G07558635Courtesy of © TOYOTA, LICENSE AGREEMENT TMS1002
Fig 4: Audio System (W/ Lexus Navigation System), Lexus Navigation System, Lexus Enform And Parking Assist (Rear View Monitor) (W/O Wide-View Front Monitor) - Circuit Diagram (4 Of 26)
G07558636Courtesy of © TOYOTA, LICENSE AGREEMENT TMS1002
Fig 5: Audio System (W/ Lexus Navigation System), Lexus Navigation System, Lexus Enform And Parking Assist (Rear View Monitor) (W/O Wide-View Front Monitor) - Circuit Diagram (5 Of 26)
G07558637Courtesy of © TOYOTA, LICENSE AGREEMENT TMS1002
Fig 6: Audio System (W/ Lexus Navigation System), Lexus Navigation System, Lexus Enform And Parking Assist (Rear View Monitor) (W/O Wide-View Front Monitor) - Circuit Diagram (6 Of 26)
G07558638Courtesy of © TOYOTA, LICENSE AGREEMENT TMS1002
Fig 7: Audio System (W/ Lexus Navigation System), Lexus Navigation System, Lexus Enform And Parking Assist (Rear View Monitor) (W/O Wide-View Front Monitor) - Circuit Diagram (7 Of 26)
G07558639Courtesy of © TOYOTA, LICENSE AGREEMENT TMS1002
Fig 8: Audio System (W/ Lexus Navigation System), Lexus Navigation System, Lexus Enform And Parking Assist (Rear View Monitor) (W/O Wide-View Front Monitor) - Circuit Diagram (8 Of 26)
G07558640Courtesy of © TOYOTA, LICENSE AGREEMENT TMS1002
Fig 9: Audio System (W/ Lexus Navigation System), Lexus Navigation System, Lexus Enform And Parking Assist (Rear View Monitor) (W/O Wide-View Front Monitor) - Circuit Diagram (9 Of 26)
G07558641Courtesy of © TOYOTA, LICENSE AGREEMENT TMS1002
Fig 10: Audio System (W/ Lexus Navigation System), Lexus Navigation System, Lexus Enform And Parking Assist (Rear View Monitor) (W/O Wide-View Front Monitor) - Circuit Diagram (10 Of 26)
G07558642Courtesy of © TOYOTA, LICENSE AGREEMENT TMS1002
Fig 11: Audio System (W/ Lexus Navigation System), Lexus Navigation System, Lexus Enform And Parking Assist (Rear View Monitor) (W/O Wide-View Front Monitor) - Circuit Diagram (11 Of 26)
G07558643Courtesy of © TOYOTA, LICENSE AGREEMENT TMS1002
Fig 12: Audio System (W/ Lexus Navigation System), Lexus Navigation System, Lexus Enform And Parking Assist (Rear View Monitor) (W/O Wide-View Front Monitor) - Circuit Diagram (12 Of 26)
G07558644Courtesy of © TOYOTA, LICENSE AGREEMENT TMS1002
Fig 13: Audio System (W/ Lexus Navigation System), Lexus Navigation System, Lexus Enform And Parking Assist (Rear View Monitor) (W/O Wide-View Front Monitor) - Circuit Diagram (13 Of 26)
G07558645Courtesy of © TOYOTA, LICENSE AGREEMENT TMS1002
Fig 14: Audio System (W/ Lexus Navigation System), Lexus Navigation System, Lexus Enform And Parking Assist (Rear View Monitor) (W/O Wide-View Front Monitor) - Circuit Diagram (14 Of 26)
G07558646Courtesy of © TOYOTA, LICENSE AGREEMENT TMS1002
Fig 15: Audio System (W/ Lexus Navigation System), Lexus Navigation System, Lexus Enform And Parking Assist (Rear View Monitor) (W/O Wide-View Front Monitor) - Circuit Diagram (15 Of 26)
G07558647Courtesy of © TOYOTA, LICENSE AGREEMENT TMS1002
Fig 16: Audio System (W/ Lexus Navigation System), Lexus Navigation System, Lexus Enform And Parking Assist (Rear View Monitor) (W/O Wide-View Front Monitor) - Circuit Diagram (16 Of 26)
G07558648Courtesy of © TOYOTA, LICENSE AGREEMENT TMS1002
Fig 17: Audio System (W/ Lexus Navigation System), Lexus Navigation System, Lexus Enform And Parking Assist (Rear View Monitor) (W/O Wide-View Front Monitor) - Circuit Diagram (17 Of 26)
G07558649Courtesy of © TOYOTA, LICENSE AGREEMENT TMS1002
Fig 18: Audio System (W/ Lexus Navigation System), Lexus Navigation System, Lexus Enform And Parking Assist (Rear View Monitor) (W/O Wide-View Front Monitor) - Circuit Diagram (18 Of 26)
G07558650Courtesy of © TOYOTA, LICENSE AGREEMENT TMS1002
Fig 19: Audio System (W/ Lexus Navigation System), Lexus Navigation System, Lexus Enform And Parking Assist (Rear View Monitor) (W/O Wide-View Front Monitor) - Circuit Diagram (19 Of 26)
G07558651Courtesy of © TOYOTA, LICENSE AGREEMENT TMS1002
Fig 20: Audio System (W/ Lexus Navigation System), Lexus Navigation System, Lexus Enform And Parking Assist (Rear View Monitor) (W/O Wide-View Front Monitor) - Circuit Diagram (20 Of 26)
G07558652Courtesy of © TOYOTA, LICENSE AGREEMENT TMS1002
Fig 21: Audio System (W/ Lexus Navigation System), Lexus Navigation System, Lexus Enform And Parking Assist (Rear View Monitor) (W/O Wide-View Front Monitor) - Circuit Diagram (21 Of 26)
G07558653Courtesy of © TOYOTA, LICENSE AGREEMENT TMS1002
Fig 22: Audio System (W/ Lexus Navigation System), Lexus Navigation System, Lexus Enform And Parking Assist (Rear View Monitor) (W/O Wide-View Front Monitor) - Circuit Diagram (22 Of 26)
G07558654Courtesy of © TOYOTA, LICENSE AGREEMENT TMS1002
Fig 23: Audio System (W/ Lexus Navigation System), Lexus Navigation System, Lexus Enform And Parking Assist (Rear View Monitor) (W/O Wide-View Front Monitor) - Circuit Diagram (23 Of 26)
G07558655Courtesy of © TOYOTA, LICENSE AGREEMENT TMS1002
Fig 24: Audio System (W/ Lexus Navigation System), Lexus Navigation System, Lexus Enform And Parking Assist (Rear View Monitor) (W/O Wide-View Front Monitor) - Circuit Diagram (24 Of 26)
G07558656Courtesy of © TOYOTA, LICENSE AGREEMENT TMS1002
Fig 25: Audio System (W/ Lexus Navigation System), Lexus Navigation System, Lexus Enform And Parking Assist (Rear View Monitor) (W/O Wide-View Front Monitor) - Circuit Diagram (25 Of 26)
G07558657Courtesy of © TOYOTA, LICENSE AGREEMENT TMS1002
Fig 26: Audio System (W/ Lexus Navigation System), Lexus Navigation System, Lexus Enform And Parking Assist (Rear View Monitor) (W/O Wide-View Front Monitor) - Circuit Diagram (26 Of 26)
G07558658Courtesy of © TOYOTA, LICENSE AGREEMENT TMS1002