LEMON Manuals: Even more car manuals for everyone: 1960-2025
Home >> Lexus >> 2011 >> HS 250h >> Repair and Diagnosis (Single Page) >> External Pages >> Different car >> Section 109 (OEM System Circuits) >> Smart Access System with Push-Button Start and Luggage Compartment Door Opener >> Notes
April 5, 2026: LEMON Manuals is launched! Read the announcement.

Smart Access System with Push-Button Start and Luggage Compartment Door Opener: Notes

WARNING: This page is about a different car, the 2010 Lexus HS 250h. However, it is still accessible from the selected car via links, so may be relevant.
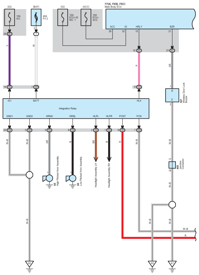
Fig 1: Smart Access System With Push-Button Start And Luggage Compartment Door Opener - Circuit Diagram (1 Of 23)
G07558361Courtesy of © TOYOTA, LICENSE AGREEMENT TMS1002
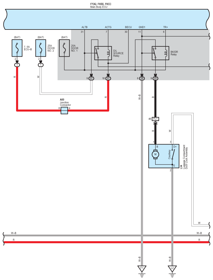
Fig 2: Smart Access System With Push-Button Start And Luggage Compartment Door Opener - Circuit Diagram (2 Of 23)
G07558362Courtesy of © TOYOTA, LICENSE AGREEMENT TMS1002
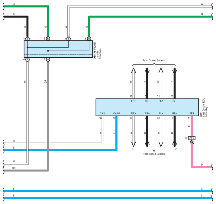
Fig 3: Smart Access System With Push-Button Start And Luggage Compartment Door Opener - Circuit Diagram (3 Of 23)
G07558363Courtesy of © TOYOTA, LICENSE AGREEMENT TMS1002
Fig 4: Smart Access System With Push-Button Start And Luggage Compartment Door Opener - Circuit Diagram (4 Of 23)
G07558364Courtesy of © TOYOTA, LICENSE AGREEMENT TMS1002
Fig 5: Smart Access System With Push-Button Start And Luggage Compartment Door Opener - Circuit Diagram (5 Of 23)
G07558365Courtesy of © TOYOTA, LICENSE AGREEMENT TMS1002
Fig 6: Smart Access System With Push-Button Start And Luggage Compartment Door Opener - Circuit Diagram (6 Of 23)
G07558366Courtesy of © TOYOTA, LICENSE AGREEMENT TMS1002
Fig 7: Smart Access System With Push-Button Start And Luggage Compartment Door Opener - Circuit Diagram (7 Of 23)
G07558367Courtesy of © TOYOTA, LICENSE AGREEMENT TMS1002
Fig 8: Smart Access System With Push-Button Start And Luggage Compartment Door Opener - Circuit Diagram (8 Of 23)
G07558368Courtesy of © TOYOTA, LICENSE AGREEMENT TMS1002
Fig 9: Smart Access System With Push-Button Start And Luggage Compartment Door Opener - Circuit Diagram (9 Of 23)
G07558369Courtesy of © TOYOTA, LICENSE AGREEMENT TMS1002
Fig 10: Smart Access System With Push-Button Start And Luggage Compartment Door Opener - Circuit Diagram (10 Of 23)
G07558370Courtesy of © TOYOTA, LICENSE AGREEMENT TMS1002
Fig 11: Smart Access System With Push-Button Start And Luggage Compartment Door Opener - Circuit Diagram (11 Of 23)
G07558371Courtesy of © TOYOTA, LICENSE AGREEMENT TMS1002
Fig 12: Smart Access System With Push-Button Start And Luggage Compartment Door Opener - Circuit Diagram (12 Of 23)
G07558372Courtesy of © TOYOTA, LICENSE AGREEMENT TMS1002
Fig 13: Smart Access System With Push-Button Start And Luggage Compartment Door Opener - Circuit Diagram (13 Of 23)
G07558373Courtesy of © TOYOTA, LICENSE AGREEMENT TMS1002
Fig 14: Smart Access System With Push-Button Start And Luggage Compartment Door Opener - Circuit Diagram (14 Of 23)
G07558374Courtesy of © TOYOTA, LICENSE AGREEMENT TMS1002
Fig 15: Smart Access System With Push-Button Start And Luggage Compartment Door Opener - Circuit Diagram (15 Of 23)
G07558375Courtesy of © TOYOTA, LICENSE AGREEMENT TMS1002
Fig 16: Smart Access System With Push-Button Start And Luggage Compartment Door Opener - Circuit Diagram (16 Of 23)
G07558376Courtesy of © TOYOTA, LICENSE AGREEMENT TMS1002
Fig 17: Smart Access System With Push-Button Start And Luggage Compartment Door Opener - Circuit Diagram (17 Of 23)
G07558377Courtesy of © TOYOTA, LICENSE AGREEMENT TMS1002
Fig 18: Smart Access System With Push-Button Start And Luggage Compartment Door Opener - Circuit Diagram (18 Of 23)
G07558378Courtesy of © TOYOTA, LICENSE AGREEMENT TMS1002
Fig 19: Smart Access System With Push-Button Start And Luggage Compartment Door Opener - Circuit Diagram (19 Of 23)
G07558379Courtesy of © TOYOTA, LICENSE AGREEMENT TMS1002
Fig 20: Smart Access System With Push-Button Start And Luggage Compartment Door Opener - Circuit Diagram (20 Of 23)
G07558380Courtesy of © TOYOTA, LICENSE AGREEMENT TMS1002
Fig 21: Smart Access System With Push-Button Start And Luggage Compartment Door Opener - Circuit Diagram (21 Of 23)
G07558381Courtesy of © TOYOTA, LICENSE AGREEMENT TMS1002
Fig 22: Smart Access System With Push-Button Start And Luggage Compartment Door Opener - Circuit Diagram (22 Of 23)
G07558382Courtesy of © TOYOTA, LICENSE AGREEMENT TMS1002
Fig 23: Smart Access System With Push-Button Start And Luggage Compartment Door Opener - Circuit Diagram (23 Of 23)
G07558383Courtesy of © TOYOTA, LICENSE AGREEMENT TMS1002