LEMON Manuals: Even more car manuals for everyone: 1960-2025
Home >> Lexus >> 2011 >> HS 250h >> Repair and Diagnosis >> Electrical >> Body Electrical >> OEM System Circuits >> Adaptive Front-Lighting System or Headlight Beam Level Control >> Notes
April 5, 2026: LEMON Manuals is launched! Read the announcement.

Adaptive Front-Lighting System or Headlight Beam Level Control: Notes

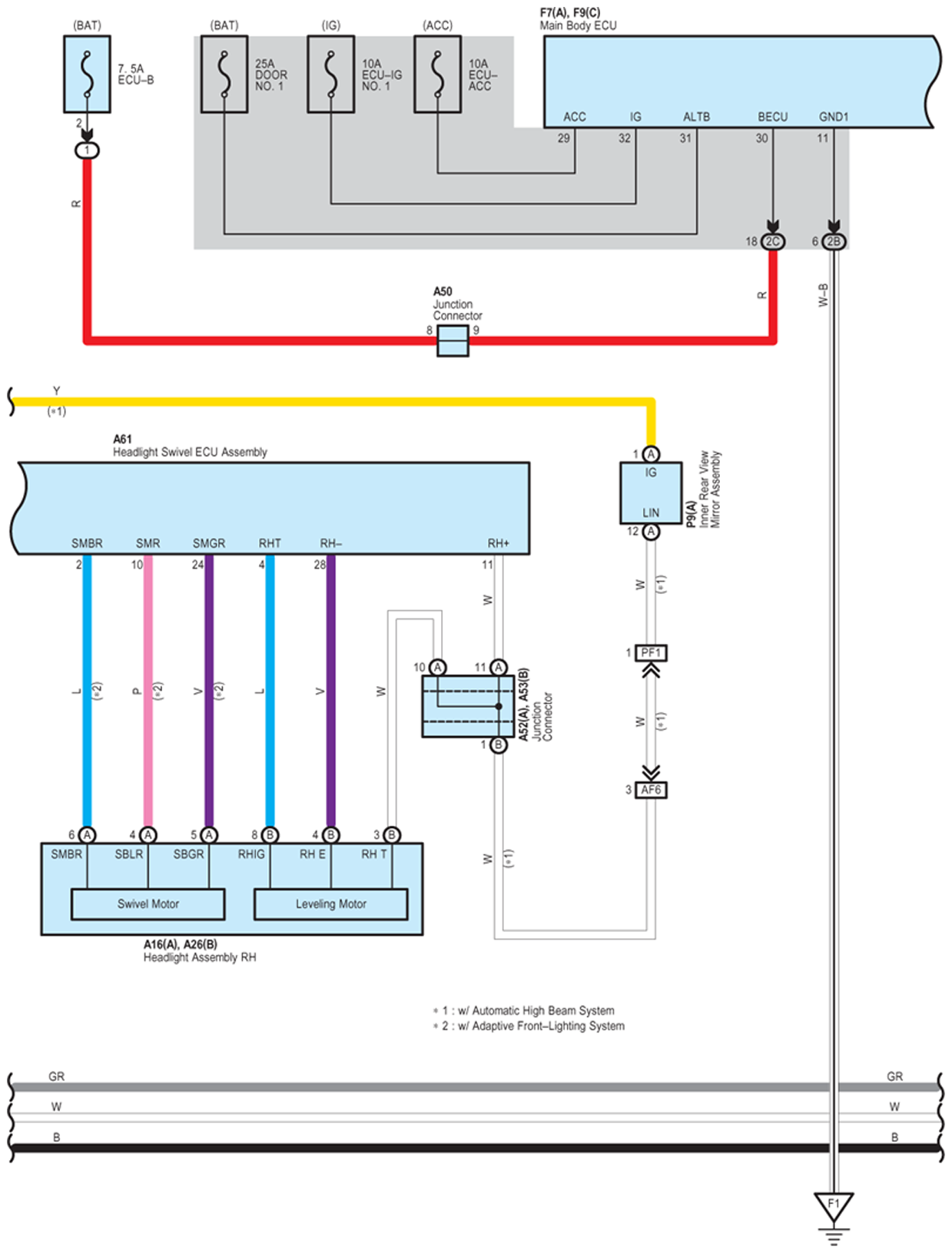
Fig 1: Adaptive Front-Lighting System/Headlight Beam Level Control - Circuit Diagram (1 Of 5)
G07578376Courtesy of © TOYOTA, LICENSE AGREEMENT TMS1002
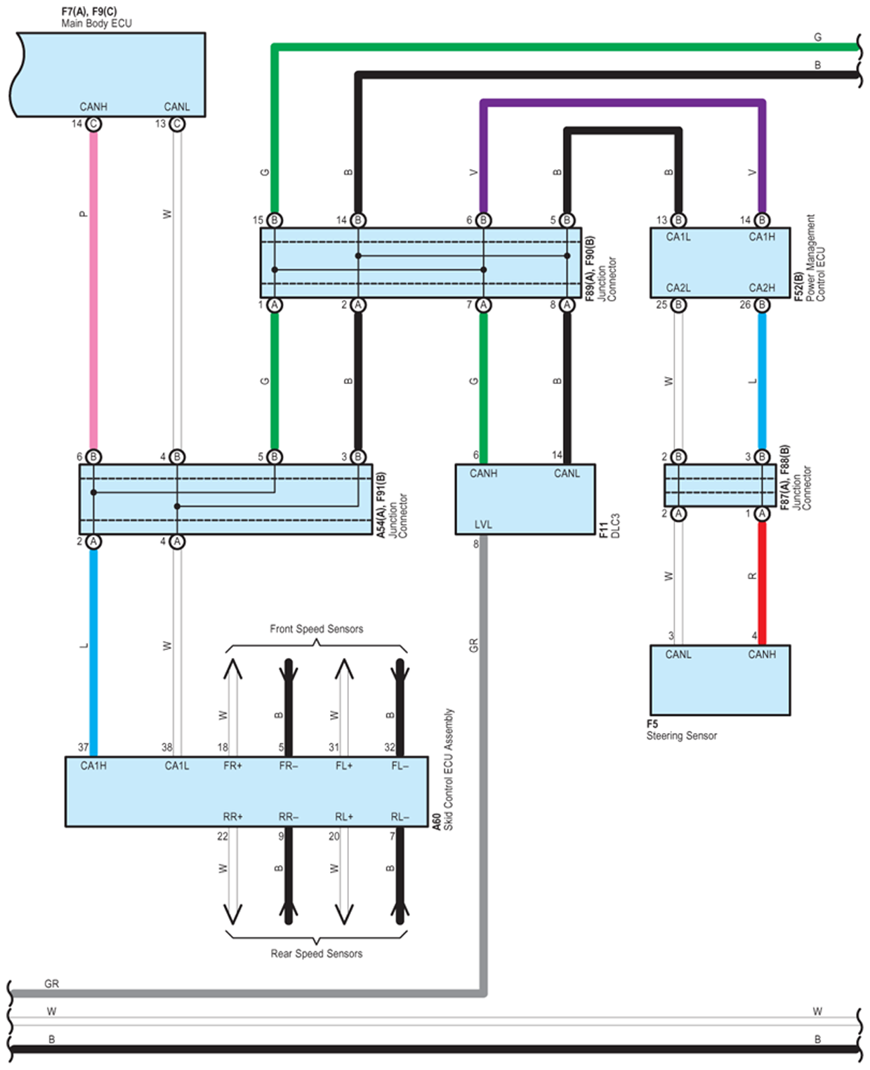
Fig 2: Adaptive Front-Lighting System/Headlight Beam Level Control - Circuit Diagram (2 Of 5)
G07578377Courtesy of © TOYOTA, LICENSE AGREEMENT TMS1002
Fig 3: Adaptive Front-Lighting System/Headlight Beam Level Control - Circuit Diagram (3 Of 5)
G07578378Courtesy of © TOYOTA, LICENSE AGREEMENT TMS1002
Fig 4: Adaptive Front-Lighting System/Headlight Beam Level Control - Circuit Diagram (4 Of 5)
G07578379Courtesy of © TOYOTA, LICENSE AGREEMENT TMS1002
Fig 5: Adaptive Front-Lighting System/Headlight Beam Level Control - Circuit Diagram (5 Of 5)
G07578380Courtesy of © TOYOTA, LICENSE AGREEMENT TMS1002