LEMON Manuals: Even more car manuals for everyone: 1960-2025
Home >> Lexus >> 2011 >> HS 250h >> Repair and Diagnosis >> Electrical >> Body Electrical >> OEM System Circuits >> Dynamic Radar Cruise Control or Cruise Control >> Notes
April 5, 2026: LEMON Manuals is launched! Read the announcement.

Dynamic Radar Cruise Control or Cruise Control: Notes

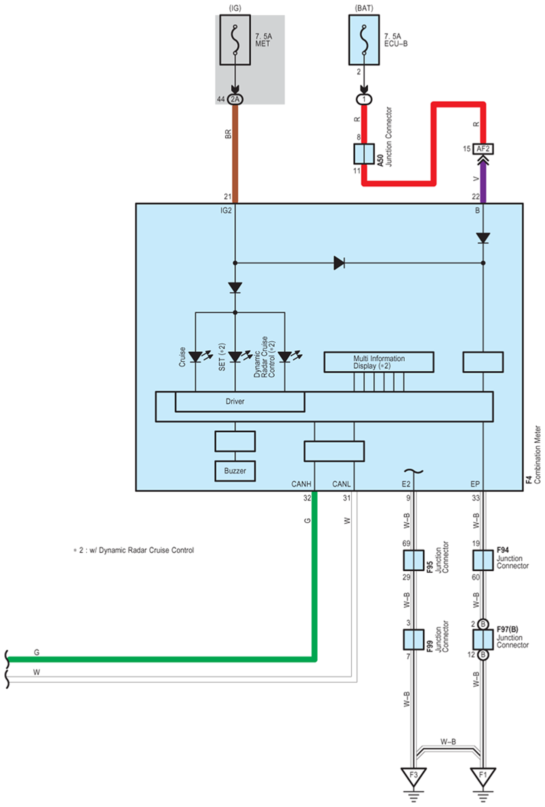
Fig 1: Dynamic Radar Cruise Control/Cruise Control - Circuit Diagram (1 Of 17)
G07578229Courtesy of © TOYOTA, LICENSE AGREEMENT TMS1002
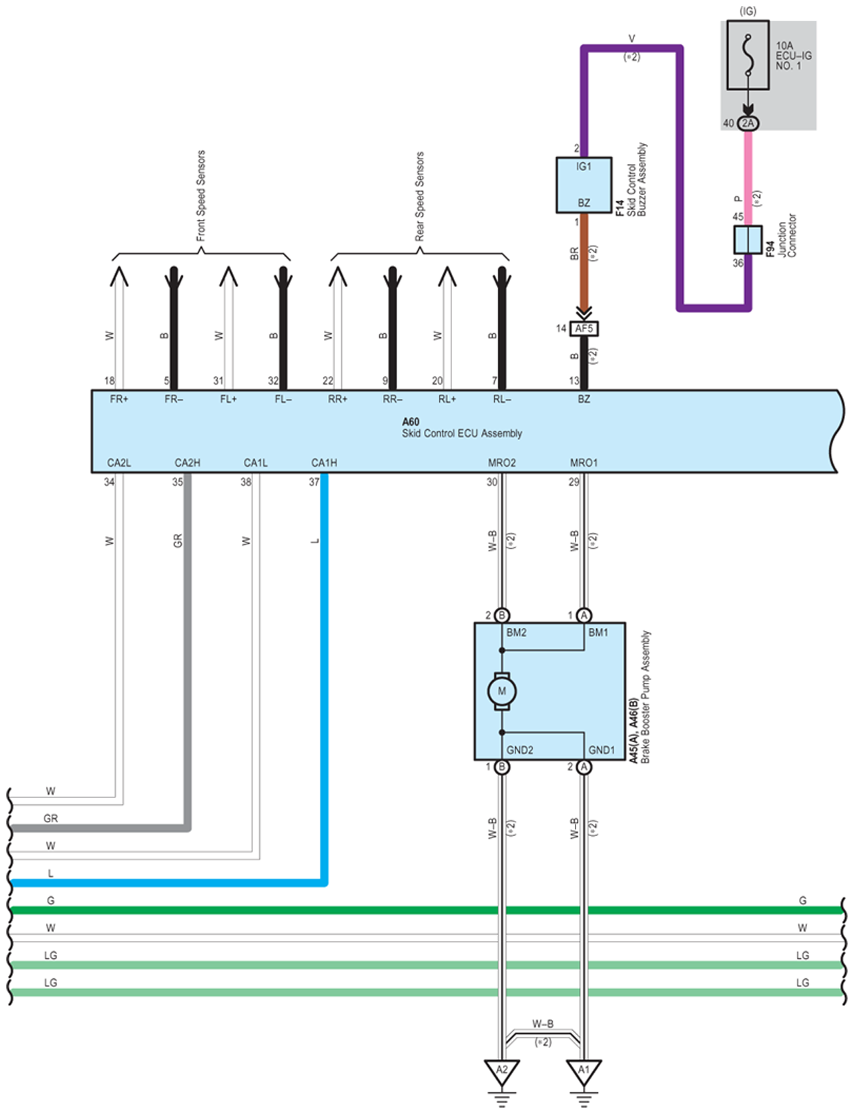
Fig 2: Dynamic Radar Cruise Control/Cruise Control - Circuit Diagram (2 Of 17)
G07578230Courtesy of © TOYOTA, LICENSE AGREEMENT TMS1002
Fig 3: Dynamic Radar Cruise Control/Cruise Control - Circuit Diagram (3 Of 17)
G07578231Courtesy of © TOYOTA, LICENSE AGREEMENT TMS1002
Fig 4: Dynamic Radar Cruise Control/Cruise Control - Circuit Diagram (4 Of 17)
G07578232Courtesy of © TOYOTA, LICENSE AGREEMENT TMS1002
Fig 5: Dynamic Radar Cruise Control/Cruise Control - Circuit Diagram (5 Of 17)
G07578233Courtesy of © TOYOTA, LICENSE AGREEMENT TMS1002
Fig 6: Dynamic Radar Cruise Control/Cruise Control - Circuit Diagram (6 Of 17)
G07578234Courtesy of © TOYOTA, LICENSE AGREEMENT TMS1002
Fig 7: Dynamic Radar Cruise Control/Cruise Control - Circuit Diagram (7 Of 17)
G07578235Courtesy of © TOYOTA, LICENSE AGREEMENT TMS1002
Fig 8: Dynamic Radar Cruise Control/Cruise Control - Circuit Diagram (8 Of 17)
G07578236Courtesy of © TOYOTA, LICENSE AGREEMENT TMS1002
Fig 9: Dynamic Radar Cruise Control/Cruise Control - Circuit Diagram (9 Of 17)
G07578237Courtesy of © TOYOTA, LICENSE AGREEMENT TMS1002
Fig 10: Dynamic Radar Cruise Control/Cruise Control - Circuit Diagram (10 Of 17)
G07578238Courtesy of © TOYOTA, LICENSE AGREEMENT TMS1002
Fig 11: Dynamic Radar Cruise Control/Cruise Control - Circuit Diagram (11 Of 17)
G07578239Courtesy of © TOYOTA, LICENSE AGREEMENT TMS1002
Fig 12: Dynamic Radar Cruise Control/Cruise Control - Circuit Diagram (12 Of 17)
G07578240Courtesy of © TOYOTA, LICENSE AGREEMENT TMS1002
Fig 13: Dynamic Radar Cruise Control/Cruise Control - Circuit Diagram (13 Of 17)
G07578241Courtesy of © TOYOTA, LICENSE AGREEMENT TMS1002
Fig 14: Dynamic Radar Cruise Control/Cruise Control - Circuit Diagram (14 Of 17)
G07578242Courtesy of © TOYOTA, LICENSE AGREEMENT TMS1002
Fig 15: Dynamic Radar Cruise Control/Cruise Control - Circuit Diagram (15 Of 17)
G07578243Courtesy of © TOYOTA, LICENSE AGREEMENT TMS1002
Fig 16: Dynamic Radar Cruise Control/Cruise Control - Circuit Diagram (16 Of 17)
G07578244Courtesy of © TOYOTA, LICENSE AGREEMENT TMS1002
Fig 17: Dynamic Radar Cruise Control/Cruise Control - Circuit Diagram (17 Of 17)
G07578245Courtesy of © TOYOTA, LICENSE AGREEMENT TMS1002