LEMON Manuals: Even more car manuals for everyone: 1960-2025
Home >> Lexus >> 2011 >> IS 250 Base, AWD >> Repair and Diagnosis (Single Page) >> External Pages >> Different car >> Section 107 (OEM System Circuits) >> Parking Assist (Intuitive Parking Assist) >> Notes
April 5, 2026: LEMON Manuals is launched! Read the announcement.

Parking Assist (Intuitive Parking Assist): Notes

WARNING: This page is about a different car, the 2010 Lexus IS 350 and 2010 Lexus IS 250. However, it is still accessible from the selected car via links, so may be relevant.
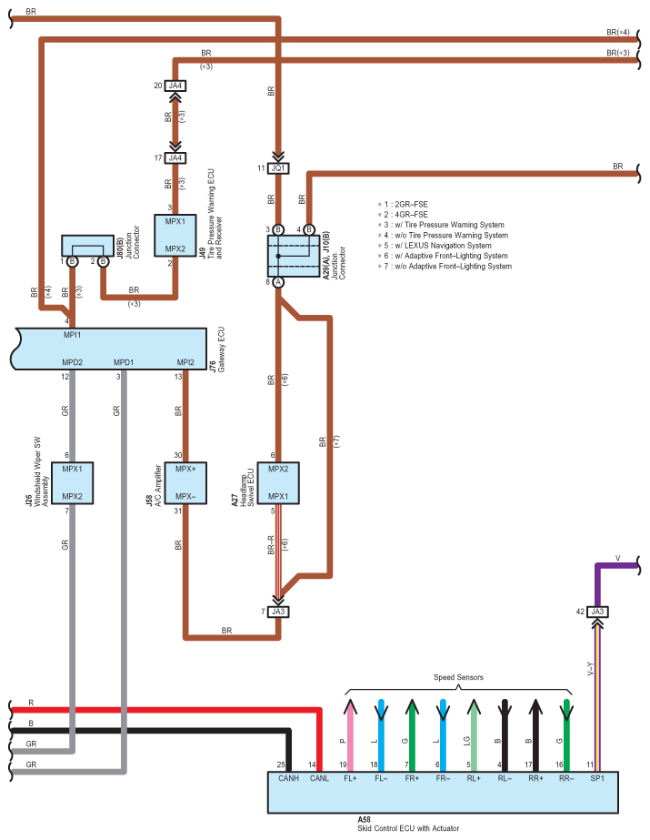
Fig 1: Parking Assist (Intuitive Parking Assist) - Circuit Diagram (1 Of 5)
G07559251Courtesy of © TOYOTA, LICENSE AGREEMENT TMS1002
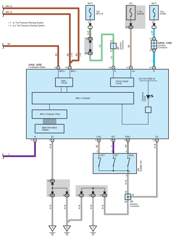
Fig 2: Parking Assist (Intuitive Parking Assist) - Circuit Diagram (2 Of 5)
G07559252Courtesy of © TOYOTA, LICENSE AGREEMENT TMS1002
Fig 3: Parking Assist (Intuitive Parking Assist) - Circuit Diagram (3 Of 5)
G07559253Courtesy of © TOYOTA, LICENSE AGREEMENT TMS1002
Fig 4: Parking Assist (Intuitive Parking Assist) - Circuit Diagram (4 Of 5)
G07559254Courtesy of © TOYOTA, LICENSE AGREEMENT TMS1002
Fig 5: Parking Assist (Intuitive Parking Assist) - Circuit Diagram (5 Of 5)
G07559255Courtesy of © TOYOTA, LICENSE AGREEMENT TMS1002