LEMON Manuals: Even more car manuals for everyone: 1960-2025
Home >> Lexus >> 2011 >> IS 250 Base, AWD >> Repair and Diagnosis (Single Page) >> External Pages >> Different car >> Section 107 (OEM System Circuits) >> Power Seat (Front Passenger's Seat w/ Seat Position Memory) >> Notes
April 5, 2026: LEMON Manuals is launched! Read the announcement.

Power Seat (Front Passenger's Seat w/ Seat Position Memory): Notes

WARNING: This page is about a different car, the 2010 Lexus IS 350 and 2010 Lexus IS 250. However, it is still accessible from the selected car via links, so may be relevant.
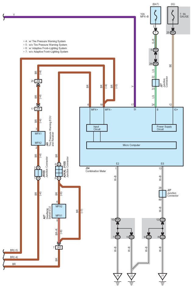
Fig 1: Power Seat (Front Passenger's Seat W/ Seat Position Memory) - Circuit Diagram (1 Of 5)
G07559220Courtesy of © TOYOTA, LICENSE AGREEMENT TMS1002
Fig 2: Power Seat (Front Passenger's Seat W/ Seat Position Memory) - Circuit Diagram (2 Of 5)
G07559221Courtesy of © TOYOTA, LICENSE AGREEMENT TMS1002
Fig 3: Power Seat (Front Passenger's Seat W/ Seat Position Memory) - Circuit Diagram (3 Of 5)
G07559222Courtesy of © TOYOTA, LICENSE AGREEMENT TMS1002
Fig 4: Power Seat (Front Passenger's Seat W/ Seat Position Memory) - Circuit Diagram (4 Of 5)
G07559223Courtesy of © TOYOTA, LICENSE AGREEMENT TMS1002
Fig 5: Power Seat (Front Passenger's Seat W/ Seat Position Memory) - Circuit Diagram (5 Of 5)
G07559224Courtesy of © TOYOTA, LICENSE AGREEMENT TMS1002