LEMON Manuals: Even more car manuals for everyone: 1960-2025
Home >> Lexus >> 2011 >> IS 250 Base, AWD >> Repair and Diagnosis >> Electrical >> Body Electrical >> OEM System Circuits >> Cruise Control (4GR-FSE) >> Notes
April 5, 2026: LEMON Manuals is launched! Read the announcement.

Cruise Control (4GR-FSE): Notes

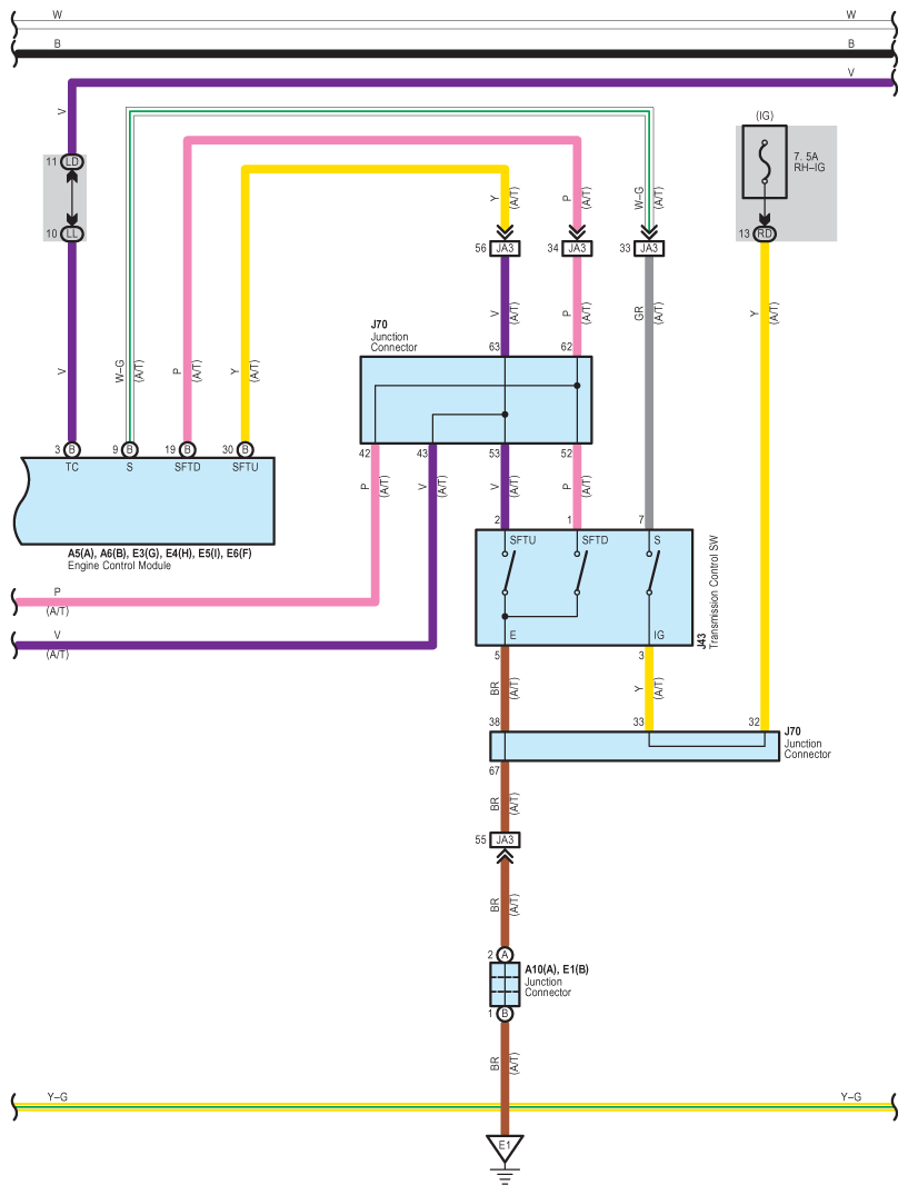
Fig 1: Cruise Control (4GR-FSE) - Circuit Diagram (1 Of 7)
G07581338Courtesy of © TOYOTA, LICENSE AGREEMENT TMS1002
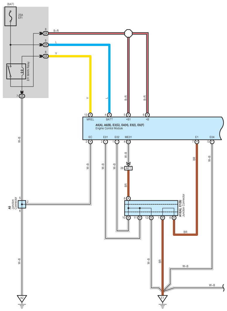
Fig 2: Cruise Control (4GR-FSE) - Circuit Diagram (2 Of 7)
G07581339Courtesy of © TOYOTA, LICENSE AGREEMENT TMS1002
Fig 3: Cruise Control (4GR-FSE) - Circuit Diagram (3 Of 7)
G07581340Courtesy of © TOYOTA, LICENSE AGREEMENT TMS1002
Fig 4: Cruise Control (4GR-FSE) - Circuit Diagram (4 Of 7)
G07581341Courtesy of © TOYOTA, LICENSE AGREEMENT TMS1002
Fig 5: Cruise Control (4GR-FSE) - Circuit Diagram (5 Of 7)
G07581342Courtesy of © TOYOTA, LICENSE AGREEMENT TMS1002
Fig 6: Cruise Control (4GR-FSE) - Circuit Diagram (6 Of 7)
G07581343Courtesy of © TOYOTA, LICENSE AGREEMENT TMS1002
Fig 7: Cruise Control (4GR-FSE) - Circuit Diagram (7 Of 7)
G07581344Courtesy of © TOYOTA, LICENSE AGREEMENT TMS1002