LEMON Manuals: Even more car manuals for everyone: 1960-2025
Home >> Lexus >> 2011 >> IS 250 Base, AWD >> Repair and Diagnosis >> Engine Mechanical >> Starter >> Smart Access System (Keyless Start) (Diagnostics - Introduction) >> Smart Access System With Push-Button Start >> System Diagram >> System Diagram
April 5, 2026: LEMON Manuals is launched! Read the announcement.

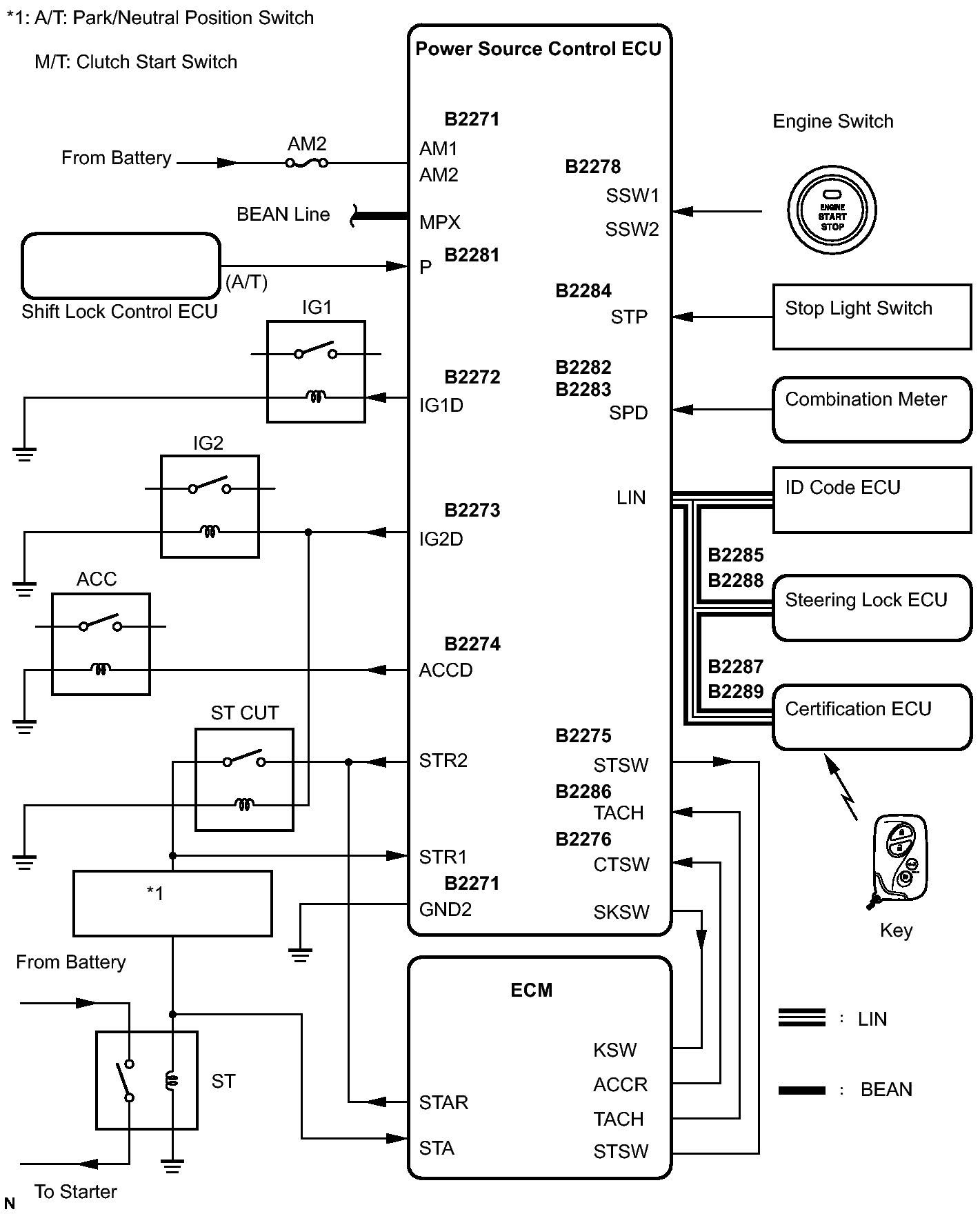
System Diagram

Fig 1: Smart Access System Diagram
GTY129301Courtesy of © TOYOTA, LICENSE AGREEMENT TMS1002
COMMUNICATION TABLE:

Transmitting ECU
(Transmitter)
Receiving ECU
(Receiver)
Signal Communication method
ECM Power source control ECU Engine rotation signal CAN/BEAN
Meter ECU Power source control ECU Vehicle speed signal BEAN/Local communication
Steering lock ECU Power source control ECU Steering lock/unlock signal LIN/Local communication
Shift lock control ECU Power source control ECU Shift position signal BEAN/Local communication
Certification ECU Power source control ECU LIN master signal LIN
Power source control ECU Certification ECU ID required signal LIN
Key existence condition signal BEAN