LEMON Manuals: Even more car manuals for everyone: 1960-2025
Home >> Lexus >> 2011 >> IS 250 Base, AWD >> Repair and Diagnosis >> External Pages >> Different car >> Section 127 (Fuel System (Inspection)) >> Fuel System >> System Diagram >> System Diagram
April 5, 2026: LEMON Manuals is launched! Read the announcement.

System Diagram

WARNING: This page is about a different car, the 2011 Lexus IS 350. However, it is still accessible from the selected car via links, so may be relevant.
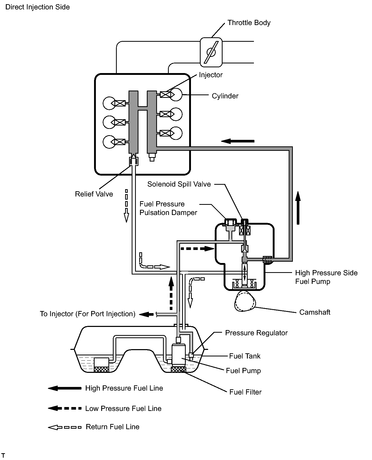
  1. FUEL FLOW DIAGRAM 
    Fig 1: Fuel Flow (Direct Injection Side) System Diagram
    GTY277882Courtesy of © TOYOTA, LICENSE AGREEMENT TMS1002
    Fig 2: Fuel Flow (Port Injection Side) System Diagram
    GTY266231Courtesy of © TOYOTA, LICENSE AGREEMENT TMS1002
  2. ELECTRICAL CONTROL DIAGRAM 
    Fig 3: Electrical Control Diagram
    GTY122277Courtesy of © TOYOTA, LICENSE AGREEMENT TMS1002
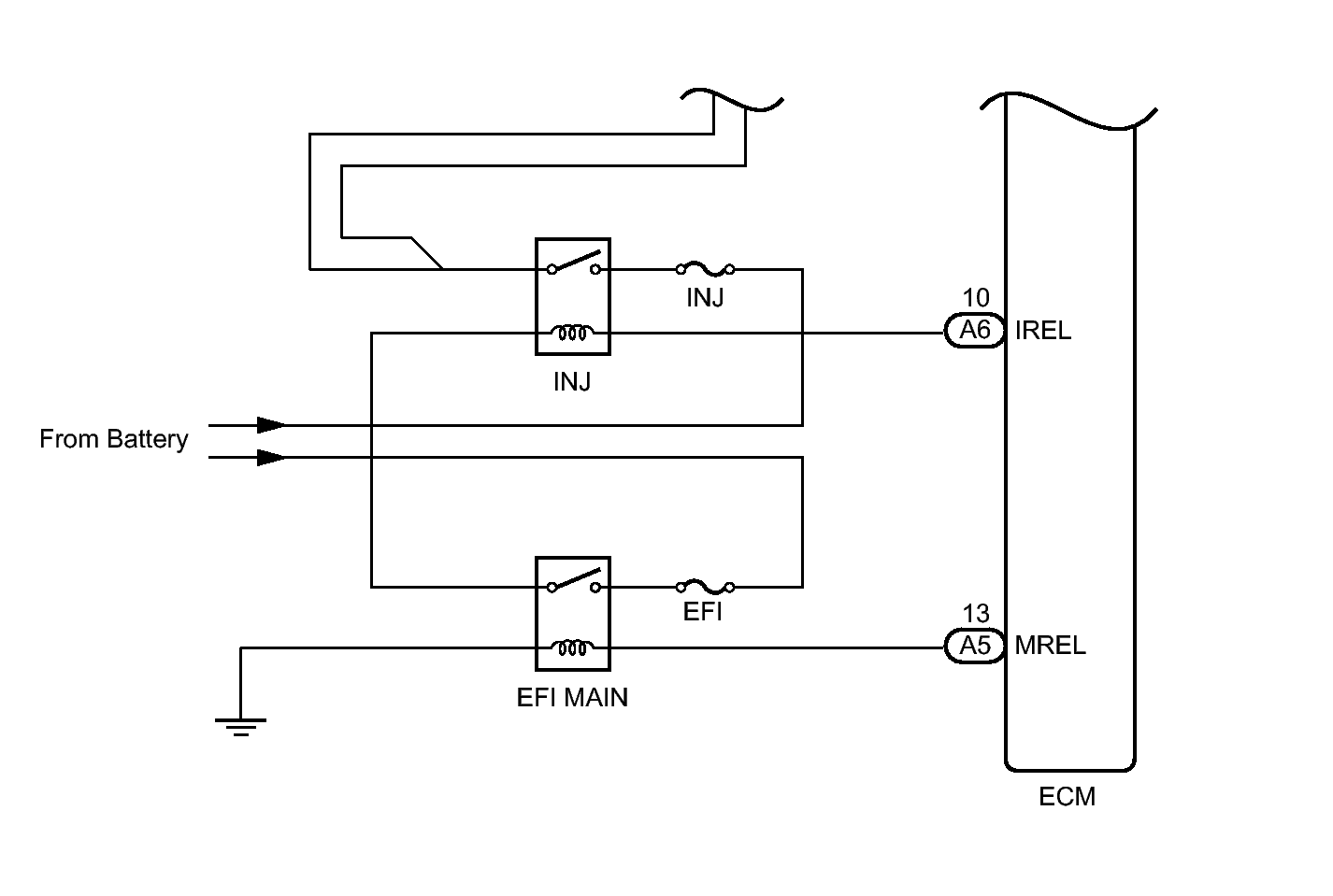
  3. HIGH PRESSURE SIDE FUEL SYSTEM WIRING DIAGRAM 
    Fig 4: High Pressure Side Fuel System Wiring Diagram (Shielded)
    GTY282539Courtesy of © TOYOTA, LICENSE AGREEMENT TMS1002
    Fig 5: High Pressure Side Fuel System Wiring Diagram From Battery
    GTY272149Courtesy of © TOYOTA, LICENSE AGREEMENT TMS1002
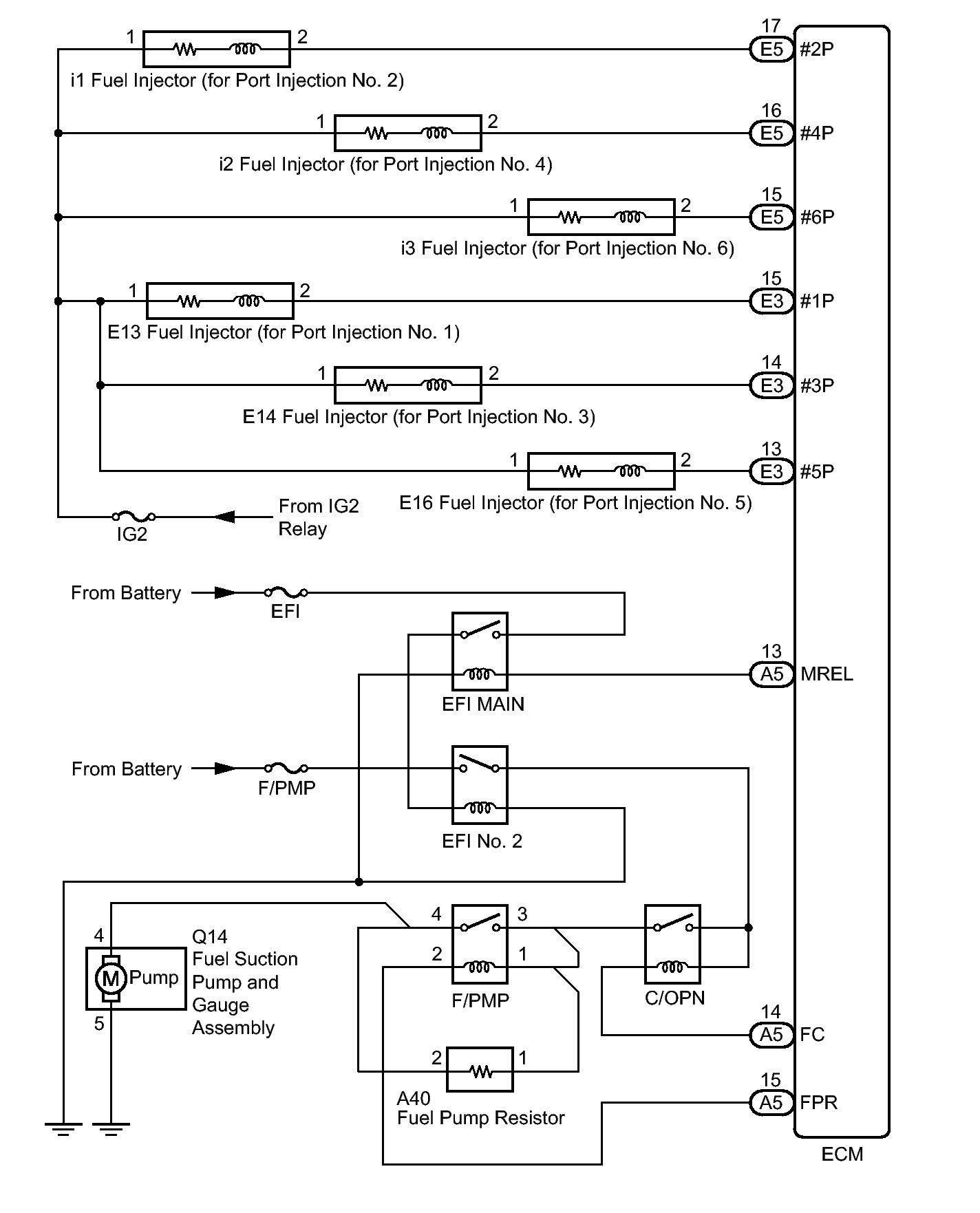
  4. LOW PRESSURE SIDE FUEL SYSTEM WIRING DIAGRAM 
    Fig 6: Low Pressure Side Fuel System Wiring Diagram
    GTY148949Courtesy of © TOYOTA, LICENSE AGREEMENT TMS1002