LEMON Manuals: Even more car manuals for everyone: 1960-2025
Home >> Lexus >> 2011 >> IS 250C Standard >> Repair and Diagnosis >> Electrical >> Body Electrical >> OEM System Circuits >> Vehicle Dynamics Integrated Management >> Notes
April 5, 2026: LEMON Manuals is launched! Read the announcement.

Vehicle Dynamics Integrated Management: Notes

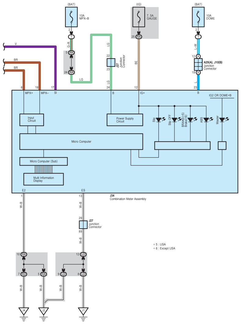
Fig 1: Vehicle Dynamics Integrated Management - Circuit Diagram (1 Of 8)
G07585545Courtesy of © TOYOTA, LICENSE AGREEMENT TMS1002
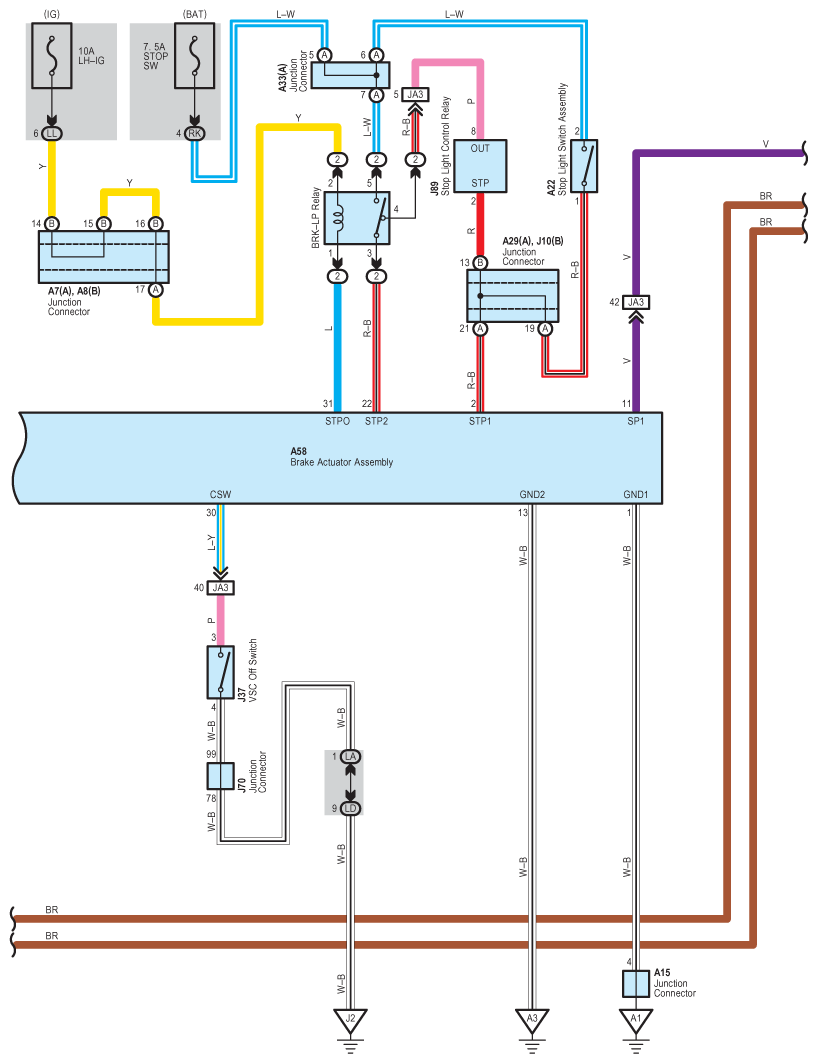
Fig 2: Vehicle Dynamics Integrated Management - Circuit Diagram (2 Of 8)
G07585546Courtesy of © TOYOTA, LICENSE AGREEMENT TMS1002
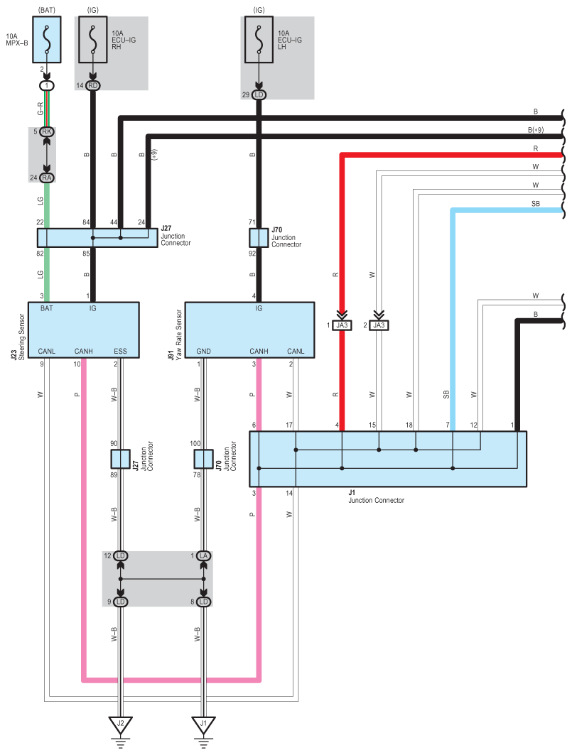
Fig 3: Vehicle Dynamics Integrated Management - Circuit Diagram (3 Of 8)
G07585547Courtesy of © TOYOTA, LICENSE AGREEMENT TMS1002
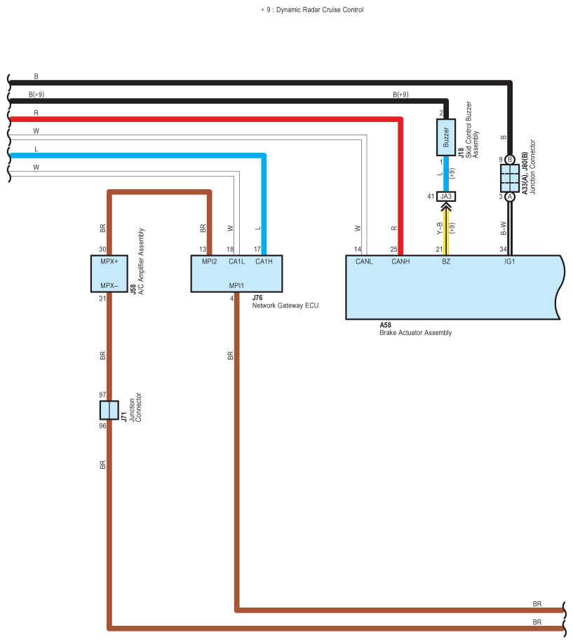
Fig 4: Vehicle Dynamics Integrated Management - Circuit Diagram (4 Of 8)
G07585548Courtesy of © TOYOTA, LICENSE AGREEMENT TMS1002
Fig 5: Vehicle Dynamics Integrated Management - Circuit Diagram (5 Of 8)
G07585549Courtesy of © TOYOTA, LICENSE AGREEMENT TMS1002
Fig 6: Vehicle Dynamics Integrated Management - Circuit Diagram (6 Of 8)
G07585550Courtesy of © TOYOTA, LICENSE AGREEMENT TMS1002
Fig 7: Vehicle Dynamics Integrated Management - Circuit Diagram (7 Of 8)
G07585551Courtesy of © TOYOTA, LICENSE AGREEMENT TMS1002
Fig 8: Vehicle Dynamics Integrated Management - Circuit Diagram (8 Of 8)
G07585552Courtesy of © TOYOTA, LICENSE AGREEMENT TMS1002