LEMON Manuals: Even more car manuals for everyone: 1960-2025
Home >> Lexus >> 2011 >> IS 350 Base, AWD >> Repair and Diagnosis >> Electrical >> Body Electrical >> OEM System Circuits >> Ignition (2GR-FSE) >> Notes
April 5, 2026: LEMON Manuals is launched! Read the announcement.

Ignition (2GR-FSE): Notes

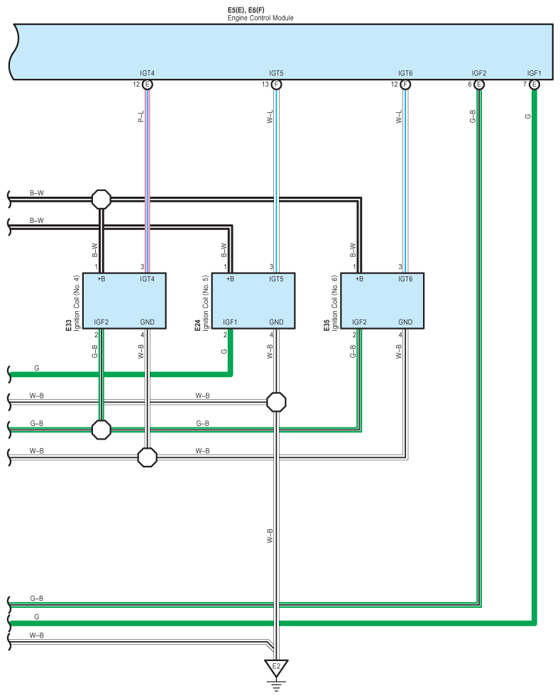
Fig 1: Ignition (2GR-FSE) - Circuit Diagram (1 Of 2)
G07581165Courtesy of © TOYOTA, LICENSE AGREEMENT TMS1002
Fig 2: Ignition (2GR-FSE) - Circuit Diagram (2 Of 2)
G07581166Courtesy of © TOYOTA, LICENSE AGREEMENT TMS1002