LEMON Manuals: Even more car manuals for everyone: 1960-2025
Home >> Lexus >> 2011 >> IS 350 Base, AWD >> Repair and Diagnosis >> Electrical >> Body Electrical >> OEM System Circuits >> LEXUS ENFORM or Safety Connect >> Notes
April 5, 2026: LEMON Manuals is launched! Read the announcement.

LEXUS ENFORM or Safety Connect: Notes

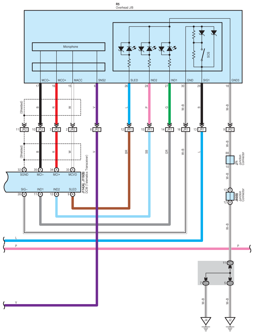
Fig 1: Lexus Enform/Safety Connect - Circuit Diagram (1 Of 4)
G07581432Courtesy of © TOYOTA, LICENSE AGREEMENT TMS1002
Fig 2: Lexus Enform/Safety Connect - Circuit Diagram (2 Of 4)
G07581433Courtesy of © TOYOTA, LICENSE AGREEMENT TMS1002
Fig 3: Lexus Enform/Safety Connect - Circuit Diagram (3 Of 4)
G07581434Courtesy of © TOYOTA, LICENSE AGREEMENT TMS1002
Fig 4: Lexus Enform/Safety Connect - Circuit Diagram (4 Of 4)
G07581435Courtesy of © TOYOTA, LICENSE AGREEMENT TMS1002