LEMON Manuals: Even more car manuals for everyone: 1960-2025
Home >> Lexus >> 2011 >> IS 350C >> Repair and Diagnosis (Single Page) >> Electrical >> Body Electrical >> OEM System Circuits >> Headlight Beam Level Control >> Notes
April 5, 2026: LEMON Manuals is launched! Read the announcement.

Headlight Beam Level Control: Notes

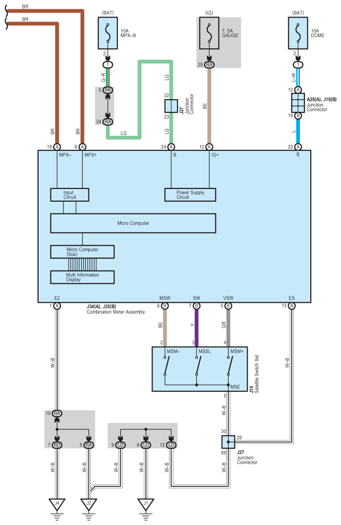
Fig 1: Headlight Beam Level Control - Circuit Diagram (1 Of 8)
G07585442Courtesy of © TOYOTA, LICENSE AGREEMENT TMS1002
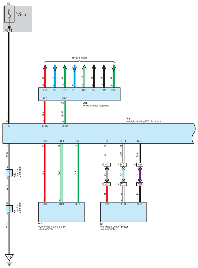
Fig 2: Headlight Beam Level Control - Circuit Diagram (2 Of 8)
G07585443Courtesy of © TOYOTA, LICENSE AGREEMENT TMS1002
Fig 3: Headlight Beam Level Control - Circuit Diagram (3 Of 8)
G07585444Courtesy of © TOYOTA, LICENSE AGREEMENT TMS1002
Fig 4: Headlight Beam Level Control - Circuit Diagram (4 Of 8)
G07585445Courtesy of © TOYOTA, LICENSE AGREEMENT TMS1002
Fig 5: Headlight Beam Level Control - Circuit Diagram (5 Of 8)
G07585446Courtesy of © TOYOTA, LICENSE AGREEMENT TMS1002
Fig 6: Headlight Beam Level Control - Circuit Diagram (6 Of 8)
G07585447Courtesy of © TOYOTA, LICENSE AGREEMENT TMS1002
Fig 7: Headlight Beam Level Control - Circuit Diagram (7 Of 8)
G07585448Courtesy of © TOYOTA, LICENSE AGREEMENT TMS1002
Fig 8: Headlight Beam Level Control - Circuit Diagram (8 Of 8)
G07585449Courtesy of © TOYOTA, LICENSE AGREEMENT TMS1002