LEMON Manuals: Even more car manuals for everyone: 1960-2025
Home >> Lexus >> 2011 >> IS 350C >> Repair and Diagnosis >> Electrical >> Body Electrical >> OEM System Circuits >> Remote Control Mirror (w/ Seat Position Memory) >> Notes
April 5, 2026: LEMON Manuals is launched! Read the announcement.

Remote Control Mirror (w/ Seat Position Memory): Notes

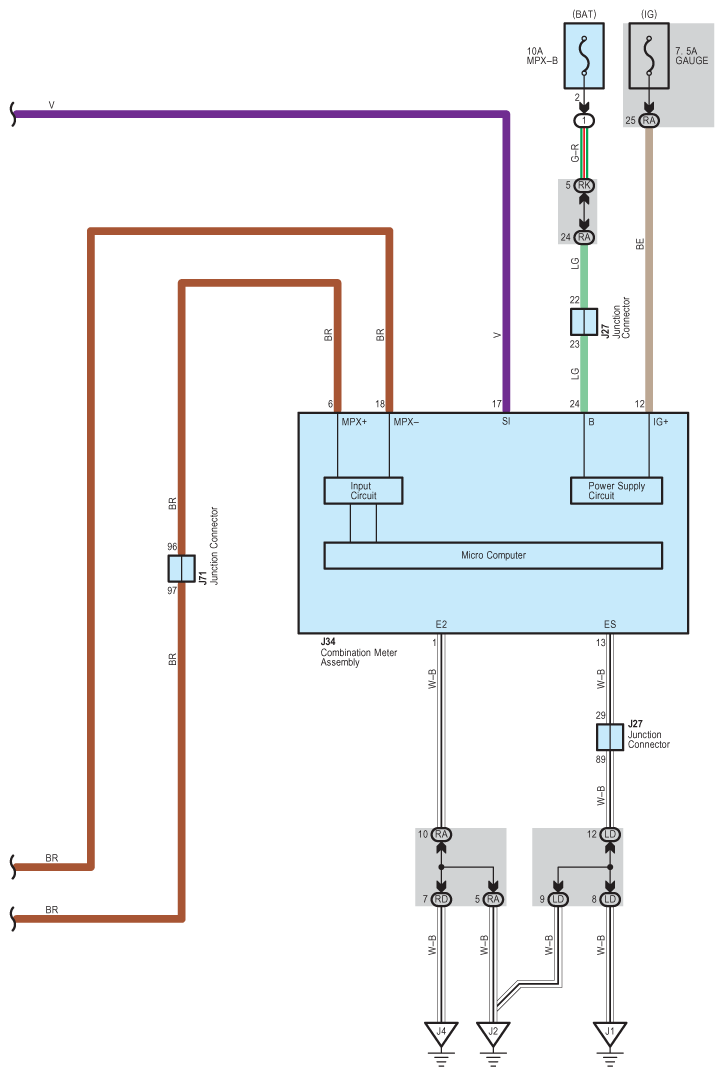
Fig 1: Remote Control Mirror (W/ Seat Position Memory) - Circuit Diagram (1 Of 8)
G07585634Courtesy of © TOYOTA, LICENSE AGREEMENT TMS1002
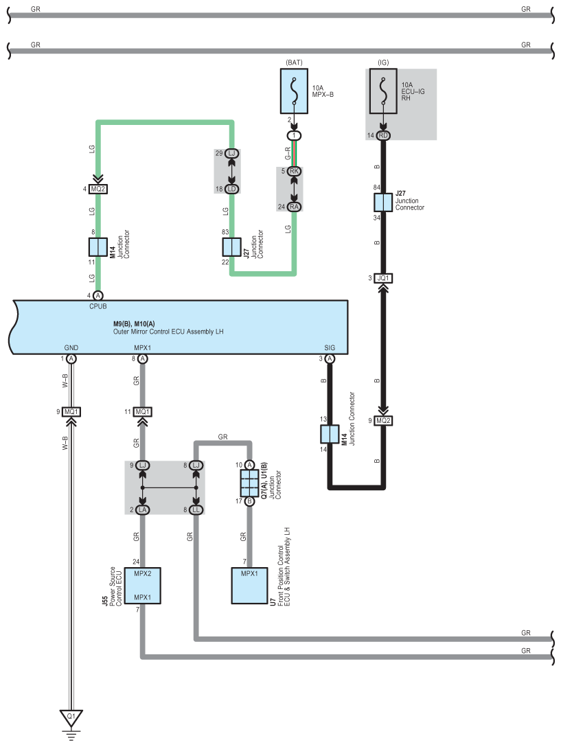
Fig 2: Remote Control Mirror (W/ Seat Position Memory) - Circuit Diagram (2 Of 8)
G07585635Courtesy of © TOYOTA, LICENSE AGREEMENT TMS1002
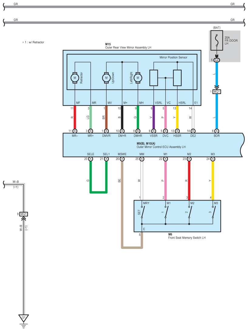
Fig 3: Remote Control Mirror (W/ Seat Position Memory) - Circuit Diagram (3 Of 8)
G07585636Courtesy of © TOYOTA, LICENSE AGREEMENT TMS1002
Fig 4: Remote Control Mirror (W/ Seat Position Memory) - Circuit Diagram (4 Of 8)
G07585637Courtesy of © TOYOTA, LICENSE AGREEMENT TMS1002
Fig 5: Remote Control Mirror (W/ Seat Position Memory) - Circuit Diagram (5 Of 8)
G07585638Courtesy of © TOYOTA, LICENSE AGREEMENT TMS1002
Fig 6: Remote Control Mirror (W/ Seat Position Memory) - Circuit Diagram (6 Of 8)
G07585639Courtesy of © TOYOTA, LICENSE AGREEMENT TMS1002
Fig 7: Remote Control Mirror (W/ Seat Position Memory) - Circuit Diagram (7 Of 8)
G07585640Courtesy of © TOYOTA, LICENSE AGREEMENT TMS1002
Fig 8: Remote Control Mirror (W/ Seat Position Memory) - Circuit Diagram (8 Of 8)
G07585641Courtesy of © TOYOTA, LICENSE AGREEMENT TMS1002